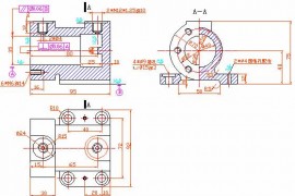
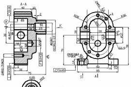
经典冲压模具设计实例讲解,配AutoCAD大图一、冲裁模设计与制造实例1.冲压件工艺性分析2.冲压工艺方案的确定3.主要设计计算4.模具总体设计5.主要零部件设计6.模具总装图二、拉深模设计与制造实例3.主要设计计算4.模具的总体设计5.主要零部件设计 卸料 冲压 模具 设计 零件
很多小白还不知道数控是什么?我统一解答吧尺寸标注应符合数控加工的特点几何要素的条件应完整、准确定位基准可靠统一几何类型或尺寸零件装夹定位安装的基本原则选择夹具的基本原则加工误差数控编程程序结构程序格式程序段格式主程序与子程序 程序 加工 零件 数控加工