首页
图纸下载
冲压模具
塑胶模具
数控编程
机械设备
家用电器
更多
软件下载
二维软件
三维软件
编程软件
CAE软件
系统软件
更多
图文资讯
软件应用
模具制造
机械制造
机械知识
平面设计
其他
软件安装
帮助中心
注册问题
登录问题
上传问题
下载问题
充值问题
更多
在线视频
新站课程
本站课程
在线问答
登录
注册
标注
最新标签
HTML
入门
精通
摩托车
三轮
狂想
两栖
图文
作用
水泵
诱导
前置
视频
测试
咨询
售后
违规
注册
登录
充值
积分
流程
提现
编号
大小
提取
0167
XSSJUG
取值
旋切
毫米
按照
上传
退稿
稿件
无法
账号
注销
站上
qiufukang
右上角
绑定
下拉
帐号
原作者
以下简称
本站
协议
会员
其它
刀路
桃木
夹板
关联性
鸟瞰
文章
PAUSE
command
主视图
长度
RCDATA
计算
ID
开发
雕刻机
生成
注释
端盖
中设
标题
回到
外公切线
圆心
立体
实验
布局
浮动
外部
参照
网格
多线
显示
缩放
特性
编组
门厅
源点
附着
光源
图片
一圆
基点
SolidEdge
教程
属性
10.3
有的
弧段
正交
栅格
及图
文章排序
时间
标题
热度
留言
随机
熟识三菱PLC编程基本指令
自动
采用
如图
标注
可以
用于
东莞横沥CNC数控编程25种UG操作技巧
图纸
选择
尺寸
可以
标注
螺纹
黄金VIP免费
天正建筑2013_32bit软件下载
标注
三维
黄金VIP免费
天正建筑2013_64bit软件下载
标注
三维
ProE工程图教程-导向套工程图创建案例
标注
公差
选项
对话框
视图
ProE工程图教程-油管工程图创建案例
标注
如图
视图
选项
ProE工程图教程-耳环工程图创建案例
标注
公差
对话框
选项
ProE工程图教程-活塞工程图创建案例
视图
如图
公差
基准
标注
Pro/E工程图教程-(17)杆体工程图创建案例
公差
标注
基准
如图
对话框
ProE工程图教程-装配图创建案例
公差
选择
如图
标注
点击
Pro/E样条曲线标注尺寸方法(图文教程)
标注
曲线
半径
Pro/E工程图教程-(7)高级标注(图文教程)
教程
标注
Pro/E工程图教程-(14)耳环零件图创建(图文教程)
标注
公差
对话框
选项
Pro/E软件如何精确控制样条曲线标注尺寸方法
标注
曲线
半径
Creo工程图导出CAD文件设置(图文教程)
图纸
导出
图元
比例
标注
CAXA尺寸驱动(图文教程)
尺寸
标注
选择
利用Pro/E软件和CAXA软件绘制连接件工程图(附图纸)(图文教程) ...
标注
二维
序号
零件
如何设置中望CAD中的标注单位?(图文教程)
我们
标注
然后
设置
浩辰ACAD平台给排水软件IGp6.5(图文教程)
标高
管道
软件
标注
浩辰CAD教程_尺寸标注(图文教程)
标注
尺寸
螺纹
我们
功能
浩辰CAD2011机械_(2)实际功能应用(图文教程)
可以
标注
我们
绘制
浩辰CAD211机械_(5)旋转支架绘制(图文教程)
可以
如图
我们
绘制
标注
浩辰CAD2011机械_(6)符号标注(图文教程)
标注
符号
CAD2011
教程
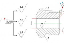
浩辰CAD2012-粗糙度符号动态块(图文教程)
粗糙度
符号
如图
标注
进行
浩辰CAD教程机械-摆动装置(图文教程)
标注
图纸
如图
浩辰CAD2011机械_(25)左堵头结合件设计(图文教程)
如图
标注
可以
绘制
我们
浩辰CAD2011机械_(41)焊接符号标注(图文教程)
标注
符号
CAD2011
CAXA电子图板之自动孔表与文字标注图文讲解
标注
文字
CAXA电子图板之坐标标注的图文讲解
坐标
标注
CAXA电子图板之尺寸公差标注的图文讲解
公差
标注
尺寸
CAXA电子图板之尺寸标注图文讲解
标注
尺寸
CAXA电子图板之大圆弧标注的图文讲解
圆弧
标注
1
2
3
4
5
首页
发布
用户中心
积分充值
开通会员
客服