首页
图纸下载
冲压模具
塑胶模具
数控编程
机械设备
家用电器
更多
软件下载
二维软件
三维软件
编程软件
CAE软件
系统软件
更多
图文资讯
软件应用
模具制造
机械制造
机械知识
平面设计
其他
软件安装
帮助中心
注册问题
登录问题
上传问题
下载问题
充值问题
更多
在线视频
新站课程
本站课程
在线问答
登录
注册
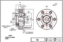
端盖
最新标签
HTML
入门
精通
摩托车
三轮
狂想
两栖
图文
作用
水泵
诱导
前置
视频
测试
咨询
售后
违规
注册
登录
充值
积分
流程
提现
编号
大小
提取
0167
XSSJUG
取值
旋切
毫米
按照
上传
退稿
稿件
无法
账号
注销
站上
qiufukang
右上角
绑定
下拉
帐号
原作者
以下简称
本站
协议
会员
其它
刀路
桃木
夹板
关联性
鸟瞰
文章
PAUSE
command
主视图
长度
RCDATA
计算
ID
开发
雕刻机
生成
注释
端盖
中设
标题
回到
外公切线
圆心
立体
实验
布局
浮动
外部
参照
网格
多线
显示
缩放
特性
编组
门厅
源点
附着
光源
图片
一圆
基点
SolidEdge
教程
属性
10.3
有的
弧段
正交
栅格
及图
文章排序
时间
标题
热度
留言
随机
solidworks创建端盖的方法步骤
端盖
步骤
创建
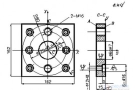
AutoCAD三维建模实例教程-端盖零件建模(图文教程)
建模
端盖
三维
教程
零件
CAD绘图技能实验(六)绘制端盖零件图(图文教程)
中设
箭头
端盖
注释
公差
端盖冲压成形工艺及模具设计
端盖
模具设计
成形
冲压
工艺
塑胶模具设计之应用很广的气缸端盖注塑模设计,建议收藏! ...
端盖
模具设计
塑胶
应用很广的气缸端盖塑胶模具设计案例详解
端盖
模具设计
塑胶
加工中心加工端盖编程实例(图文教程)
端盖
实例
加工
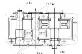
常见的减速机轴承间隙调整方法图文教程
间隙
端盖
1
首页
发布
用户中心
积分充值
开通会员
客服