首页
图纸下载
冲压模具
塑胶模具
数控编程
机械设备
家用电器
更多
软件下载
二维软件
三维软件
编程软件
CAE软件
系统软件
更多
图文资讯
软件应用
模具制造
机械制造
机械知识
平面设计
其他
软件安装
帮助中心
注册问题
登录问题
上传问题
下载问题
充值问题
更多
在线视频
新站课程
本站课程
在线问答
登录
注册
直径
最新标签
HTML
入门
精通
摩托车
三轮
狂想
两栖
图文
作用
水泵
诱导
前置
视频
测试
咨询
售后
违规
注册
登录
充值
积分
流程
提现
编号
大小
提取
0167
XSSJUG
取值
旋切
毫米
按照
上传
退稿
稿件
无法
账号
注销
站上
qiufukang
右上角
绑定
下拉
帐号
原作者
以下简称
本站
协议
会员
其它
刀路
桃木
夹板
关联性
鸟瞰
文章
PAUSE
command
主视图
长度
RCDATA
计算
ID
开发
雕刻机
生成
注释
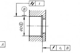
端盖
中设
标题
回到
外公切线
圆心
立体
实验
布局
浮动
外部
参照
网格
多线
显示
缩放
特性
编组
门厅
源点
附着
光源
图片
一圆
基点
SolidEdge
教程
属性
10.3
有的
弧段
正交
栅格
及图
文章排序
时间
标题
热度
留言
随机
用ProE设计抽油机部件
如图
绘制
直径
选择
一种支座零件的Pro/E零件建模教程(图文教程)
零件
命令
拉伸
直径
创建
Pro/E渐开线圆柱蜗杆教程(图文教程)
直径
如图
中望CAD怎么用缩放命令来放大圆形(图文教程)
缩放
直径
如图
命令
如何在CAD中设置则自动标上直径符号“Φ”(图文教程)
标注
符号
直径
图中
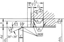
数控刀具代码参数所表示的含义,数控人都要知道
直径
加工
设计培训
你知道塑胶模具运水如何设计?
冷却
温度
直径
制品
十大模具设计经验技巧,看完就可以设计一套模具出来
水口
直径
流道
3D打印模具随形冷却水路的设计细
水路
冷却
模具
直径
超精密加工技术分享-直径仅为0.01毫米的钻孔加工是如何实现的? ...
加工
毫米
直径
镍线直径的允许偏差和抗拉强度(图文教程)
偏差
直径
使用垫密封和法兰应注意的事项(图文教程)
采用
直径
螺纹
装配式旋转轴唇形油封尺寸系列 (GB/T 13871-1992)(图文教程)
尺寸
直径
外径
外露骨架旋转轴唇形油封尺寸系列(GB/T 13871-1992)(图文教程)
尺寸
直径
公差
内包骨架旋转轴唇形油封尺寸系列(GB/T13871-1992)(图文教程)
尺寸
0.5
直径
C型液压活塞杆用防尘圈的沟槽型式、尺寸及公差(GB/T6578-1986)(图文教程) ...
尺寸
0.5
直径
J形橡胶密封圈相关件尺寸(图文教程)
尺寸
直径
卷筒与钢丝绳直径的关系(图文教程)
采用
直径
弯曲
轴向密封沟槽尺寸(GB/T3452.3-1988)(图文教程)
结构
尺寸
直径
O形橡胶密封圈尺寸系列(GB/T 3452.1-1992)(图文教程)
尺寸
直径
PS合成蜗牛背上的梦幻房子教程(图文教程)
选择
直径
形状
O形圈沟槽尺寸公差及沟槽深度尺寸(GB/T 3452.3-1988)(图文教程)
尺寸
直径
公差
轴(杆)直径与密封填料宽度的关系(图文教程)
直径
过盈联接传递载荷所需的最小过盈量(图文教程)
直径
最小
考虑
渐开线花键的参数计算示例(图文教程)
0.5
直径
最小
油沟和油孔的推荐尺寸(图文教程)
尺寸
0.5
直径
自润滑关节轴承的结构型式(图文教程)
结构
形状
直径
薄型楔键型式及键槽尺寸(GB/T16922-1997)(图文教程)
尺寸
直径
型式
楔键和键槽的截面尺寸及公差(GB/T 1563-1979)(图文教程)
尺寸
0.5
直径
薄型平键型式尺寸(GB/T1567-1979)(图文教程)
一般
尺寸
直径
圆锥形轴伸大端处键槽深度尺寸(GB/T1570-1990)(图文教程)
尺寸
直径
深度
长系列f220mm以上圆锥形轴伸(GB/T1570-1990)(图文教程)
直径
以上
1
2
首页
发布
用户中心
积分充值
开通会员
客服