零件是组成机械设备的基本元素,多么复杂的机械产品都是由零件组合而成。本文分享一种支座零件的Pro/E零件建模教程。
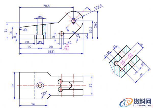
1、零件二维图及尺寸如下所示:

2、启动Pro/E软件。

3、新建零件,输入名称。

4、选取单位,以mm为单位。


6、草绘零件轮廓。

7、完成草绘后,输入拉伸长度35mm.

8、再次使用“拉伸”命令,草绘如下图所示:

9、完成草绘后,输入拉伸长度5mm,并点选对话框中的”去除材料“图标。

10、用“镜像”命令将对面的部分也创建出。

11、用“倒角”命令创建出135度斜角、

12、用”拉伸“命令去除材料的方法切出中间10mm的槽。

13、用”拉伸“命令去除材料的方法切出中间两个圆弧槽。

14、用“打孔”命令创建出侧面直径为5mm的孔。

15、同样,用“打孔”命令创建出另外侧面直径为5mm和直径为7mm的孔。

16、同样,用“打孔”命令创建出底面直径为5mm孔和直径为9mm的沉孔。


17、大功告成,一个支座零件创建完成。


免责声明:
1;所有标注为智造资料网zl.fbzzw.cn的内容均为本站所有,版权均属本站所有,若您需要引用、转载,必须注明来源及原文链接即可,如涉及大面积转载,请来信告知,获取《授权协议》。
2;本网站图片,文字之类版权申明,因为网站可以由注册用户自行上传图片或文字,本网站无法鉴别所上传图片或文字的知识版权,如果侵犯,请及时通知我们,本网站将在第一时间及时删除,相关侵权责任均由相应上传用户自行承担。
[complaint:内容投诉]
智造资料网打造智能制造3D图纸下载,在线视频,软件下载,在线问答综合平台 » 一种支座零件的Pro/E零件建模教程(图文教程)
1;所有标注为智造资料网zl.fbzzw.cn的内容均为本站所有,版权均属本站所有,若您需要引用、转载,必须注明来源及原文链接即可,如涉及大面积转载,请来信告知,获取《授权协议》。
2;本网站图片,文字之类版权申明,因为网站可以由注册用户自行上传图片或文字,本网站无法鉴别所上传图片或文字的知识版权,如果侵犯,请及时通知我们,本网站将在第一时间及时删除,相关侵权责任均由相应上传用户自行承担。
[complaint:内容投诉]
智造资料网打造智能制造3D图纸下载,在线视频,软件下载,在线问答综合平台 » 一种支座零件的Pro/E零件建模教程(图文教程)

