首页
图纸下载
冲压模具
塑胶模具
数控编程
机械设备
家用电器
更多
软件下载
二维软件
三维软件
编程软件
CAE软件
系统软件
更多
图文资讯
软件应用
模具制造
机械制造
机械知识
平面设计
其他
软件安装
帮助中心
注册问题
登录问题
上传问题
下载问题
充值问题
更多
在线视频
新站课程
本站课程
在线问答
登录
注册
格式
最新标签
HTML
入门
精通
摩托车
三轮
狂想
两栖
图文
作用
水泵
诱导
前置
视频
测试
咨询
售后
违规
注册
登录
充值
积分
流程
提现
编号
大小
提取
0167
XSSJUG
取值
旋切
毫米
按照
上传
退稿
稿件
无法
账号
注销
站上
qiufukang
右上角
绑定
下拉
帐号
原作者
以下简称
本站
协议
会员
其它
刀路
桃木
夹板
关联性
鸟瞰
文章
PAUSE
command
主视图
长度
RCDATA
计算
ID
开发
雕刻机
生成
注释
端盖
中设
标题
回到
外公切线
圆心
立体
实验
布局
浮动
外部
参照
网格
多线
显示
缩放
特性
编组
门厅
源点
附着
光源
图片
一圆
基点
SolidEdge
教程
属性
10.3
有的
弧段
正交
栅格
及图
文章排序
时间
标题
热度
留言
随机
转换通用格式个数?以及收费
格式
网站不接收图纸类型以及格式
文件
图纸
模型
格式
网站
PROE建模及工程图,标题栏,明细表,格式使用方法(图文教程)
设置
文件
模板
参数
格式
PRO/E里打开Autocad实体图教程
文件
打开
AutoCAD
格式
creo完整制作工程图格式和模板(图文教程)
下图
绘制
文件
模板
格式
Pro/E|creo制作工程图格式和模板(图文教程)
定义
文件
格式
模板
creo软件制作工程图格式和模板的方法与过程
模板
格式
用Pro/E|creo软件制作工程图格式和模板方法
模板
格式
软件
CAXA实体设计教程_15.数据交换(图文教程)
曲面
设计
格式
实体
选择
浩辰CAD8教程之一:DWS格式文件的保存与读取(图文教程)
教程
保存
之一
格式
浩辰CAD2013之九十五:多种样式打印CAD文件(图文教程)
CAD
格式
文件
编辑Solidwork图纸格式操作方法
图纸
编辑
格式
中望CAD如何生成其他格式文件(图文教程)
生成
格式
文件
中望CAD格式刷命令符格式刷怎么用(图文教程)
格式
命令
教程
中望CAD中的格式刷功能怎么使用?(图文教程)
格式
功能
使用
教程
CAD文件转成图片格式(图文教程)
格式
文件
教程
图片
CAD新技术-轻量级数据格式(图文教程)
格式
轻量级
浏览
数据
供应商
数控编程代码及其使用方法—「UG编程」
工件
圆弧
格式
坐标
机械制图与CAD制图规范(图文教程)
图纸
格式
制图
机械制图-图纸幅面和图框格式(GB/T-14689-1993)(图文教程) ...
制图
图纸
格式
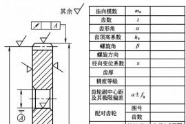
机械制图--齿轮的图样格式(GB/T 4459.2—2003)(图文教程)
制图
齿轮
格式
机械制图--弹簧的图样格式(GB/T 4459.4—2003)(图文教程)
制图
格式
1
首页
发布
用户中心
积分充值
开通会员
客服