(1)图纸幅面尺寸
图纸幅面
表1-1 图纸幅面尺寸
面代号 | A0 | A1 | A2 | A3 | A4 | |
幅面尺寸(B×L) | 841×1189 | 594×841 | 420×594 | 297×420 | 210×297 | |
周边尺寸 | e | 20 | 10 | |||
| c | 10 | 5 | ||||
| a | 25 | |||||
本幅面代号分别为A0、A1、A2、A3、A4五种,基本幅面尺寸间的关系如下如图1-1所示。

图纸也可以按图1-1
基本幅面尺寸间的关系规定加长图纸的幅面,加长幅面的尺寸由基本幅面的短边成整数倍增加后得出。如果将A3幅面加长2倍;将A4幅面加长2倍,其图纸的大小如图1-2所示。

图1-2 加长图纸的幅面
(2)在图纸幅面内必须绘制图框线和标题栏
图框格式分为留装订边的图框格式和不留装订边的图框格式两种形式,如图1-3所示。

图1-3 图框格式
图纸也可以横放或竖放,如同1-4所示。

图1-4 图纸的横放或竖放
(3)标题栏
通常标题栏位于图框的右下角,看图的方向应与标题栏的方向一致。
GB/T10609.1-1989《技术制图标题栏》规定了两种标题栏格式,图1-5是第一种标题栏的格式及分栏,这种格式与ISO7200-1984相一致。

图1-5 标题栏格式、分栏及尺寸
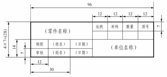
作为在校学习期间,建议采用图1-6所示的简易的标题栏格式。

图1-6 标题栏格式
该文章所属专题:AutoCAD机械制图教程
免责声明:
1;所有标注为智造资料网zl.fbzzw.cn的内容均为本站所有,版权均属本站所有,若您需要引用、转载,必须注明来源及原文链接即可,如涉及大面积转载,请来信告知,获取《授权协议》。
2;本网站图片,文字之类版权申明,因为网站可以由注册用户自行上传图片或文字,本网站无法鉴别所上传图片或文字的知识版权,如果侵犯,请及时通知我们,本网站将在第一时间及时删除,相关侵权责任均由相应上传用户自行承担。
[complaint:内容投诉]
智造资料网打造智能制造3D图纸下载,在线视频,软件下载,在线问答综合平台 » 机械制图-图纸幅面和图框格式(GB/T-14689-1993)(图文教程) ...
1;所有标注为智造资料网zl.fbzzw.cn的内容均为本站所有,版权均属本站所有,若您需要引用、转载,必须注明来源及原文链接即可,如涉及大面积转载,请来信告知,获取《授权协议》。
2;本网站图片,文字之类版权申明,因为网站可以由注册用户自行上传图片或文字,本网站无法鉴别所上传图片或文字的知识版权,如果侵犯,请及时通知我们,本网站将在第一时间及时删除,相关侵权责任均由相应上传用户自行承担。
[complaint:内容投诉]
智造资料网打造智能制造3D图纸下载,在线视频,软件下载,在线问答综合平台 » 机械制图-图纸幅面和图框格式(GB/T-14689-1993)(图文教程) ...

