首页
图纸下载
冲压模具
塑胶模具
数控编程
机械设备
家用电器
更多
软件下载
二维软件
三维软件
编程软件
CAE软件
系统软件
更多
图文资讯
软件应用
模具制造
机械制造
机械知识
平面设计
其他
软件安装
帮助中心
注册问题
登录问题
上传问题
下载问题
充值问题
更多
在线视频
新站课程
本站课程
在线问答
登录
注册
加工 第18页
最新标签
HTML
入门
精通
摩托车
三轮
狂想
两栖
图文
作用
水泵
诱导
前置
视频
测试
咨询
售后
违规
注册
登录
充值
积分
流程
提现
编号
大小
提取
0167
XSSJUG
取值
旋切
毫米
按照
上传
退稿
稿件
无法
账号
注销
站上
qiufukang
右上角
绑定
下拉
帐号
原作者
以下简称
本站
协议
会员
其它
刀路
桃木
夹板
关联性
鸟瞰
文章
PAUSE
command
主视图
长度
RCDATA
计算
ID
开发
雕刻机
生成
注释
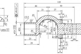
端盖
中设
标题
回到
外公切线
圆心
立体
实验
布局
浮动
外部
参照
网格
多线
显示
缩放
特性
编组
门厅
源点
附着
光源
图片
一圆
基点
SolidEdge
教程
属性
10.3
有的
弧段
正交
栅格
及图
文章排序
时间
标题
热度
留言
随机
Mastercam教程-10.五轴加工刀具路径(图文教程)
教程
路径
加工
工艺孔在机械设计加工中的重要性(图文教程)
加工
工艺
教程
铰孔加工十大难题及十大解决方案(图文教程)
加工
加工齿轮槽如何做到事半功倍?(图文教程)
齿轮
加工
不完整球面零件原来还能这样加工(图文教程)
加工
激光切割时都有哪些常见的加工缺陷及解决方法
缺陷
加工
浅谈微细工电火花加工实例与未来发展前景
加工
直线
如何快速提高机械加工精度教程
加工
工件
线切割的操作规范及流程说明
工件
加工
一次能加工3件!带肩不锈钢螺母如何实现数控多件加工解析? ...
加工
工件
坐标系
如何开发以及探索数控机床功能讲解
加工
功能
程序
浅谈机械加工件成本核算的方法及预算
加工
一般
收取
避免毛刺的基本措施教程
加工
零件
生成
15条小常识教你快速选择刀具
加工
选择
机械加工时不完全定位解析图
工件
定位
加工
经验丰富的CNC师傅总结出来的加工经验
加工
机械孔加工技术图文教程
加工
数控车削加工薄壁零件的技巧教程
数控
零件
加工
齿轮泵壳体孔的加工方法及夹具设计图文讲解
分度
加工
圆柱
那些你不知道的现代模具制造技术有哪些
模具
技术
制造
加工
成形
五大钻孔加工的关键问题
加工
问题
常用数控机床加工精度的基本知识
常用
加工
浅谈铰孔加工
加工
钣金件的制造加工工艺及设计流程
加工
冲孔
如何选择逆铣顺铣
工件
加工
车加工车刀刃面角口诀
口诀
加工
激光切割、等离子切割、线切割、水切割加工
加工
工装在烟草机零件加工中的应用要求
零件
要求
加工
14
15
16
17
18
首页
发布
用户中心
积分充值
开通会员
客服