摘要:带柄不完整球面可以利用数控车床加工,但存在效率低、成品率不高的问题,为此利用立式铣床,通过旋风铣加工方案较好地解决了这一技术问题,加工质量和效率也得到了明显提高。
半球型折角塞门是铁道机车车辆风制动系统的重要配件,产品消耗量大,密封性能和闭合动作要求准确、可靠。阀芯作为其中的一个关键零件,其加工精度的高低,将直接影响产品的使用性能。阀芯制造时,由于在零件的中部带有一个不完整球面,给加工带来了困难。针对阀芯球面利用数控车床加工时存在效率低、加工表面质量不高的问题,设计了在普通立式铣床上专用的旋风铣装置,取得了较好的效果。
1.阀芯结构分析
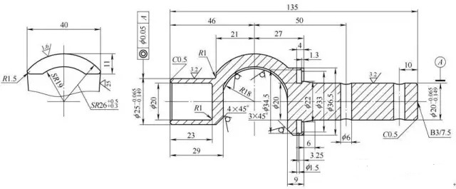
阀芯材质为铝青铜ZQAL9-4,强度、耐磨性、耐蚀性及铸造性均良好,整体为杆类结构,中部有不完整球面,用于阀门的开启与闭合,半球右端面上的沟槽用于安装橡胶密封垫,阀芯的左端沉孔用来安装弹簧进行复位之用。图1所示为阀芯的结构尺寸要求。

图1 阀芯结构尺寸要求
为了直观地分析产品结构特点,画出阀芯三维结构如图2所示。

图2 阀芯三维结构图
从图2可以看出,阀芯球面结构不完整,约为整球的1/3,采用车削加工时为断续切削,由此产生的离心力将导致机床运转不平稳,影响切削加工精度及表面质量。
2.数控车床半球加工轨迹及程序编制
阀芯加工时,先通过普通卧式车床按图1要求将φ(25-0.065 -0.149)mm外圆及根部圆角R1mm加工到位。选用的数控车床型号为CAK6150C,数控系统为KND。加工时用三爪自定心卡盘夹持已加工好的φ25mm外圆,尾部顶尖顶紧,分粗、精车二次完成。粗车的切削余量为3mm,预留0.5mm加工量,待精加工时加工到尺寸要求。
阀芯数控加工的运动轨迹如图3所示,其中O1为杆身及正向圆弧部分坐标原点,O2为反向圆弧部分坐标原点。

图3 阀芯加工运动轨迹
根据加工轨迹生成如下加工程序:
O0001
(1)粗加工杆身及正向圆弧部分
T0101
N10 G99 M03 S900
N12 M08
N14 G0 X30 Z0
N16 G01 X-1.0 F0.15
N18 G0 X20.5 W1.0
N20 G01 Z-56.0 F0.2
N22 G01 X22.0 W-6
N24 G01 X37.0
N26 G01 W-7.92
N28 G03 X59.0 Z-89 R26.4
N30 G01 W-1.0 F0.2
N32 G0 X200 Z200
(2)精加工杆身及正向圆弧部分
T0202
N10 G99 M03 G900
N12 M08
N14 G0 X19.0 Z2.0
N16 G01 Z0 F0.15
N18 G01 X19.9 W-0.5
N20 G01 Z-56.0
N22 G01 X22 W-6
N24 G01 X35.5
N26 G01 X36.5 W-0.5
N28 G01 W-7.92
N30 G03 X58.5 Z-89 R26.4
N32 G01 W-1.0 F0.2
N34 G0 X200 Z200
(3)粗、精加工反向圆弧部分
T0303
N10 G99 M03 S900
N12 M08
N14 G0 X150 Z-2.0
N16 G0 X37.0
N18 G01 Z0 F0.15
N20 G02 X59.0 Z21 R26.4
N22 G0 X150
N24 G0 Z-2.0
N26 G0 X36.5
N28 G01 Z0 F0.15
N30 G02 X58.5 Z21 R26.4
N32 G01 W1.0 F0.2
N34 G0 X200
N36 G0 Z200
N38 M09
N40 M30
数控车床加工时,被加工件球面不完整,机床运转时有离心力,转速不宜过高,加之数控加工圆弧面时采用了插补原理,使得加工效率不高,表面质量难以达到使用要求。
3.旋风铣球面加工原理
针对数控加工存在的问题,设计出铣床用于旋风铣球面的加工装置。实际加工时,将分度头置于工作台上,利用分度头卡盘将工件小端夹牢,另一端沉孔处配堵头,并用顶尖顶住。机床主轴(连同旋风铣装置)偏转一个角度α(后面另有计算),开动铣床,使主轴旋转,同时手摇分度头手柄均匀旋转,利用铣刀刀尖在围绕轴心旋转的工件上铣削完成,即运用包络法原理加工出球面。
工件加工时的三维立体效果如图4所示。

图4 旋风铣加工球面三维立体效果图
4.主轴偏转角及对刀尺寸计算
采用旋风铣装置加工球面时,机床主轴需偏转一个角度α,根据图5所示的旋风铣加工原理图进行如下计算。

图5 旋风铣加工原理图

5.旋风铣加工装置的设计
旋风铣加工装置主要由刀片4、对刀块2及刀体1等零件组成,具体结构如图6所示。刀体的锥柄部分装入铣床主轴锥孔内,刀体下部开有两条5.2mm×10mm的导槽,用于安装刀片。两刀尖的距离应为球面的弦长尺寸(后面另有计算),必须严格保证。调整时,将对刀块装入刀体定位孔内,用六角头螺栓5进行紧固,当两刀片贴靠到对刀块定位圆柱面后,用内六角头螺栓3对刀片进行紧固。刀片紧固后,可松开六角头螺栓5,取出对刀块。

图6 旋风铣装置装配图
1. 刀体 2.对刀块
3.内六角螺栓M8×16 4. 刀片 5.六角螺栓M12×55
根据以上原理,设计出刀体的结构,如图7所示。

图7 刀体
图8所示为对刀块的具体结构。

图8 对刀块
按照以上设计参数调整机床与刀具的正确位置后进行加工,选择二次进刀,粗加工时切削深度为3mm,主轴转速为600 r/min,粗加工后球面的单边留量为0.5mm,以保证刀尖不易磨损,同时得到所要求的加工表面粗糙度值;精加工时的主轴转速为950r/min,操作时注意手摇分度头时应尽量均匀一致。实践证明,采用旋风铣削加工工艺后,效率得到明显提高,加工精度满足产品图样要求。
6.结语
采用旋风铣加工工艺后,阀芯球面的加工效率和精度较数控加工有了明显提高,产品质量达到了使用要求。具体优点是:①生产效率得到提高。原来在数控车床加工一件阀芯约需30min,现在利用旋风铣工艺只需10min即可完成,工效提高了三倍。②加工精度满足了使用要求。原来加工后的工件其表面加工纹理沿圆周分布,且沟槽较明显,表面粗糙度值Ra=6.3цm,现在生产的工件加工纹理呈圆弧状,在阀芯处于关闭状态时,密封性良好,表面粗糙度值Ra=1.6цm,确保了阀门的使用要求。③克服了不完整球面车削加工时断续切削和离心力引起的机床跳动、运转不平稳等弊端。该装置结构简单、操作方便、使用快捷及成本低廉,实用性强,对同类产品的加工具有一定的借鉴作用。
本文发表于《金属加工(冷加工)》2016年19期34-37页
作者:太原机车车辆配件厂田建忠
1;所有标注为智造资料网zl.fbzzw.cn的内容均为本站所有,版权均属本站所有,若您需要引用、转载,必须注明来源及原文链接即可,如涉及大面积转载,请来信告知,获取《授权协议》。
2;本网站图片,文字之类版权申明,因为网站可以由注册用户自行上传图片或文字,本网站无法鉴别所上传图片或文字的知识版权,如果侵犯,请及时通知我们,本网站将在第一时间及时删除,相关侵权责任均由相应上传用户自行承担。
[complaint:内容投诉]
智造资料网打造智能制造3D图纸下载,在线视频,软件下载,在线问答综合平台 » 不完整球面零件原来还能这样加工(图文教程)

