首页
图纸下载
冲压模具
塑胶模具
数控编程
机械设备
家用电器
更多
软件下载
二维软件
三维软件
编程软件
CAE软件
系统软件
更多
图文资讯
软件应用
模具制造
机械制造
机械知识
平面设计
其他
软件安装
帮助中心
注册问题
登录问题
上传问题
下载问题
充值问题
更多
在线视频
新站课程
本站课程
在线问答
登录
注册
教程 第49页
最新标签
HTML
入门
精通
摩托车
三轮
狂想
两栖
图文
作用
水泵
诱导
前置
视频
测试
咨询
售后
违规
注册
登录
充值
积分
流程
提现
编号
大小
提取
0167
XSSJUG
取值
旋切
毫米
按照
上传
退稿
稿件
无法
账号
注销
站上
qiufukang
右上角
绑定
下拉
帐号
原作者
以下简称
本站
协议
会员
其它
刀路
桃木
夹板
关联性
鸟瞰
文章
PAUSE
command
主视图
长度
RCDATA
计算
ID
开发
雕刻机
生成
注释
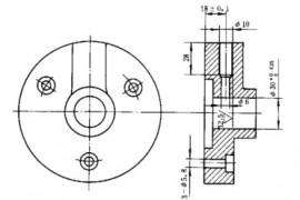
端盖
中设
标题
回到
外公切线
圆心
立体
实验
布局
浮动
外部
参照
网格
多线
显示
缩放
特性
编组
门厅
源点
附着
光源
图片
一圆
基点
SolidEdge
教程
属性
10.3
有的
弧段
正交
栅格
及图
文章排序
时间
标题
热度
留言
随机
弹簧制造流程(图文教程)
流程
制造
教程
装配工艺设计注意事项(图文教程)
装配
工艺
教程
连接设计要注意的问题(图文教程)
教程
问题
3D打印一把小提琴(图文教程)
打印
教程
滚动轴承的装配(JB/T 5000.10—1998)(图文教程)
装配
教程
液压传动教程2-液压动力元件(图文教程)
教程
带和链传动装配(图文教程)
装配
教程
液压传动教程3-液压执行元件(图文教程)
教程
3D打印如何用于模具制造行业(图文教程)
用于
打印
教程
Mastercam教程-2.二维零件设计及轮廓加工刀具路径(图文教程) ...
二维
教程
零件
Mastercam教程-1.MasterCAM的界面及快速操作(图文教程)
教程
界面
配管通用技术条件(图文教程)
教程
液压传动教程4-液压控制元件(图文教程)
教程
钻模的主要型式(图文教程)
型式
教程
Mastercam教程-3.挖槽刀具路径的应用(图文教程)
教程
路径
加工精密深孔的利器(图文教程)
加工
教程
液压传动教程5-液压辅助元件(图文教程)
教程
数控机床夹具设计PPT课件下载(图文教程)
教程
Mastercam教程-4.刀具路径的编辑(图文教程)
教程
路径
编辑
液压传动教程6-液压基本回路(图文教程)
教程
液压传动教程7-典型液压传动系统(图文教程)
教程
夹紧力作用点的确定(图文教程)
确定
教程
Mastercam教程-6.二维加工综合实例(图文教程)
二维
教程
实例
加工
Mastercam教程-5.线框模型设计及三维轮廓加工(图文教程)
三维
教程
模型
曲轴制造热工技术(图文教程)
制造
教程
减震器工作原理详解(图文教程)
教程
组合表面定位(图文教程)
定位
教程
看网友如何3D打印苍井空(图文教程)
打印
教程
科学家3D打印跑得超快的四足机器人(图文教程)
打印
教程
Mastercam教程-7.MasterCAM的曲面(图文教程)
教程
曲面
跑步机内部结构(图文教程)
结构
教程
机床夹具的组成(图文教程)
教程
47
48
49
50
51
首页
发布
用户中心
积分充值
开通会员
客服