第六章 液压基本回路
所谓基本回路就是能够完成某种特定控制功能的液压元件和管道的组合。例如用来调节液压泵供油压力的调压回路,改变液压执行元件工作速度的调速回路等都是常见的液压基本回路,所谓全局为局部之总和,因而熟悉和掌握液压基本回路的功能,有助于更好地分析、使用和设计各种液压传动系统。
第一节 压力控制回路
压力控制回路是利用压力控制阀来控制系统整体或某一部分的压力,以满足液压执行元件对力或转矩要求的回路,这类四路包括调压、减压、增压、卸荷和平衡等多种回路。
一、 调压回路
功用:使液压系统整体或部分的压力保持恒定或不超过某个数值。
在定量泵系统中,液压泵的供油压力可以通过溢流阀来调节。在变量泵系统中,用安全阀来限定系统的最高压力,防止系统过载。若系统中需要二种以上的压力,则可采用多级调压回路。
(1) 单级调压回路
如图4-16a所示,在液压泵1出口处设置并联的溢流阀2,即可组成单级调压回路,从而控制了液压系统的最高压力值。
(2) 二级调压回路
如图6-1a,可实现两种不同的压力控制。
(3) 多级调压回路如图6-1b所示的由溢流阀1、2、3分别控制系统的压力,从而组成了三级调压回路。在这种调压回路中,阀2和阀3的调定压力要小于阀1的调定压力,但阀2和阀3的调定压力之间没有什么一定的关系。
二、减压回路
减压回路的功用是使系统中的某一部分油路具有较低的稳定压力。最常见的减压回路通过定值减压阀与主油路相连,如图6-2所示。回路中的单向阀供主油路压力降低(低于减压阀调整压力)时防止油液倒流,起短时保压之用。减压回路中也可以采用类似两级或多级调压的方法获得两级或多级减压,图6-2b所示为利用先导型减压阀1的远控口接一远控溢流阀2,则可由阀1、阀2各调得一种低压,但要注意,阀2的调定压力值一定要低于阀1的调定压力值。
为了使减压回路工作可靠起见,减压阀的最低调整压力不应小于0.5Mpa,最高调整压力至少应比系统压力小 0.5MPa。当减压回路中的执行元件需要调速时,调速元件应放在减压阀的后面,以避免减压阀泄漏(指由减压阀泄油口流回油箱的油液)对执行元件的速度发生影响。
三、增压回路
当液压系统中的某一支油路需要压力较高但流量又不大的压力油,若采用高压泵不经济,或者根本就没有这样高压力的液压泵时,就要采用增压回路。
(1) 单作用增压缸的增压回路
如图6-3a所示,间歇增压
(2) 双作用增压缸增压回路
如图6-3b所示,连续增压
四、卸荷回路
卸荷回路的功用是在液压泵驱动电动机不频繁启闭的情况下,使液压泵在功率损耗接近于零的情况下运转,以减少功率损耗,降低系统发热,延长泵和电机的寿命。可分:流量卸荷和压力卸荷。
流量卸荷主要是使用变量泵,使泵仅为补偿泄漏而以最小流量运转,此方法比较简单,但泵仍处在高压状态下运行,磨损比较严重。
压力卸荷的方法是使泵在接近零压下运转,常见的压力卸荷方式有以下几种:
1)换向阀卸荷回路 M、H和K型中位机能的三位换向阀处于中位时,泵即卸荷,如图6-4所示为采用M型中位机能的电液换向阀的卸荷回路。这种回路切换时压力冲击小,但回路中必须设置单向阀,以使系统能保持0.3MPa左右的压力,供操纵控制油路之用。
(2)用先导型溢流阀卸荷的卸荷回路
图6-la中若去掉阀4,使先导型溢流阀的远程控制口直接与二位二通电磁阀相连,便构成一种用先导型溢流阀的卸荷回路。这种卸荷回路卸荷压力小,切换时冲击也小。
3)双泵供油回路中利用顺序阀作卸荷阀
在双泵供油回路中利用顺序阀作卸荷阀的卸荷方式,详见图6-19。
4).限压式变量泵的卸载回路
限压式变量泵的卸载回路为零流量卸载,如图所示,当液压缸3活塞运动到行程终点或换向阀2处于中位时,泵1的压力升高,流量减小,当压力接近压力限定螺钉调定的极限值时,泵的流量减小到只补充液压缸或换向阀的泄漏,回路实现保压卸载。系统中的溢流阀4作安全阀用,以防止泵的压力补偿装置的零漂和动作滞缓导致压力异常。
5)有蓄能器的卸载回路
图d是系统中有蓄能器的卸载回路。当回路压力到达卸载溢流阀2的调定值时,定量泵通过阀2卸载,由蓄能器3保持系统压力,补充系统泄漏;当回路压力下降低于卸荷溢流阀2的调定值时, 阀2关闭, 定量泵恢复向系统供油。
五、 保压回路
保压回路就是使系统在液压缸不动或仅有工件变形所产生的小位移下稳定地维持住压力。最简单的保压回路是使用密封性能较好的液控单向阀的回路,但是阀类元件处的泄漏使得这种回路的保压时间不能维持太久。常用的保压回路有:
(1)利用液压泵保压的保压回路
利用液压泵的保压回路也就是在保压过程中,液压泵仍以较高的压力(保压所需压力)工作。此时,若采用定量泵则压力油几乎全经溢流阀流回油箱,系统功率损失大,易发热,故只在小功率的系统且保压时间较短的场合下才使用;若采用变量泵,在保压时泵的压力较高,但输出流量几乎等于零。因而,液压系统的功率损失小。
(2)利用蓄能器的保压回路
如图6-5所示。
(3)自动补油保压回路
如图6-6所示
六、 平衡回路
平衡回路的功用在于防止垂直或倾斜放置的液压缸和与之相连的工作部件因自重而自行下落。
1) 为采用单向顺序阀的平衡回路。
图6-7a为采用单向顺序阀的平衡回路。这种回路当活塞向下快速运动时功率损失大,锁住时活塞和与之相连的工作部件会因单向顺序阀和换向阀的泄漏而缓慢下落;因此它只适用于工作部件重量不大、活塞锁住时定位要求不高的场合。
2)采用液控顺序阀的平衡回路
图6-7b为采用液控顺序阀的平衡回路。这种平衡回路的优点是只有上腔进油时活塞才下行,比较安全可靠,缺点是活塞下行时平稳性较差;因此这种回路适用于运动部件重量不很大,停留时间较短的液压系统中。
3)采用液控单向阀的平衡回路
如图所示。由于液控单向阀是锥面密封,泄漏量小,故其闭锁性能好,活塞能够较长时间停止不动。回油路上串联单向节流阀2,用于保证活塞下行运动的平稳。假如回油路上没有节流阀,活塞下行时液控单向阀1被进油路上的控制油打开:回油腔没有背压,运动部件由于自重而加速下降,造成液压缸上腔供油不足,液控单向阀1因控制油路失压而关闭。阀1关闭后控制油路又建立起压力,阀1再次被打开。液控单向阀时开时闭,使活塞在向下运动过程中产生振动和冲击。
第二节 速度控制回路
液压传动系统中速度控制回路包括调节液压执行元件的速度的调速回路、使之获得快速运动的快速回路、快速运动和工作进给速度以及工作进给速度之间的速度换接回路。
一、调速回路
调速是为了满足液压执行元件对工作速度的要求,在不考虑液压油的压缩性和泄漏的情况下,液压缸的运动速度为
液压马达的转速:
由以上两式可知,改变输入液压执行元件的流量q或改变液压缸的有效面积A(或液压马 达的排量VM)均可以达到改变速度的目的。但改变液压缸工作面积的方法在实际中是不现实的,因此,只能用改变进入液压执行元件的流量或用改变变量液压马达排量的方法来调速。为了改变进入液压执行元件的流量,可采用变量液压泵来供油,也可采用定量泵和流量控制阀,以改变通过流量阀流量的方法。用定量泵和流量问阀来调速时,称为节流拥速;用改变变量泵或变量液压马达的排量调速时,称为容积调速;用变量泵和流量阀来达到调速目的时,则称为容积节流调速。
(-)节流调速回路
节流调速回路的工作原理是通过改变回路中流量控制元件(节流阀和调速阀)通流截面积的大小来控制流入执行元件或自执行元件流出的流量,以调节其运动速度。根根流量阀在回路中的位置不同,分为进油节流调速、回油节流调速和旁路节流调速三种回路。前两种回路称为定压式节流调速回路,后一种由于回路的供油压力随负载的变化而变化又称为变压式节流调速回路。
1、 进油节流调速回路
(1)速度负载特性
缸稳定工作时有![]()
式中,P1为进油腔压力;P2为出油腔压力,P2=0;F为液压缸的负载;A1为液压缸无杆腔面积;A2为液压缸有杆腔面积,AT为节流阀通流面积。故
节流阀两端的压差为![]()
节流阀进入液压缸的流量为
液压缸的运动速度为
这种回路的调速范围较大,当AT调定后,速度随负载的增大而减小,故负载特性软。适用于低速轻载场合。
(2)最大承载能力![]()
(3)功率和效率
在节流阀进油节流调速回路中,液压泵的输出功率为
=常量,而液压缸的输出功率为
,所以该回路的功率损失为![]()
式中,qy为通过溢流阀的溢流量,qy=qp-q1
由上式可以看出,功率损失由两部分组成,即溢流损失功率和节流损失功率。
(4)回路效率为
由于存在两部分的功率损失,故这种调速回路的效率较低。当负载恒定或变化很小时,η可达0.2-0.6;当负载变化时,回路的最大效率为0.385。
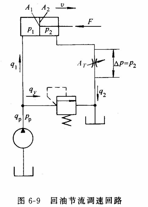
2、回油节流调速回路
(1)速度负载特性
式中,P1为进油腔压力;P2为出油腔压力,P2=0;F为液压缸的负载;A1为液压缸无杆腔面积;A2为液压缸有杆腔面积,AT为节流阀通流面积。
比较式(6-5)和式(6-3)可以发现,回油路节流调速和进油路节流调速的速度负载特性以及速度刚性基本相同,若液压缸两腔有效面积相同(双出杆液压缸),那么两种节流调速回路的速度负载特性和速度刚度就完全一样。因此对进油路节流调速回路的一些分析对回油路节流调速回路完全适用。
(2)最大承载能力
回油路节流调速的最大承载能力与进油路节流调速相同,即![]()
(3)功率和效率
(4)回路效率为
液压泵的输出功率与进油路节流调速相同,即
=常量,液压缸的输出功率为![]()
回路的功率损失为
因此可以认为进油节流调速回路的效率和回油节流调速回路的效率相同。但是,应当指出,在回油节流调速回路中,液压缸工作腔和回油腔的压力都比进油节流调速回路高,特别是在负载变化大,尤其是当F=0时,回油腔的背压有可能比液压泵的供油压力还要高,这样会使节流功率损失大大提高,且加大泄漏,因而其效率实际上比进油调速回路要低。
进油与回油路节流调速回路不同之处:
(1)承受负值负载的能力 回油节流调速回路的节流阀使液压缸回油腔形成一定的背压,在负值负载时,背压能阻止工作部件的前冲,而进油节流调速由于回油腔没有背压力,因而不能在负值负载下工作。
(2)停车后的启动性能 长期停车后液压缸油腔内的油液会流回油箱,当液压泵重新向液压缸供油时,在回油节流调速回路中,由于进油路上没有节流阀控制流量,会使活塞前冲;而在进油节流调速回路中,由于进油路上有节流阀控制流量,故活塞前冲很小,甚至没有前冲。
(3)实现压力控制的方便性 进油节流调速回路中,进油腔的压力将随负载而变化,当工作部件碰到止挡块而停止后,其压力将升到溢流阀的调定压力,利用这一压力变化来实现压力控制是很方便的;但在回油节流调速回路中,只有回油腔的压力才会随负载而变化,当工作部件碰到止挡块后,其压力将降至零,虽然也可以利用这一压力变化来实现压力控制,但其可靠性差,一般均不采用。
(4)发热及泄漏的影响 在进油节流调速回路中,经过节流阀发热后的液压油将直接进入液压缸的进油腔;而在回油节流调速回路中,经过节流阀发热后的液压油将直接流回油箱冷却。因此,发热和泄漏对进油节流调速的影响均大于对回油节流调速的影响。
(5)运动平稳性 在回油节流调速回路中,由于有背压力存在,它可以起到阻尼作用,同时空气也不易渗入,而在进油节流调速回路中则没有背压力存在,因此,可以认为回油节流调速回路的运动平稳性好一些;但是,从另一个方面讲,在使用单出杆液压缸的场合,无杆腔的进油量大于有杆腔的回油量。故在缸径、缸速均相同的情况下,进油节流调速回路的节流阀通流面积较大,低速时不易堵塞。因此,进油节流调速回路能获得更低的稳定速度。
为了提高回路的综合性能,一般常采用进油节流调速,并在回油路上加背压阀的回路,使其兼具两者的优点。
3.旁油路节流调速回路
如图6-10a所示的为采用节流阀的旁路节流调速回路,节流阀调节了液压泵溢回油箱的流量,从而控制了进入液压缸的流量,调节节流阀的通流面积,即可实现调速,由于溢流已由节流阀承担,故溢流阀实际上是安全阀,常态时关闭,过载时打开,其调定压力为最大工作压力的1.1-1.2倍,故液压泵工作过程中的压力完全取决于负载而不恒定,所以这种凋速方式又称变压式节流调速。
(1) 速度负载特性
(2) 最大承载能力
由图6-10b可知,速度负载特性曲线在横坐标上并不汇交,其最大承载能力随节流阀通流面积AT的增加而减小,即旁路节流调速回路的低速承载能力很差,调速范围也小。
(3) 功率和效率
旁路节流调速回路只有节流损失而无溢流损失,泵的输出压力随负载而变化,即节流损失和输入功率随负载而变化,所以比前两种调速回路效率高。
旁油路节流调速回路负载特性很软,低速承载能力又差,故其应用比前两种回路少,只用于高速、重载,对速度平稳性要求不高的较大功率系统中,如牛头刨床主运动系统、输送机械液压系统等。
4. 采用调速阀的节流调速回路
使用节流阀的节流调速回路,速度负载特性都比较"软",变载荷下的运动平稳性都比较差,为了克服这个缺点,回路中的节流阀可用调速阀来代替,由于调速阀本身能在负载变化的条件下保证节流阀进出油口间的压差基本不变,因而使用调速阀后,节流调速回路的速度负载特性将得到改善。调速阀的工作压差一般最小须0.5MPa,高压调速阀需1.0MPa左右。
(二)容积调速回路
容积调速回路是用改变泵或马达的排量来实现调速的。主要优点是没有节流损失和回流损失,因而效率高,油液温升小,适用于高速、大功率调速系统。缺点是变量泵和变量马达的结构较复杂,成本较高。
根据油路的循环方式,容积调速回路可以分为开式回路或闭式回路。在开式回路中液压泵从油箱吸油,液压执行元件的回油直接回油箱,这种回路结构简单,油液在油箱中能得到充分冷却,但油箱体积较大,空气和赃物易进入回路。在闭式回路中,执行元件的回油直接与泵的吸油腔相连,结构紧凑,只需很小的补油箱,空气和赃物不易进入回路,但油液的冷却条件差,先附设辅助泵补油、冷却和换油。补油泵的流量一般为主泵流量的10%~15%。
容积调速回路通常有三种基本形式:变量泵和定量液压执行元件组成的容积调速回路;定量泵和变量马达组成的容积调速回路;变量泵和变量马达组成的容积调速回路。
1. 变量泵和定量液压执行元件的容积调速回路
图6-11a的执行元件为液压缸,图6-11b中的执行元件为液压马达。
在图6-11a中,改变变量泵的排量即可调节活塞的运动速度v,2为安全阀,限制回路中的最大压力。若不考虑液压泵以外的元件和管道的泄漏,这种回路的活塞运动速度为
式中,qt为变量泵的理论流量;kl为变量泵的泄漏系数;其余符号意义同前。
将上式按不同的qt值作图,可得一组平行直线,如图6-12a所示。
由于变量泵有泄漏,活塞运动速度会随负载的加大而减小。负载增大至某值时,在低速下会出现活塞停止运动的现象(图6-12a中,F’点),这时变量泵的理论流量等于泄漏量,可见这种回路在低速下的承载能力是很差的。
在图6-11b所示的变量泵定量液压马达的调速回路中,若不计损失,调节变量泵的流量qp即可对马达的转速进行调节,同样当负载转矩恒定时,马达的输出转矩T和回路工作压力p都恒定不变,所以马达的输出功率P与转速成正比关系变化,故本回路的调速方式又称为恒转矩调速,回路的调速特性见图6-12b所示。
2.定量泵和变量马达的容积调速回路
如图6-13a所示的为由定量泵和变量马达组成的容积调速回路。
由于液压泵的转速和排量均为常数,当负载功率恒定时,马达输出功率PM和回路工作压力p都恒定不变,因为马达的输出转矩TM与马达的排量VM成正比,马达的转速则与VM成反比。所以这种回路称为恒功率调速回路,其调速特性如图6-13b所示。
3.变量泵和变量马达容积调速回路
如图6-14a所示为采用双向变量泵和双向变量马达的容积调速回路。
一般工作部件都在低速时要求有较大的转矩,因此,这种系统在低速范围内调速时,先将液压马达的排量调为最大(使马达能获得最大输出转矩),然后改变泵的输油量,当变量泵的排量由小变大,直至达到最大输油量时,液压马达转速亦随之升高,输出功率随之线性增加,此时液压马达处于恒转矩状态;若要进一步加大液压马达转速,则可将变量马达的排量由大调小,此时输出转矩随之降低,而泵则处于最大功率输出状态不变,故液压马达亦处于恒功率输出状态。
(三)容积节流调速回路
容积节流调速回路的工作原理是采用压力补偿型变量泵供油,用流量控制阀调定进入液压缸或由液压缸流出的流量来调节液压缸的运动速度,并使变量泵的输油量自动地与液压缸所需的流量相适应,这种调速回路没有溢流损失,效率较高,速度稳定性也比单纯的容积调速回路好,常用在速度范围大,中小功率的场合,例如组合机床的进给系统等。
1. 限压式变量泵和调速阀的容积节流调速回路
如图6-15a所示为由限压式变量泵和调速阀组成的容积节流联合调速回路。
图6-15b所示为调速回路的调速特性,由图可见,这种回路虽无溢流损失,但仍有节流损失,其大小与液压缸工作腔压力p1有关。液压缸工作腔压力的正常工作范围是
式中,Δp为保持调速阀正常工作所需的压差,一般应在0.5MPa以上。
当p1=p1max时,回路中的节流损失为最小。调速回路的效率为
泵的输出流量愈小,泵的压力就愈高;负载愈小,则上式中的压力p1便愈小。因而在速度小(qp小)、负载小(p1小)的场合下,这种调速回路效率就很低。
2.差压式变量泵和节流阀的容积节流调速回路
图6-16所示为差压式变量泵和节流阀组成的容积节流调速回路,该回路的工作原理与上述回路基本相似。
作用在液压泵定子上的力的平衡方程为
式中,A1、A2分别为控制缸无柱塞腔的面积和柱塞的面积;pp、p1分别为液压泵供油压力和液压缸工作腔压力;Fs为控制缸中的弹簧力。
节流阀前后压差Δp基本上由作用在泵控制柱塞上的弹簧力来确定的,由于弹簧刚度小,工作中伸缩量也很小,所以Fs基本恒定,则Δp也近似为常数,所以通过节流阀的流量就不会随负载而变化,这和调速阀的工作原理相似。因此,这种调速回路的性能和上述回路不相上下,它的调速范围也是只受节流阀调节范围的限制。此外,这种回路因能补偿由负载变化引起的泵的泄漏变化,因此它在低速小流量的场合使用性能尤佳。在这种调速回路中,不但没有溢流损失,而且泵的供油压力随负载而变化,回路中的功率损失也只有节流处压降Δp所造成的节流损失一项,因而它的效率较限压式变量泵和调速阀的调速回路要高,且发热少,这种回路的效率表达式为
这种回路宜用在负载变化大,速度较低的中、小功率场合,如某些组合机床的进给系统中。
二、快速运动回路
快速运动回路又称增速回路,其功用在于使液压执行元件获得所需的高速,以提高系统的工作效率或充分利用功率。
1.液压缸差动连接回路
如图6-17a所示的回路是利用二位三通换向阀实现的液压缸差动连接回路,这种连接方式,可在不增加液压泵流量的情况下提高液压执行元件的运动速度,但是,泵的流量和有杆腔排出的流量合在一起流过的阀和管路应按合成流量来选择,否则会使压力损失过大,泵的供油压力过大,致使泵的部分压力油从溢流阀溢回油箱而达不到差动快进的目的。
若设液压缸无杆腔的面积为Al,有杆腔的面积为A2,液压泵的出口至差动后合成管路前的压力损失为Δpi,液压缸出口至合成管路前的压力损失为Δp0。,合成管路的压力损失为Δpc, 如图6-17b所示,则液压泵差动快进时的供油压力pp可由力平衡方程求得,如A1=2A2,即
其中,F为差动快进时的负载
2.采用蓄能器的快速运动回路
如图6-18所示为采用蓄能器的快速运动回路,采用蓄能器的目的是可以用流量较小的液压泵。
3.双泵供油回路
图6-19所示为双泵供油快速运动回路,图中l为大流量泵,用以实现快速运动;2为小流量泵,用以实现工作进给。
这种双泵供油回路的优点是功率损耗小,系统效率高,应用较为普遍,但系统也稍复杂一些。
4.用增速缸的快速运动回路
如图6-20所示为采用增速缸的快速运动回路
这种回路常被用于液压机的系统中。
三、速度换接回路
速度换接回路的功能是使液压执行机构在一个工作循环中从一种运动速度变换到另一种运动速度,因而这个转换不仅包括液压执行元件快速到慢速的换接,而且也包括两个慢速之间的换接。实现这些功能的回路应该具有较高的速度换接平稳性。
1. 快速与慢速的换接回路
图 6-17和图 6-20所示的快速运动回路都可以使液压缸的运动由快速转换为慢速。图6-21所示的为用行程阀来实现快慢速换接的回路。
这种回路的快慢速换接过程比较平稳,换接点的位置比较准确。缺点是行程阀的安装位置不能任意布置,管路连接较为复杂。若将行程阀改为电磁阀,安装连接比较方便,但速度换接的平稳住、可靠性以及换向精度都较差。
2.两种慢速的换接回路
图6-22所示为用两个调速阀来实现不同工进速度的换接回路。图6-22a中的两个调速阀并联,由换向阀实现换接。这种回路不宜用于在工作过程中的速度换接,只可用在速度预选的场合。图6-22b所示为两调速阀串联的速度换接回路。
第三节 多缸工作控制回路
在液压系统中,如果由一个油源给多个液压缸输送压力油,这些液压缸会因压力和流量的彼此影响而在动作上相互牵制,必须使用一些特殊的回路才能实现预定的动作要求。
一、 顺序动作回路
顺序动作回路的功用是使多缸液压系统中的各个液压缸严格地按规定的顺序动作。按控制方式不同,可分为行程控制和压力控制两大类。
1.行程控制的顺序动作回路
图6-23a所示为行程阀控制的顺序动作回路。这种回路工作可靠,但动作顺序一经确定再改变就比较困难,同时管路长,布置较麻烦。
图6-23b所示为由行程开关控制的顺序动作回路。这种回路的优点是控制灵活方便,但其可靠程度主要取决于电气元件的质量。
2.压力控制的顺序动作回路
图6-24所示为一使用顺序阀的压力控制顺序动作回路。显然这种回路动作的可靠性取决于顺序阀的性能及其压力调定值,即它的调定压力应比前一个动作的压力高出0.8~1.0MPa,否则顺序阀易在系统压力脉冲中造成误动作。由此可见,这种回路适用于液压缸数目不多、负载变化不大的的场合。其优点是动作灵敏,安装连接较方便;缺点是可靠性不高,位置精度低。
二、同步回路
同步回路的功用是保证系统中的两个或多个液压缸在运动中的位移量相同或以相同的速度运动。从理论上讲,对两个工作面积相同的液压缸输入等量的油液即可使两液压缸同步,但泄漏、摩擦阻力、制造精度、外负载、结构弹性变形以及油液中的含气量等因素都会使同步难以保证,为此,同步回路要尽量克服或减少这些因素的影响,有时要采取补偿措施,消除累积误差。
1.带补偿措施的串联液压缸同步回路
如图6-25所示为两液压缸串联同步回路。液压缸1的有杆腔A的有效面积与液压缸2的无杆腔B的面积相等。因而从A腔排出的油液进入B腔后,两液压缸的升降便得到同步。但是两缸连通腔处的泄漏会使两个活塞产生同步位置误差。而补偿措施使同步误差在每一次下行运动中及时消除,以避免误差的累积。这种回路只适用于负载较小的液压系统。
2.用同步缸或同步马达的同步回路
图6-26a为采用同步缸的同步回路,同步缸A、B两腔的有效面积相等,且两工作缸面积也相同,则能实现同步。这种同步回路的同步精度取决于液压缸的加工精度和密封性,精度可达到98%~99%。由于同步缸一般不宜做得过大,所以这种回路仅适用于小容量的场合。
图6-26b为采用相同结构、相同排量的液压马达作为等流量分流装置的同步回路。这种同步回路的同步精度比节流控制的要高,由于所用同步马达一般为容积效率较高的柱塞式马达,所以费用较高。
三、 多缸快慢速互不干扰回路
多缸快慢速互不干扰回路的功用是防止液压系统中的几个液压缸因速度快慢的不同而在动作上的相互干扰。
图 6-27所示为双泵供油来实现的多缸快慢速互不干扰回路。图中的液压缸A和B各自要完成“快进~工进~快返”的自动工作循环。
图6-28为采用顺序节流阀的叠加阀式防干扰回路。这种回路动作可靠性较高,因此被广泛应用于组合机床的液压系统中。
第四节 其它回路
一、 锁紧回路
锁紧回路的功用是使液压缸能在任意位置上停留,且停留后不会因外力作用而移动位置的回路。如图6-29所示的即为使用液控单向阀(又称双向液压锁)的锁紧回路。在这个回路中,由于液控单向阀的阀座一般为锥阀式结构,所以密封性好,泄漏极少,锁紧的精度主要取决于液压缸的泄漏。这种回路被广泛用于工程机械、起重运输机械等有锁紧要求的场合。
二、 节能回路
节能的目的是提高能量的利用率,因而节能回路的功用是要用最小的输入能量来完成一定的输出。前面所述,旁路节流调速回路(图6-10)、差动回路(图6-17),用蓄能器的快速运动回路(图6-18)和双泵供油回路(6-19)等均具有一定的节能效果。下面再介绍两种节能回路。
1.负载串联节能回路
如图6-30所示为两负载串联的节能回路。
在该回路中,当各执行元件单独工作时,工作压力由各自的溢流阀调定。若同时工作,由于前一个回路的溢流阀受后一个回路的压力信号控制,泵转入叠加负载下工作,这时泵的流量只要满足流量大的那个执行元件即可,工作压力高到接近泵的额定压力,提高了泵的运行效率。这种节能回路结构简单,且采用定量泵供油,因而比较经济。由于负载叠加的缘故,故两个执行元件的负载不能太大。
2. 二次调节系统
如图6-31所示为二次调节(亦称次级调节)节能回路,这种调节回路打破了常规的液压驱动系统--通过流量联系,即马达的输入转速、输出转矩、回转方向等性能参数决定于泵的能量供应、阀类的控制等状况,也就是通过直接或间接调节一次能量转换元件--液压泵来实现变换和控制的常规,使一次和二次能量转换器件之间通过压力来联系,液动机从集中液压能源系统中获取运转需要的相应能量。其输出性能的改变,主要通过二次元件的调节来实现。
如图6-31所示,带蓄能器的管路表示集中式液压源附有变量调节缸3的变量液压马达2就是被驱动的二次能量转换元件。
二次调节回路是按照需要从能源系统中获取能量的原则进行工作的,动力源无需通过控制环节而直接作用在二次调节元件上,在不需输出扭矩时,二次元件的变量摆角及所吸收的流量都会被自动地调节到近似于零的值,故能获得最大限度的节能效果。采用这种调节回路时,多个彼此并联的执行元件能够在同一供压的回路中互不干扰地按自己需要的速度和转矩运行.
1;所有标注为智造资料网zl.fbzzw.cn的内容均为本站所有,版权均属本站所有,若您需要引用、转载,必须注明来源及原文链接即可,如涉及大面积转载,请来信告知,获取《授权协议》。
2;本网站图片,文字之类版权申明,因为网站可以由注册用户自行上传图片或文字,本网站无法鉴别所上传图片或文字的知识版权,如果侵犯,请及时通知我们,本网站将在第一时间及时删除,相关侵权责任均由相应上传用户自行承担。
[complaint:内容投诉]
智造资料网打造智能制造3D图纸下载,在线视频,软件下载,在线问答综合平台 » 液压传动教程6-液压基本回路(图文教程)

