首页
图纸下载
冲压模具
塑胶模具
数控编程
机械设备
家用电器
更多
软件下载
二维软件
三维软件
编程软件
CAE软件
系统软件
更多
图文资讯
软件应用
模具制造
机械制造
机械知识
平面设计
其他
软件安装
帮助中心
注册问题
登录问题
上传问题
下载问题
充值问题
更多
在线视频
新站课程
本站课程
在线问答
登录
注册
实例 第2页
最新标签
HTML
入门
精通
摩托车
三轮
狂想
两栖
图文
作用
水泵
诱导
前置
视频
测试
咨询
售后
违规
注册
登录
充值
积分
流程
提现
编号
大小
提取
0167
XSSJUG
取值
旋切
毫米
按照
上传
退稿
稿件
无法
账号
注销
站上
qiufukang
右上角
绑定
下拉
帐号
原作者
以下简称
本站
协议
会员
其它
刀路
桃木
夹板
关联性
鸟瞰
文章
PAUSE
command
主视图
长度
RCDATA
计算
ID
开发
雕刻机
生成
注释
端盖
中设
标题
回到
外公切线
圆心
立体
实验
布局
浮动
外部
参照
网格
多线
显示
缩放
特性
编组
门厅
源点
附着
光源
图片
一圆
基点
SolidEdge
教程
属性
10.3
有的
弧段
正交
栅格
及图
文章排序
时间
标题
热度
留言
随机
CAXA制造工程师2013R5实例视频教程(二)(图文教程)
教程
实例
制造
CAXA制造工程师2013R5实例视频教程(三)(图文教程)
教程
实例
制造
CAXA制造工程师2013R5实例视频教程(四)(图文教程)
教程
实例
制造
CAXA制造工程师2013R5实例视频教程(五)(图文教程)
教程
实例
制造
CAXA制造工程师2013R5实例视频教程(六)(图文教程)
教程
实例
制造
浩辰教程机械2012:(62)公切线绘制技巧与实例(图文教程)
教程
绘制
实例
浩辰教程机械2012:(74)形位公差标注实例(图文教程)
教程
公差
标注
实例
浩辰教程机械2012:(88)自定义明细表实例(图文教程)
教程
实例
定义
使用Solidworks2012动画制作实例
实例
使用
实例讲解SOLIDWORKS软件贴图技巧
实例
技巧
SOLIDWORKS机械设计 叶轮建模实例教程SOLIDWORKS软件实用技巧
建模
实例
catia钣金实例教程(图文教程)
教程
实例
CATIA典型机械零件设计实例教程[下载](图文教程)
教程
实例
CATIA飞机设计实例教程(图文教程)
教程
实例
设计
CATIA空间曲面类零件建模实例:蜗杆(图文教程)
曲面
建模
零件
实例
CATIA空间曲面类零件——蜗杆建模实例
曲面
建模
零件
实例
中望3D与Proe钣金设计实例教程(图文教程)
教程
实例
设计
天天精选CAD绘图实例及解答(130)(图文教程)
绘图
实例
天天精选CAD绘图实例及解答(134)(图文教程)
绘图
实例
天天精选CAD绘图实例及解答(162)(图文教程)
绘图
实例
AutoCAD布局简易的实例教程
布局
实例
AutoCAD
教程
AutoCAD三维立体剖切图实例教程(图文教程)
三维
教程
实例
立体
AutoCAD
AutoCAD绘制二维零件图实例教程(图文教程)
二维
教程
绘制
零件
实例
AutoCAD三维建模实例(图文教程)
三维
建模
实例
AutoCAD
AutoCAD曲面实体造型实例(图文教程)
曲面
造型
实体
实例
AutoCAD
CAD等轴测图的画法(图文教程)一、3G接入网与2G接入网的关系二、绘制方法三、实例四、注意事项五、结论
画法
绘制
实例
AutoCAD三维建模实例教程-阀盖零件建模(图文教程)
建模
三维
教程
零件
实例
AutoCAD绘人物图实例教程(图文教程)
实例
AutoCAD
人物
示例
绘制
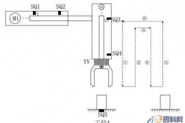
西门子PLC应用实例:简易机械手的PLC控制
实例
SW绘制一个钟表,小技巧就在其中,阵列变化的实例用起来
阵列
绘制
实例
落料连续模设计实例——薄弱部分先冲孔
冲孔
实例
分享 UG编程建模实例,新手小白看过来!
建模
实例
1
2
3
4
5
首页
发布
用户中心
积分充值
开通会员
客服