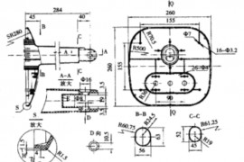
结构设计