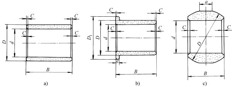
粉末冶金含油轴承轴套的主要尺寸

a)筒形 b)带挡边的筒形 c)球形
孔径d | 0.8 | 1 | 1.5 | 2 | 2.5 | 3 | 4 | 5 | 6 | 7 | 8 | 9 | 10 | 12 | 14 | 15 | 16 |
薄外径D | — | — | — | — | — | 5 | 7 | 8 | 9 | 10 | 11 | 12 | 14 | 16 | 18 | — | 20 |
外径D | 3 | 3 | 4 | 5 | 6 | 6 | 8 | 9 | 10 | 11 | 12 | 14 | 16 | 18 | 20 | — | 22 |
挡边直径D1 | — | 5 | 6 | 8 | 9 | 9 | 12 | 13 | 14 | 15 | 16 | 19 | 22 | 24 | 26 | — | 28 |
挡边厚度e | — | 1 | 1.5 | 2 | 2.5 |
| 3 | — | 3 | ||||||||
球径D | — | 3 | 4.5 | 5 | 6 | 8 | 10 | 12 | 14 | 16 | 16 | 18 | 22 | 22 | 24 | 27 | 28 |
宽度B | 1,2 | 1,2 | 1~3 | 2~4 | 2~4 | 3~6 | 3~6 | 4~10 | 4~12 | 5~14 | 6~16 | 6~18 | 8~20 | 8~20 | 10~22 | — | 12~28 |
(球形)宽度B | — | 2 | 3 | 3 | 4 | 6 | 8 | 9 | 10 | 11 | 11 | 12 | 14 | 15 | 17 | 20 | 20 |
孔径d | 18 | 20 | 22 | 25 | 28 | 30 | 32 | 35 | 38 | 40 | 42 | 45 | 48 | 50 | 55 | 60 | |
薄外径D | 22 | 24 | 26 | 30 | 34 | 36 | 38 | 42 | 45 | 48 | 50 | 53 | 56 | 58 | 63 | 68 | |
外径D | 24 | 26 | 28 | 32 | 36 | 38 | 40 | 45 | 48 | 50 | 52 | 55 | 58 | 60 | 65 | 70 | |
挡边直径D1 | 30 | 32 | 34 | 38 | 44 | 46 | 48 | 55 | 58 | 60 | 62 | 65 | 68 | 70 | 75 | 80 | |
挡边厚度e | 3 | 3.5 | 4 | 5 | 6 | ||||||||||||
球径D | 30 | 36 | — | — | — | — | — | — | — | — | — | — | — | — | — | — | |
宽度B | 12~30 | 16~35 | 16~35 | 20~40 | 20~40 | 22~45 | 22~45 | 25~50 | 25~55 | 30~60 | 30~60 | 35~65 | 35~70 | 35~70 | 40~75 | 40~80 | |
(球形)宽度B | 20 | 25 | — | — | — | — | — | — | — | — | — | — | — | — | — | — | |
注: 1.(薄)外径表示薄系列筒形轴套外径。
2. 筒形轴套宽度尺寸系列为:1,2,3,4,5,6,8,10,12,14,16,18,20,22,25,28,30,32,35,40,45,50,55,60,65,70,75,80。
1;所有标注为智造资料网zl.fbzzw.cn的内容均为本站所有,版权均属本站所有,若您需要引用、转载,必须注明来源及原文链接即可,如涉及大面积转载,请来信告知,获取《授权协议》。
2;本网站图片,文字之类版权申明,因为网站可以由注册用户自行上传图片或文字,本网站无法鉴别所上传图片或文字的知识版权,如果侵犯,请及时通知我们,本网站将在第一时间及时删除,相关侵权责任均由相应上传用户自行承担。
[complaint:内容投诉]
智造资料网打造智能制造3D图纸下载,在线视频,软件下载,在线问答综合平台 » 粉末冶金含油轴承轴套的主要尺寸(图文教程)

