一、填空(60分)
1.图示机构中有_______虚约束。
(A)1个 (B)2个 (C)3个 (D)没有

2.图示机构要有确定运动,需要有_______原动件。
(A)1个 (B)2个 (C)3个 (D)没有
3.平面四杆机构无急回特性时_______,行程速比 系数 _______
(A)压力角α=0 (B)传动角β=0 (C)极位夹角θ=0 (D) k>1
(E)k<1 (F)k=1
4.在双曲柄机构中,已知三杆长度为 a=80mm,b=150mm,c=120mm,则d 杆长度为_______。
(A) <110mm (B)110mm≤d≤190mm (C)≥190mm
5.曲柄摇杆机构中,曲柄为主动件时,_______死点位置;
(A) 曲柄与连杆共线时为(B)摇杆与连杆共线时(C)不存在
6.凸轮机构中,基圆半径是指凸轮转动中心到_______半径。
(A) 理论轮廓线上的最大(B)实际轮廓线上的最大(C)实际轮廓线上的最小
( D)理论轮廓线上的最小
7.凸轮机构中的压力角是指_______间的夹角。
(A)凸轮上接触点的法线与从动件的运动方向 (B)凸轮上接触点的法线与该点线速度
(C)轮上接触点的切线与从动件的运动方向
8.紧键联接主要是使轴与轮毂之间_______。
(A) 沿轴向固定并传递轴向力 (B)沿轴向可作相对滑动并具有作用(C)沿周向固定并传递扭矩 (D)安装及拆卸方便
9.普通平键联接传递动力是靠_______。
(A)两侧面的摩擦力 (B)两侧面的挤压力(C)上下面的挤压力 (D)上下面的摩擦力
10.设计键联接的几项主要内容是:a按轮毂长度选择键的长度 b按要求选择键类型 c按内径选择键的剖面尺寸 d进行必要强度校核 具体设计时一般顺序为_______。
(A)b-a-c-d (B)b-c-a-d (C)a-c-b-d (D)c-d-b-a
11.平键联接能传递的最大扭矩为T,现要传递的扭矩为1.5T,则应_______。
(A) 把键长增大到1.5倍 (B)把键宽增大到1.5倍 (C)把键高增大到1.5倍
(D)安装一对平键
12.拧紧螺母时的功率主要与螺纹的_______有关。
(A) 升角 (B)线数 (C)螺距和牙型角 (D)升角和牙型角
13.螺纹联接是一种_______。
(A)可拆联接 (B)不可拆联接 (C)具有防松装置的为不可拆联接,否则为可拆联接 (D)具有自锁性能的为不可拆联接,否则可拆
14.普通螺纹联接中的松螺纹和紧螺纹联接的主要区别是:松螺纹联接的螺纹部分不承受_______的作用。
(A) 拉伸 (B)扭转 (C)剪切 (D)弯曲
15.被联接件受横向外力时,如采用普通螺纹联接,则螺栓可能失效的形式为_______。
(A) 剪切与挤压破坏 (B)拉断 (C)拉扭断裂
16.刚性凸缘联轴器用四只铰制孔螺栓联接,螺栓中心的圆直径D=200mm ,轴传递扭矩T=180N.m,则作用在每个螺栓上的力为_______。
(A)1800 (B)240 (C)450 (D)540
17.三角带传动和平型带传动相比较,其主要优点是_______。
A) 在传递相同功率时,尺寸较小
B) 传动效率高
C) 带的寿命长
D) 带的价格便宜
18.标准三角带型号的选定,取决于_______。
(A) 传递的功率(B)带的线速度 (C)带的圆周力(D)高速轴上的扭矩
19.工作条件与型号一定的三角带,其寿命随小带轮直径的增大而_______。
(A)降低 (B)增大 (C)不变
20.带传动的中心距与小带轮的直径一致时,若增大传动比,则小带轮上的包角
_______。
(A) 减小 (B)增大 (C)不变
21.一定型号的三角带传动,若小带轮直径一定,增大其传动比,则带饶过大带轮上的弯曲应力_______。
(A)减小 (B)增大 (C)不变
22.带在工作时产生弹性滑动,是由于_______。
(A) 带不是绝对挠性件 (B)带与带轮间的摩擦系数偏低
(B) 带的紧边与松边拉力不等 (D)带绕过带轮产生离心力
23.带传动的主动轮直径D1=180mm,转速n1=940r/min,从动轮直径D2=710,转速n2=233r/min,则滑动系数ε为_______。
(A)1.2﹪(B)1.5﹪ (C)1.8﹪ (D)2.2﹪
24.在具体设计三角带传动时,a:确定带轮直径D1,D2,b:选用带的型号,c:确定带的长度L,d:确定带的根数Z,e:选定初步中心距a0,f:计算实际中心距a,g:计算作用在轴上的压力F。以上各项目进行的顺序为_______。
(A)a-b-c-e-f-d-g (B)a-b-d-e-c-f-g (C)b-a-e-c-f-d-g (D)b-a-e-f-c-d-g
25.一对齿轮要正确啮合,它们的_______必须相等,
(A)直径 (B)宽度 (C)模数 (D)齿数
26.一个齿轮上的圆有_______。
(A) 齿顶圆和齿根圆, (B)齿顶圆,分度圆,基圆和齿根圆
(C) 齿顶圆,分度圆,基圆,节圆,齿根圆
27.一标准直准圆柱齿轮的周节(齿距)P=15.7mm,齿顶圆的直径为d=400mm,则该齿轮的齿数为_______。
(A)82 (B)78 (C)80 (D)76
二、计算及绘图
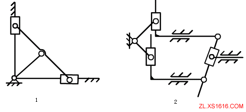
1.计算图示机构的自由度,并判定其是否具有确定运动,(绘有箭头的构件为原动件)。
2.设计一铰链四杆机构,已知其摇杆CD的长度为50mm,行程速比系数K=1.3。
3.图示的轮系中,各齿轮均为标准齿轮,且其模数均相等,若已知各齿轮的齿数分别为:Z1=20、Z2=48、
Z2'=20。试求齿数Z3及传动比i1H。

4.图示轮系,已知Z1=18、Z2=20、Z2'=25、Z3=25、Z3'=2(右),当a轴旋转100圈时,b轴转4.5圈,求Z4=?

参考答案
2
下一页
1;所有标注为智造资料网zl.fbzzw.cn的内容均为本站所有,版权均属本站所有,若您需要引用、转载,必须注明来源及原文链接即可,如涉及大面积转载,请来信告知,获取《授权协议》。
2;本网站图片,文字之类版权申明,因为网站可以由注册用户自行上传图片或文字,本网站无法鉴别所上传图片或文字的知识版权,如果侵犯,请及时通知我们,本网站将在第一时间及时删除,相关侵权责任均由相应上传用户自行承担。
[complaint:内容投诉]
智造资料网打造智能制造3D图纸下载,在线视频,软件下载,在线问答综合平台 » 机械设计基础试题(2)(图文教程)

