(一)几何参数计算
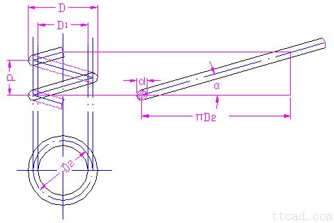
普通圆柱螺旋弹簧的主要几何尺寸有:外径D、中径D2、内径D1、节距p、螺旋升角α及弹 簧丝直径d。由下图圆柱螺旋弹簧的几何尺寸参数图可知,它们的关系为:

式中弹簧的螺旋升角α,对圆柱螺旋压缩弹簧一般应在5°~9°范围内选取。弹簧的旋向可以是右旋或左旋,但无特殊要求时,一般都用右旋。

圆柱螺旋弹簧的几何尺寸参数
普通圆柱螺旋压缩及拉伸弹簧的结构尺寸计算公式见表(普通圆柱螺旋压缩及拉伸弹簧的结构尺寸(mm)计算公式)。
普通圆柱螺旋压缩及拉伸弹簧的结构尺寸(mm)计算公式
参数名称及代号 | 计算公式 | 备注 | |
压缩弹簧 | 拉伸弹簧 | ||
中 径D2 | D2=Cd | 按普通圆柱螺旋弹簧尺寸系列表取标准值 | |
内 径D1 | D1=D2-d | ||
外 径D | D=D2+d | ||
旋绕比C | C=D2/d | ||
压缩弹簧长细比b | b=H0/D2 | b在1~5.3的范围内选取 | |
自由高度或长度H0 | H0≈pn+(1.5~2)d (两端并紧,磨平) H0≈pn+(3~3.5)d (两端并紧,不磨平) | H0=nd+钩环轴向长度 | |
工作高度或长度 H1,H2,…,Hn | Hn=H0-λn | Hn=H0+λn | λn--工作变形量 |
有效圈数n | 根据要求变形量按式(16-11)计算 | n≥2 | |
总圈数n1 | n1=n+(2~2.5)(冷卷) n1=n+(1.5~2) (YII型热卷) | n1=n | 拉伸弹簧n1尾数为1/4,1/2,3/4整圈。推荐用1/2圈 |
节 距p | p=(0.28~0.5)D2 | p=d | |
轴向间距δ | δ=p-d | ||
展开长度L | L=πD2n1/cosα | L≈πD2n+钩环展开长度 | |
螺旋角α | α=arctg(p/πD2) | 对压缩螺旋弹簧,推荐 α=5°~9° | |
(二)特性曲线
弹簧应具有经久不变的弹性,且不允许产生永久变形。因此在设计弹簧时,务必使其工作应力在弹性极限范围内。在这个范围内工作的压缩弹 簧,当承受轴向载荷P时,弹簧将产生相应的弹性变 形,如右图a所示。为了表示弹簧的载荷与变形的关系,取纵坐标表示弹簧承受的载荷,横坐标表示弹簧的变形,通常载荷和变形成直线关系(右图b)。 这种表示载荷与变形的关系的曲线称为弹簧的特性曲线。对拉伸弹簧,如图<圆柱螺旋拉伸弹簧的特性曲线> 所示,图b为无预应力的拉伸弹簧的特性曲线;图c为有预应力的拉伸弹簧的特性曲线。 右图a中的H0是压缩弹簧在没有承受外力时的自由长度。弹簧在安装时,通常预加一个压力 Fmin,使它可靠地稳定在安装位置上。Fmin称为弹簧的最小载荷(安装载荷)。在它的作用下,弹簧的长度 被压缩到H1其压缩变形量为λmin。Fmax为弹簧承受的最大工作载荷。在Fmax作用下,弹簧长度减到H2, 其压缩变形量增到λmax。λmax与λmin的差即为弹簧的 工作行程h,h=λmax-λmin。 Flim为弹簧的极限载荷。在该力的作用下,弹簧丝内的应力达到了材料的弹性极限。与Flim对应的弹簧长度为H3,压缩变形量为λlim。 |
圆柱螺旋压缩弹簧的特性曲线 |
等节距的圆柱螺旋压缩弹簧的特性曲线为一直线,亦即 压缩弹簧的最小工作载荷通常取为 Fmin=(0.1~0.5)Fmax;但对有预应力的拉伸弹簧(图<圆柱螺旋拉伸弹簧的特性曲线>), Fmin>F0,F0为使只有预应力的拉伸弹簧开始变形时所需的初拉力。弹簧的最大工作载荷Fmax,由弹簧在机构中的工作条件决定。但不应到达它的极限载荷,通常应保持Fmax≤0.8Flim。 弹簧的特性曲线应绘在弹簧工作图中,作为检验和试验时的依据之一。此外,在设计弹簧时,利用特性曲线分析受载与变形的关系也较方便。 |
圆柱螺旋拉伸弹簧的特性曲线 |
(三) 圆柱螺旋压缩(拉伸)弹簧受载时的应力及变形
圆柱螺旋弹簧受压或受拉时,弹簧丝的受力情况是完全一样的。现就下图<圆柱螺旋压缩弹簧的受力及应力分析>所示的圆形截面弹簧丝的压缩弹簧承受轴向载荷P的情况进行分析。
由图<圆柱螺旋压缩弹簧的受力及应力分析a>(图中弹簧下部断去,末示出)可知,由于弹簧丝具有升角α,故在通过弹簧轴线
的截面上,弹簧丝的截面A-A呈椭圆形,该截面上作用着力F及扭矩
。因而在弹簧
丝的法向截面B-B上则作用有横向力Fcosα、轴向力Fsinα、弯矩M=Tsinα及扭矩Tˊ= Tcosα。
由于弹簧的螺旋升角一般取为α=5°~9°,故sinα≈0;cosα≈1(下图<圆柱螺旋压缩弹簧的受力及应力分析b>),则截面B-B上的应力(下图<圆柱螺旋压缩弹簧的受力及应力分析c>)可近似地取为
式中C=D2/d 称为旋绕比(或弹簧指数)。为了使弹簧本身较为稳定,不致颤动和过软,C值不能太大;但为避免卷绕时弹簧丝受到强烈弯曲,C值又不应太小。C值的范围为4~16(表<常用旋绕比C值>), 常用值为5~8。

圆柱螺旋压缩弹簧的受力及应力分析
常用旋绕比C值
d(mm) | 0.2~0.4 | 0.45~1 | 1.1~2.2 | 2.5~6 | 7~16 | 18~42 |
C=D2/d | 7~14 | 5~12 | 5~10 | 4~9 | 4~8 | 4~6 |
为了简化计算,通常在上式中取1+2C≈2C(因为当C=4~16时,2C>>l,实质上即为略去了 τp),由于弹簧丝升角和曲率的影响,弹簧丝截面中的应力分布将如图<圆柱螺旋压缩弹簧的受力及应力分析>c中的粗实线所示。由图可知,最大应力产生在弹簧丝截面内侧的m点。实践证明,弹簧的破坏也大多由这点开始。为了考虑弹簧丝的升角和曲率对弹簧丝中应力的影响,现引进一个补偿系数K(或称曲度系数),则弹簧丝内侧的最大应力及强度条件可表示为
式中补偿系数K,对于圆截面弹簧丝可按下式计算:
圆柱螺旋压缩(拉伸)弹簧受载后的轴向变形量λ可根据材料力学关于圆柱螺旋弹簧变形量的公式求得:
式中:n—弹簧的有效圈数;
G—弹簧材料的切变模量,见前一节表<弹簧常用材料及其许用应力>。如以Pmax代替P则
最大轴向变形量为:
1) 对于压缩弹簧和无预应力的拉伸弹簧:
2)对于有预应力的拉伸弹簧:
拉伸弹簧的初拉力(或初应力)取决于材料、弹簧丝直径、弹簧旋绕比和加工方法。
用不需淬火的弹簧钢丝制成的拉伸弹簧,均有一定的初拉力。如不需要初拉力时,各圈间应 有间隙。经淬火的弹簧,没有初拉力。当选取初拉力时,推荐初应力τ0'值在下图的阴影区内选取。
初拉力按下式计算: 使弹簧产生单位变形所需的载荷kp称为弹簧刚度,即 |
弹簧初应力的选择范围 |
弹簧刚度是表征弹簧性能的主要参数之一。它表示使弹簧产生单位变形时所需的力,刚度愈大,需要的力愈大,则弹簧的弹力就愈大。但影响弹簧刚度的因素很多,由于kp与C的三次方成反比,即C值对kp的影响很大。所以,合理地选择C值就能控制弹簧的弹力。 另外,kp还和G、d、n有关。在调整弹簧刚度时,应综合考虑这些因素的影响。
(四) 承受静载荷的圆柱螺旋压缩(拉伸)弹簧的设计
弹簧的静载荷是指载荷不随时间变化,或虽有变化但变化平稳,且总的重复次数不超过
次的交变载荷或脉动载荷而言。在这些情况下,弹簧是按静载强度来设计的。
在设计时,通常是根据弹簧的最大载荷、最大变形、以及结构要求(例如安装空间对弹簧尺寸的限制)等来决定弹簧丝直径、弹簧中径、工作圈数、弹簧的螺旋升角和长度等。
具体设计方法和步骤如下:
1) 根据工作情况及具体条件选定材料,并查取其机械性能数据。
2) 选择旋绕比C,通常可取C≈5~8(极限状态时不小于4或超过16),并算出补偿系数 K值。
3) 根据安装空间初设弹簧中径D2,乃根据C值估取弹簧丝直径d,并查取弹簧丝的许用应力。
4) 试算弹簧丝直径d '
必须注意,钢丝的许用应力决定于其σB,而σB是随着钢丝的直径变化的,又因[τ]是按估取的d值查得σB的H计算得来的,所以此时试算所得的d '值,必须与原来估取的d值相比较,如果两者相等或很接近,即可按标准圆整为邻近的标准弹簧钢丝直径d,并按D2=Cd 以求出 ;如果两者相差较大,则应参考计算结果重估d值,再查其而计算[τ],代入上式进行试算,直至满意后才能计算D2.计算出的D2,值也要按表<普通圆柱螺旋弹簧尺寸系列>进行圆整。
5) 根据变形条件求出弹簧工作圈数:
对于有预应力的拉伸弹簧 
对于压缩弹簧或无预应力的拉伸弹簧 
6) 求出弹簧的尺寸D、D1、H0,并检查其是否符合安装要求等。如不符合,则应改选有关参数(例如C值)重新设计。
7) 验算稳定性。对于压缩弹簧,如其长度较大时,则受力后容易失去稳定性(如下图a),这在工作中是不允许的。为了便于制造及避免失稳现象,建议一般压缩弹簧的长细比b=H0/D2按下列情况选取:
当两端固定时,取b<5.3;
当一端固定,另一端自由转动时,取b<3.7;
当两端自由转动时,取b<2.6。

压缩弹簧失稳及对策
当b大于上述数值时,要进行稳定性验算,并应满足
Fc=CukpH0>Fmax
式中:Fc——稳定时的临界载荷;
Cu——不稳定系数,从下图<不稳定系数线图>中查得;
Fmax——弹簧的最大工作载荷。
如 Fmax>Fc时,要重新选取参数,改变b值,提高Fc值,使其大于Fmax值,以保证弹簧的稳定性。如条件受到限制而不能改变参数时,则应加装导杆(如上图b)或导套(如上图c)。导杆(导套)与弹簧间的间隙c值(直径差)按下表(导杆(导套)与弹簧间的间隙表)的规定选取。

不稳定系数线图
导杆(导套)与弹簧间的间隙
中径D2/(mm) | ≤5 | >5~10 | >10~18 | >18~30 | >30~50 | >50~80 | >80~120 | >120~150 |
间隙c/(mm) | 0.6 | 1 | 2 | 3 | 4 | 5 | 6 | 7 |
8) 进行弹簧的结构设计。如对拉伸弹簧确定其钩环类型等,并按表<普通圆柱螺旋压缩及拉伸弹簧的结构尺寸(mm)计算公式>计算出全部有关尺寸。
9) 绘制弹簧工作图。
例题 设计一普通圆柱螺旋拉伸弹簧。已知该弹簧在-定载荷条件下工作,并要求中径D2≈18mm,外径D≤22mm。当弹簧拉伸变形量λ1=7.5mm时,拉力P1=180N,拉伸变形量λ2=17mm时,拉力P2=340N。
[解]
1.根据工作条件选择材料并确定其许用应力
因弹簧在一般载荷条件下工作,可以按第Ⅲ类弹簧考虑。现选用Ⅲ组碳素弹簧钢丝。并根据 D-D2≤22-18 mm=4 mm,估取弹簧钢丝直径为3.0mm。由表<弹簧钢丝的拉伸强度极限>暂选σB=1275MPa,则根据表16-2可知[τ]=0.5σB=0.5×1275 MPa=637.5 MPa。
2.根据强度条件计算弹簧钢丝直径
现选取旋绕比C=6,则得

于是有

改取d=3.2mm。查得σB=1177MPa,[τ]=0.5σB=588.5MPa,取D2=18,C=18/3.2=5.625,计算得 K=1.253,于是

上值与原估取值相近,取弹簧钢丝标准直径d=3.2mm(与计算值3.22mm仅差0.6%,可用)。此时D2=18mm,为标准值,则
D=D2+d=18+3.2 mm =21.2 mm<22 mm
所得尺寸与题中的限制条件相符,合适。
3.根据刚度条件,计算弹簧圈数n.
弹簧刚度为

由表<弹簧常用材料及其许用应力>取G=79000MPa,弹簧圈数n为

取n=11圈; 此时弹簧刚度为
kp=10.56×16.8/11 N/mm =16.12 N/mm
4.验算
1) 弹簧初拉力
P0=P1-kPλ1=180-16.12×7.5 N=59.1 N
初应力τ0',得

当C=5.62时,可查得初应力τ0'的推茬值为65~150MPa,故此初应力值合适。
2)极限工作应力τlim取τlim=1.12[τ],则
τlim=1.12×588.5 MPa=659.1 MPa
3)极限工作载荷

5.进行结构设计
选定两端钩环,并计算出全部尺寸(从略)。
6.绘制工作图(从略)。
(五) 承受变载荷的圆柱螺旋压缩(拉伸)弹簧的设计
对于承受变载荷的弹簧,除应按最大载荷及变形仿前进行设计外,还应视具体情况进行如下 的强度验算及振动验算:
1.强度验算
承受变载荷的弹簧一般应进行疲劳强度的验算,但如果变载荷的作用次数N≤
,或载荷变化的幅度不大时,通常只进行静强度验算。如果上述这两种情况不能明确区别时,则需同时进行两种强度的验算。
1)疲劳强度验算
下图所示为弹簧在变载荷作用下的应力变化状态。图中H0为弹 簧的自由长度,P1和λ1为安装载荷和预压变形量,P2和λ2为工作时的最大载荷和最大变形量。当弹簧所受载荷在P1和P2之间不断循环变化时,则可得弹簧材料内部所产生的最大和最小循环切应力为:
MPa
MPa

弹簧在变载荷作用下的应力变化状态
对应于上述变应力作用下的普通圆柱螺旋压缩弹簧,应力循环次数N>
时,疲劳强度安全系数计算值Sca及强度条件可按下式计算:
式中:τ0——弹簧材料的脉动循环剪切疲劳极限,按变载荷作用次数N,由下表(弹簧材料的脉
动循环剪切疲劳极限表)中查取;
SF——弹簧疲劳强度的设计安全系数,当弹簧的设计计算和材料的机械性能数据精确
性高时,取SF=1.3~1.7;当精确性低时,取SF=1.8~2.2。
弹簧材料的脉动循环剪切疲劳极限
变载荷作用次数N |
|
|
|
|
τ0 | 0.45σB | 0.35σB | 0.33σB | 0.3σB |
注:1)此表适用于高优质钢丝,不锈钢丝,铍青铜和硅青铜丝;
2)对喷丸处理的弹簧,表中数值可提高20%;
3)对于硅青铜,不锈钢丝,N=
时的τ0值可取0.35σB;
4)表中σB为弹簧材料的拉伸强度极限,MPa。
2) 静强度验算
静强度安全系数计算值SSca的计算公式及强度条件为 
式中τS为弹簧材料的剪切屈服极限,静强度的安全系数SS的选取与进行疲劳强度验算时相同。
2.振动验算
承受变载荷的圆柱螺旋弹簧常是在加载频率很高的情况下工作(如内燃机汽缸阀门弹簧)。为了避免引起弹簧的谐振而导致弹簧的破坏,需对弹簧进行振动验算,以保证其临界工作频率(即工作频率的许用值)远低于其基本自振频率。
圆柱螺旋弹簧的基本自振频率(本书已将原书公式中的弹簧质量W/s以mS代替)为
Hz
式中:kp--弹簧的刚度,N/mm;
mS--弹簧的质量,kg。
将kp,ms的关系式代入上式,并取n≈n1则
Hz
式中各符号意义同前,见表<普通圆柱螺旋压缩及拉伸弹簧的结构尺寸(mm)计算公式>。
弹簧的基本自振频率fb应不低于其工作频率fw的15~20倍,以避免引起严重的振动。即
fb≥(15~20)fw 或 fw≤fb/(15~20) Hz
但弹簧的工作频率一般是预先给定的,故当弹簧的基本自振频率不能满足上式时,应增大kp或减小ms,重新进行设计。
1;所有标注为智造资料网zl.fbzzw.cn的内容均为本站所有,版权均属本站所有,若您需要引用、转载,必须注明来源及原文链接即可,如涉及大面积转载,请来信告知,获取《授权协议》。
2;本网站图片,文字之类版权申明,因为网站可以由注册用户自行上传图片或文字,本网站无法鉴别所上传图片或文字的知识版权,如果侵犯,请及时通知我们,本网站将在第一时间及时删除,相关侵权责任均由相应上传用户自行承担。
[complaint:内容投诉]
智造资料网打造智能制造3D图纸下载,在线视频,软件下载,在线问答综合平台 » 圆柱螺旋压缩(拉伸)弹簧的设计计算(图文教程)







