
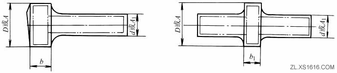
与法兰相邻部分的 直径d或边长A1 | 法兰直径D或边长A | |||||||
<50 | 50~80 | 80~120 | 120~160 | 160~200 | 200~250 | 250~315 | 315~400 | |
锻件法兰的最小锻出厚度b、b1 | ||||||||
b b1 | b b1 | b b1 | b b1 | b b1 | b b1 | b b1 | b b1 | |
<40 | 25 15 | 30 22 | 40 30 | 55 42 |
|
|
|
|
40~50 |
| 26 20 | 36 28 | 50 39 | 65 51 |
|
|
|
50~65 |
| 23 18 | 32 25 | 45 36 | 60 48 | 85 65 |
|
|
65~80 |
|
| 28 22 | 40 33 | 55 45 | 80 60 | 110 80 |
|
80~100 |
|
| 23 18 | 35 30 | 50 42 | 75 55 | 105 75 | 135 100 |
100~120 |
|
|
| 30 26 | 45 38 | 65 50 | 95 70 | 125 95 |
120~160 |
|
|
|
| 40 33 | 60 45 | 85 65 | 115 90 |
160~200 |
|
|
|
|
| 50 38 | 75 58 | 105 80 |
200~250 |
|
|
|
|
|
| 65 50 | 95 70 |
250~315 |
|
|
|
|
|
|
| 85 60 |
注:⒈中间法兰按法兰直径D或边长A与相邻的较小直径d或边长A1来确定其最小锻出厚度b1。
⒉法兰按台阶轴类锻件加放余量后,其厚度值如小于表列数值,则可增大至表列数值后再锻出。
该文章所属专题:锻造件结构设计
免责声明:
1;所有标注为智造资料网zl.fbzzw.cn的内容均为本站所有,版权均属本站所有,若您需要引用、转载,必须注明来源及原文链接即可,如涉及大面积转载,请来信告知,获取《授权协议》。
2;本网站图片,文字之类版权申明,因为网站可以由注册用户自行上传图片或文字,本网站无法鉴别所上传图片或文字的知识版权,如果侵犯,请及时通知我们,本网站将在第一时间及时删除,相关侵权责任均由相应上传用户自行承担。
[complaint:内容投诉]
智造资料网打造智能制造3D图纸下载,在线视频,软件下载,在线问答综合平台 » 锻造结构设计:锤锻件法兰的最小锻出厚度(图文教程)
1;所有标注为智造资料网zl.fbzzw.cn的内容均为本站所有,版权均属本站所有,若您需要引用、转载,必须注明来源及原文链接即可,如涉及大面积转载,请来信告知,获取《授权协议》。
2;本网站图片,文字之类版权申明,因为网站可以由注册用户自行上传图片或文字,本网站无法鉴别所上传图片或文字的知识版权,如果侵犯,请及时通知我们,本网站将在第一时间及时删除,相关侵权责任均由相应上传用户自行承担。
[complaint:内容投诉]
智造资料网打造智能制造3D图纸下载,在线视频,软件下载,在线问答综合平台 » 锻造结构设计:锤锻件法兰的最小锻出厚度(图文教程)

