5-5-1 导向机构的作用
以合模导向机构为例。
合模导向机构是保证动定模或上下模合模时,正确定位和导向的零件。合模导向机构主要有导柱导向和锥面定位两种形式。通常采用 导柱导向定位。如图5-5-1所示:

图5-5-1 合模导向机构
导向机构的作用有以下三点:
①定位作用
模具闭合后,保证动定模或上下模位置正确,保证型腔的形状和尺寸精确;导向机构在模具装配过程中也起到了定位作用,便于装配和调整。
②导向作用
合模时,首先是导向零件接触,引导动定模或上下模准确闭合,避免型芯先进入型腔造成成型零件损坏。
③承受一定的侧向压力
塑料熔体在充型过程中可能产生单向侧压力,或者由于成型设备精度低的影响,使导柱承受了一定的侧向压力,以保证模具的正常工作。若侧压力很大时,不能单靠导柱来承担,需增设锥面定位机构。
该文章所属专题:塑料模具设计教程
5-5-2 导柱导向机构的设计
导柱导向机构应用最普遍,主要零件是导柱和导套。
一、导柱设计
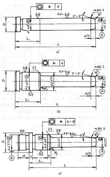
1、导柱结构形式
如图5-5-2所示,图5-5-2a为直形导柱:除安装部分的凸肩外,长度的其余部分直径相同;图5-5-2b、c为阶梯导柱:除安装部分的凸肩外,安装配合部分直径比外伸的工作部分尺寸直径大。导柱的导滑部分根据需要可加工出油槽。图5-5-2c所示导柱用于固定板太薄的场合在固定板下面再加垫板固定,这种结构不常用。

图5-5-2 导柱结构形式
2、导柱技术要求
①长度:导柱导向部分的长度应比凸模端面的高度高出8~12㎜,以壁免出现导柱未导正方向而型芯先进入型腔。
②形状:导柱前端应做成锥台形或半球形,以使导柱顺利地进入导向孔。
③材料:导柱应具有硬而耐磨的表面,坚韧而不易折断的内芯,因此多采用20钢,经渗碳淬火处理,或者T8、T10钢,经淬火处理,硬度为50~55HRC。导柱固定部分的表面粗糙度为Ra=0.8μm,导向部分的表面粗糙度为Ra=0.8~0.4μm,
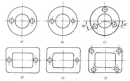
④数量及布置:导柱应合理均布在模具分型面的四周,导柱中心至模具边缘应有足够的距离,以保证模具强度(导柱中心到模具边缘距离通常为导柱直径的1~1.5倍)。为确保合模时只能按一个方向合模,导柱的布置可采用等直径导柱不对称布置或不等直径导柱对称布置,如图5-5-3所示:

图5-5-3 导柱结构布置
⑤配合精度:导柱固定端与模板之间一般采用H7/m6或H7/k6的过渡配合;导柱的导向部分通常采用H7/f7或H8/f7的间隙配合。
二、导向孔的设计
1)导向孔的结构形式 导向孔分有导套和无导套两种。有导套的典型结构如图5-5-4所示:

图5-5-4 导向孔的结构形式
图5-5-4a为直导套(Ⅰ型导套),结构简单,加工方便,用于简单模具或导套后面没有垫板的场合;
图5-5-4b和图5-5-4c为带头导套(Ⅱ型导套),结构较复杂,用于精度较高的场合,导套的固定孔便于与导柱的固定孔同时加工,其中图5-5-4c用于两块板固定的场合。
无导套是导向孔直接开设在模板上,这种形式的孔加工简单,适用于生产批量小、精度要求不高的模具。
2)导套结构和技术要求
①形状:为使导柱顺利进入导套,在导套的前端应倒圆角。导孔最好作成通孔,以利于排出孔内的空气。如果模板较厚,导孔必须作成盲孔时,可在盲孔的侧面打一个小孔排气或在导柱的侧壁磨出排气槽。
②材料:可用淬火钢或铜合金等耐磨材料制造,但其硬度应低于导柱硬度,这样可以改善磨擦,以防止导柱或导套拉毛。
③固定形式及配合精度:Ⅰ型导套用H7/r6过盈配合镶入模板,为了增加导套镶入的牢固性,防止开模时导套被拉出来,可以用止动螺丝钉紧固,如图5-5-5。

图5-5-5 导套的固定形式
图5-5-5a开缺口紧固,图5-5-5b开环形槽紧固,图5-5-5c侧面开孔紧固。Ⅱ型导套用H7/m6或H7/k6过渡配合镶入模板。
三 导柱与导套的配用
由于模具的结构不同,选用的导柱和导套的结构也不同,导柱与导套的配用形式要根据模具的结构及生产要求而定,常见的配合形式如图5-5-6。

图5-5-6 导柱与导套的配用
该文章所属专题:塑料模具设计教程
5-5-3 锥面定位机构设计
当要求对合精度很高或侧压力很大时,必须采用锥面导向定位的方法。1)模具较小时采用带锥面的导柱导套,如下图5-5-7所示:

图5-5-7 带锥面的导柱导套
2)模具较大时,对圆形型腔的设计如下图5-5-8所示:
图5-5-8 整体锥面的导向
3)模具较大时,对方形或矩形型腔的设计如下图5-5-9所示:
图5-5-9 组合锥面的导向
该文章所属专题:塑料模具设计教程
1;所有标注为智造资料网zl.fbzzw.cn的内容均为本站所有,版权均属本站所有,若您需要引用、转载,必须注明来源及原文链接即可,如涉及大面积转载,请来信告知,获取《授权协议》。
2;本网站图片,文字之类版权申明,因为网站可以由注册用户自行上传图片或文字,本网站无法鉴别所上传图片或文字的知识版权,如果侵犯,请及时通知我们,本网站将在第一时间及时删除,相关侵权责任均由相应上传用户自行承担。
[complaint:内容投诉]
智造资料网打造智能制造3D图纸下载,在线视频,软件下载,在线问答综合平台 » 塑料模具设计教程_5-5模具导向机构的设计(图文教程)

