
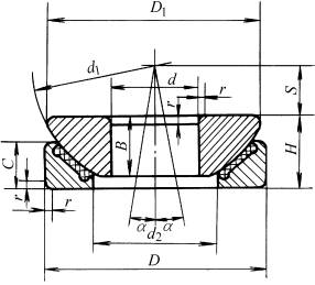
E (正 常) 系 列 | ||||||||||
尺 寸 /mm | α/(°) ≈ | |||||||||
d | D | H | B | C | d1 | d2 | D1 | S | rsmin | |
10 | 30 | 9.5 | 7.5 | 7 | 32 | 15.5 | 27.5 | 7 | 0.6 | 9 |
12 | 35 | 13 | 9.5 | 9.3 | 38 | 18 | 32 | 8 | 0.6 | 8 |
15 | 42 | 15 | 11 | 10.8 | 46 | 22.5 | 39 | 10 | 0.6 | 8 |
17 | 47 | 16 | 11.8 | 11.2 | 52 | 27 | 43.5 | 11 | 0.6 | 10 |
20 | 55 | 20 | 14.5 | 13.8 | 60 | 31 | 50 | 12.5 | 1.0 | 9 |
25 | 62 | 22.5 | 16.5 | 16.7 | 68 | 34.5 | 58.5 | 14 | 1.0 | 7 |
30 | 75 | 26 | 19 | 19 | 82 | 42 | 70 | 17.5 | 1.0 | 7 |
35 | 90 | 28 | 22 | 20.7 | 98 | 50.5 | 84 | 22 | 1.0 | 8 |
40 | 105 | 32 | 27 | 21.5 | 114 | 59 | 97 | 24.5 | 1.0 | 9 |
45 | 120 | 36.5 | 31 | 25.5 | 128 | 67 | 110 | 27.5 | 1.0 | 9 |
50 | 130 | 42.5 | 33 | 30.5 | 139 | 70 | 120 | 30 | 1.0 | 7 |
60 | 150 | 45 | 37 | 34 | 160 | 84 | 140 | 35 | 1.0 | 8 |
70 | 160 | 50 | 42 | 36.5 | 176 | 94.5 | 153 | 35 | 1.0 | 8 |
80 | 180 | 50 | 43.5 | 38 | 197 | 107.5 | 172 | 42.5 | 1.0 | 8 |
100 | 210 | 59 | 51 | 46 | 222 | 127 | 198 | 45 | 1.1 | 8 |
120 | 230 | 64 | 53.5 | 50 | 250 | 145 | 220 | 52.5 | 1.1 | 6 |
免责声明:
1;所有标注为智造资料网zl.fbzzw.cn的内容均为本站所有,版权均属本站所有,若您需要引用、转载,必须注明来源及原文链接即可,如涉及大面积转载,请来信告知,获取《授权协议》。
2;本网站图片,文字之类版权申明,因为网站可以由注册用户自行上传图片或文字,本网站无法鉴别所上传图片或文字的知识版权,如果侵犯,请及时通知我们,本网站将在第一时间及时删除,相关侵权责任均由相应上传用户自行承担。
[complaint:内容投诉]
智造资料网打造智能制造3D图纸下载,在线视频,软件下载,在线问答综合平台 » GX…F型自润滑推力关节轴承的结构型式和外形尺寸(图文教程)
1;所有标注为智造资料网zl.fbzzw.cn的内容均为本站所有,版权均属本站所有,若您需要引用、转载,必须注明来源及原文链接即可,如涉及大面积转载,请来信告知,获取《授权协议》。
2;本网站图片,文字之类版权申明,因为网站可以由注册用户自行上传图片或文字,本网站无法鉴别所上传图片或文字的知识版权,如果侵犯,请及时通知我们,本网站将在第一时间及时删除,相关侵权责任均由相应上传用户自行承担。
[complaint:内容投诉]
智造资料网打造智能制造3D图纸下载,在线视频,软件下载,在线问答综合平台 » GX…F型自润滑推力关节轴承的结构型式和外形尺寸(图文教程)

