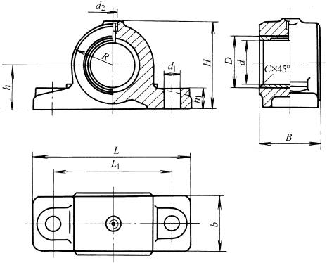
整体有衬正滑动轴承座尺寸

型 号 | D (D4) | D | R | B | b | L | L1 | H ≈ | h | h1 | d1 | d2 | C | 质量/ kg |
HZ020 | 20 | 28 | 26 | 30 | 25 | 105 | 80 | 50 | 30 | 14 | 12 | M10×1 | 1.5 | 0.6 |
HZ025 | 25 | 32 | 30 | 40 | 35 | 125 | 95 | 60 | 35 | 16 | 14.5 | 0.9 | ||
HZ030 | 30 | 38 | 50 | 40 | 150 | 110 | 70 | 20 | 18.5 | 1.7 | ||||
HZ035 | 35 | 45 | 38 | 55 | 45 | 160 | 120 | 84 | 42 | 2 | 1.9 | |||
HZ040 | 40 | 50 | 40 | 60 | 50 | 165 | 125 | 88 | 45 | 2.4 | ||||
HZ045 | 45 | 55 | 45 | 70 | 60 | 185 | 140 | 90 | 50 | 25 | 24 | 3.6 | ||
HZ050 | 50 | 60 | 75 | 65 | 100 | 3.8 | ||||||||
HZ060 | 60 | 70 | 55 | 80 | 70 | 225 | 170 | 120 | 60 | 30 | 28 | M14×1.5 | 2.5 | 6.5 |
HZ070 | 70 | 85 | 65 | 100 | 80 | 245 | 190 | 140 | 70 | 9.0 | ||||
HZ080 | 80 | 95 | 70 | 255 | 200 | 155 | 80 | 10.0 | ||||||
HZ090 | 90 | 105 | 75 | 120 | 90 | 285 | 220 | 165 | 85 | 40 | 35 | 3 | 13.2 | |
HZ100 | 100 | 115 | 85 | 305 | 240 | 180 | 90 | 15.5 | ||||||
HZ110 | 110 | 125 | 90 | 140 | 100 | 315 | 250 | 190 | 95 | 21.0 | ||||
HZ120 | 120 | 135 | 100 | 150 | 110 | 370 | 290 | 210 | 105 | 45 | 42 | 27.0 | ||
HZ140 | 140 | 160 | 115 | 170 | 130 | 400 | 320 | 240 | 120 | 38.0 |
免责声明:
1;所有标注为智造资料网zl.fbzzw.cn的内容均为本站所有,版权均属本站所有,若您需要引用、转载,必须注明来源及原文链接即可,如涉及大面积转载,请来信告知,获取《授权协议》。
2;本网站图片,文字之类版权申明,因为网站可以由注册用户自行上传图片或文字,本网站无法鉴别所上传图片或文字的知识版权,如果侵犯,请及时通知我们,本网站将在第一时间及时删除,相关侵权责任均由相应上传用户自行承担。
[complaint:内容投诉]
智造资料网打造智能制造3D图纸下载,在线视频,软件下载,在线问答综合平台 » 整体有衬正滑动轴承座尺寸(图文教程)
1;所有标注为智造资料网zl.fbzzw.cn的内容均为本站所有,版权均属本站所有,若您需要引用、转载,必须注明来源及原文链接即可,如涉及大面积转载,请来信告知,获取《授权协议》。
2;本网站图片,文字之类版权申明,因为网站可以由注册用户自行上传图片或文字,本网站无法鉴别所上传图片或文字的知识版权,如果侵犯,请及时通知我们,本网站将在第一时间及时删除,相关侵权责任均由相应上传用户自行承担。
[complaint:内容投诉]
智造资料网打造智能制造3D图纸下载,在线视频,软件下载,在线问答综合平台 » 整体有衬正滑动轴承座尺寸(图文教程)

