轮齿折断是一种非常危险的失效形式,会导致各种不同程度的问题,如这个例子,最终结果是导致输出轴停止转动。

1.问题描述
普通的一级斜齿传动减速箱,功率200KW,材料20CrNiMoA,使用了六个月。现在出现问题,大齿轮出现断齿,小齿轮被剃成光轴。

图1
2.讨论
甲说,这种情况是典型的齿根折断,原因有很多,可以分为弯曲疲劳折断、过载折断、随机折断、轮齿剪断和塑变后折断,但具体到实际,则要对根据现场情况判断。
粗略估计,应是过载引起的齿根断裂,即实际载荷超过齿根许用强度所致;在实际传动过程中存在冲击载荷,冲击过程中产生微观裂纹,运转时间长了导致裂纹扩大最后断裂,症结可能在材料和热处理上。
对此提问者提出疑问:小齿轮是被大齿轮切削的,而大齿轮除了断了几个齿,剩下的齿的齿面都保持完整,按理说是小齿轮的硬度要高,不应是如此情况。
甲回应说,硬度和强度是两个概念,可以理解为设计时的出发点不同;就目前来看,估计该单级斜齿传动是从齿面强度角度设计,而没有再校核齿根强度,或者是实际载荷超过设计允许载荷造成断齿。
对甲的观点乙比较赞同,说,小齿轮确是比大齿轮硬,选择材料的硬度差一般为四十(普通传动,小齿轮280hbs,大齿轮240hbs);但此处的问题在于大齿轮齿根弯曲强度不够,而小齿轮表面接触疲劳强度不够;分析应是校核的时候没校核好,或者热处理的时候没按要求。
丙要求看看断齿的照片,提问者解释说小齿轮已经被磨成颗粒状,而大齿轮崩了二十几个齿,图2为其中最为完整的一个。

图2
提问者指出,据他观察,这块断齿的齿面非常光滑,看不出有什么损伤,而其他断齿的齿面多少都有伤痕,应该是第一块被崩掉的齿。
丙说,到这里基本可以判断出断齿的原因是瞬间过载了;图2的断口非常整齐,应是一次性折断,无疲劳断裂的迹象;整个故障的事件可以还原出来:由于瞬时负载加大,造成这个齿先断,产生强烈冲击振动,从而发生连锁反应,不断出现磨损和局部材料的折断;由于小齿轮的受力频率高于大齿轮,所以最后的结果是小齿轮被剃光,大齿轮相对保持完整。
丁说,到这里可以盖棺定论了,由于设计、工艺或材料的某一环节出现问题,使大齿轮的弯曲强度不足,造成轮齿在过载瞬间被折断;而由于小齿轮的强度不足,发生连锁反应,最终导致小齿轮的轮齿被全部磨损,剃为光轴;到这里,解决的方向就出来了,即将材料拿去做检测,分析是哪个环节出现问题。
根据意见,提问者做了金相分析,并提供了照片,对此丁说,检测的结果验证了之前的判断,材料和热处理工艺都出现了问题:
1.材料的问题
原本要求大小齿轮的材料均为20CrNiMoA,实际小齿轮的成分相当于20CrNiMo,而大齿轮则相当于30CrMnTi,而且在金属组织发现大量非金属夹杂物,说明材料等级比较低,如图3。

图3
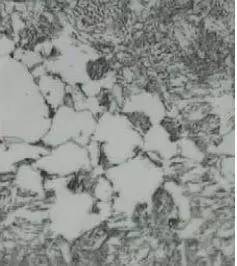
2.热处理的问题
如图4可以看出,材料芯部有大量铁素体,该组织大大降低了轮齿的机械强度,导致小齿轮的芯部硬度仅为22~26.5HRC,离图纸要求差了10个HRC,造成小齿轮的轮齿被全部剃掉。而如图5可以看出在渗碳过程中,加热温度过高,使得表面渗碳层的碳浓度太高,形成了角块状及网状碳化物组织;而随后的淬火加热过程温度过低,没有将其消除,造成渗碳层表面脆性增加,齿轮的使用寿命降低。

图4
丙说,最终检测结果表明,首先是材料不达标,其次是热处理工艺出现问题,导致没有达到强化齿轮的效果。层层弱化设计意图的结果导致了齿轮的许用弯曲强度很低,最后在瞬间的负载下轮齿被折断。
3.结论
虽然在首次分析的时候就已经命中目标,但想要真正证明其正确性,必须经过实际的检测。问题分析就是这样,先根据实际情况提出一个大概的方向,然后推理出比较接近事实的结论,在理论分析的指导下有目的地进行针对性的检测,最后得出确切的结论。虽然这个例子的结果是材料和热处理出现的问题,但现实中也常有因为设计的时候计算失误,造成严重后果的事情。所以做机械设计一定要做校核,这不仅仅是一种职业义务,更是职业道德。
1;所有标注为智造资料网zl.fbzzw.cn的内容均为本站所有,版权均属本站所有,若您需要引用、转载,必须注明来源及原文链接即可,如涉及大面积转载,请来信告知,获取《授权协议》。
2;本网站图片,文字之类版权申明,因为网站可以由注册用户自行上传图片或文字,本网站无法鉴别所上传图片或文字的知识版权,如果侵犯,请及时通知我们,本网站将在第一时间及时删除,相关侵权责任均由相应上传用户自行承担。
[complaint:内容投诉]
智造资料网打造智能制造3D图纸下载,在线视频,软件下载,在线问答综合平台 » 轮齿折断的原因(图文教程)

