1 板件最小弯曲半径
板件弯曲时,若弯曲处的圆角过小,则外表面容易产生裂纹。若弯曲圆角过大,因受到回弹的影响,弯曲件的精度不易保证。为此规定最小弯曲半径。见4.1-3表。


2 弯曲的直边高度不宜过小,否则不易成形足够的弯矩,很难得到形状准确的零件。其值h≥R+2t方可。见4.1—5图。


3 弯曲边冲孔时,孔边到弯曲半径R中心的距离L不得过小,以免弯曲成型后会使孔变形。其值L≥2t方可。见4.1—6图。
4 当a<R时,弯曲后,b面靠a处仍然有一段残余圆弧,为了避免残余圆弧,必须使a≥R。

5 在U形弯曲件上,两弯曲边最好等长,以免弯曲时产生向一边移位。如不允许,可设一工艺定位孔。如图4.1—8图。

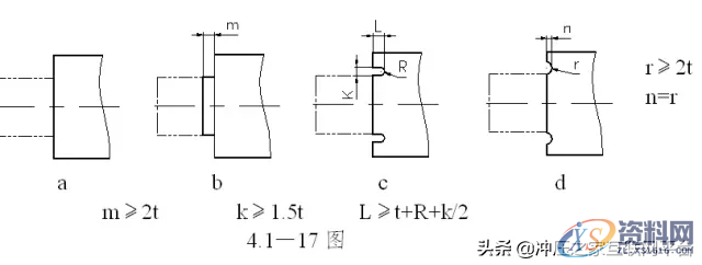
6 防止侧面(梯形)弯曲时产生裂纹或畸形。应设计预留切槽,或将根部改为阶梯形。槽宽K≥2t,槽深L≥t+R+K/2。

7 防止圆角在弯曲时受压产生挤料后起皱,应设计预留切口。如室外机侧板(上端、下端)圆角处切口形式。


8 防止弯曲后,直角的两侧平面产生褶皱,应设计预留切口。


9 防止弯曲后,产生回弹的切口形式。

10 防止冲孔后,弯曲产生裂纹的切口形式。

11 防止弯曲时,一边向内产生收缩。可设计工艺定位孔,或两边同时折弯,还可用增加幅宽的办法来解决收缩问题。

12 弯成直角的搭接形式。

13 凸部的弯曲
若象a图那样弯曲线和阶梯线一致,有时会在根部开裂变形。所以使弯曲线让开阶梯线如图b,或设计切口如c、d那样。

14 防止弯曲时,弯曲面上的孔受力后会变形,孔边距(至底根部)其值A≥4方可。

我们是知识搬运工,我们是技术传播者!
东莞潇洒职业培训学校开设课程有:CNC数控编程、塑胶模具设计,压铸模具设计、冲压模具设计, Solidworks/pro/E产品设计、AutoformR7工艺分析,非标自动化设计、PLC编程、文职、电商、平面设计、新媒体等培训课程,潇洒职业培训学校线下、线上、随到随学等学习方式,上班学习两不误,欢迎预约免费试学!
联系电话:18029183455(微信同号)QQ:2799669782
线上免费试学: xsmj.ke.qq.com
免责声明:
1;所有标注为智造资料网zl.fbzzw.cn的内容均为本站所有,版权均属本站所有,若您需要引用、转载,必须注明来源及原文链接即可,如涉及大面积转载,请来信告知,获取《授权协议》。
2;本网站图片,文字之类版权申明,因为网站可以由注册用户自行上传图片或文字,本网站无法鉴别所上传图片或文字的知识版权,如果侵犯,请及时通知我们,本网站将在第一时间及时删除,相关侵权责任均由相应上传用户自行承担。
[complaint:内容投诉]
智造资料网打造智能制造3D图纸下载,在线视频,软件下载,在线问答综合平台 » 钣金折弯件的结构设计原则
1;所有标注为智造资料网zl.fbzzw.cn的内容均为本站所有,版权均属本站所有,若您需要引用、转载,必须注明来源及原文链接即可,如涉及大面积转载,请来信告知,获取《授权协议》。
2;本网站图片,文字之类版权申明,因为网站可以由注册用户自行上传图片或文字,本网站无法鉴别所上传图片或文字的知识版权,如果侵犯,请及时通知我们,本网站将在第一时间及时删除,相关侵权责任均由相应上传用户自行承担。
[complaint:内容投诉]
智造资料网打造智能制造3D图纸下载,在线视频,软件下载,在线问答综合平台 » 钣金折弯件的结构设计原则

