1.什么是冲压
这里所说的冲压即是板料冲压,它是一种加工方法,利用冲模技术来实现板料进行分离和变形的操作,它的加工范围可以根据温度范围进行划分:冷态下:<8mm。热态冲压下:>8mm。
像一些常见的低碳钢、铜铝镁合金以及一些合金钢都可以用作冲压的材料,在冲床上进行加工生产。

冲床
2.冲压加工的特点
与其它加工类型相比,冲压加工具有很多优势。首先,它可以加工复杂零部件,且产生的废料也相对较小。其次,产品的表面精度很高,产品的互换性高,表面粗糙度低。还有,能同时获得轻质高强的零件。最后,冲压加工的操作相对简单,机械化程度很高,能降低很多的生产成本。

冲压
3.冲压加工的工序
冲压加工的基本工序分为分离工序和变形工序两种,下面分别进行介绍。

工序
- 分离工序
分离工序指的是将坯料的一部分与另一部分相互分离的工序,而这一过程又包括冲孔、落料和切断等基本工序。
冲孔:“冲”下去的是废料,“留下的”是成品。
落料:“落”下的是成品,“周边”是废料。
切断:用剪刃或冲模将板料沿不封闭轮廓进行分离的工序。

落料与冲孔
在冲裁工序完成之后,还有一道修整工序。修整工序是用来提高零件的尺寸精度和降低表面粗糙度,切掉冲裁件表面的毛刺和剪断带。

- 变形工序
与分离工序相对应的还有一个变形工序,变形工序是使坯料发生变形而不断裂的工序。变形工序包括常见的“拉深”和“弯曲”等。
“拉深”:在保证厚度基本不变的条件下,使板料(浅)成为空心件(深)的一种加工方法。

拉深
“弯曲”:坯料的一部分相对于另一部分弯曲成一定角度的工序。

弯曲
4.冲压件的结构工艺性
- 形状及尺寸
对于“落料件”和“冲孔件”来说:①孔形要相对简单、对称。②孔不易过小。③冲裁件交接处尽量采用圆弧过渡。④冲压件排料应当注意成本要素。

不合理外形
对于“弯曲件”来说:①形状要保证对称。②弯曲边不易过短。③注意孔的位置,防止变形。④空心零件不易加工太深。

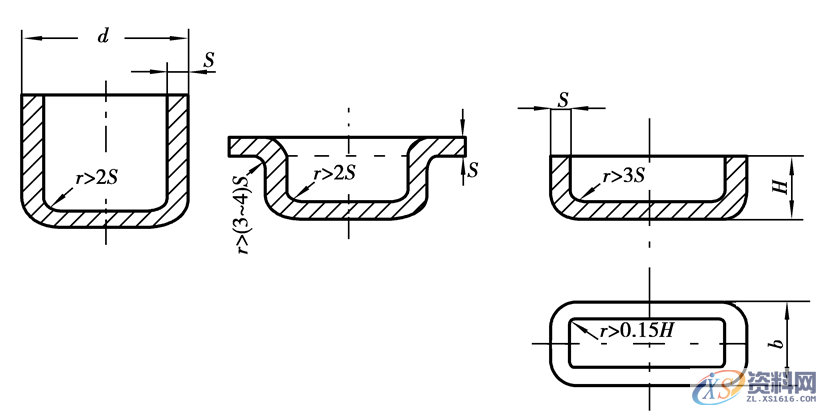
对于“拉深件”来说:①拉深件外形应简单、对称,且高度不宜太大,以便减少拉伸次数。②拉深件有最小半径要求。

- 改进结构
通过改进结构可以一定程度提高其工艺性,常见的措施包括:
- 采用冲焊结构。
- 尽可能减少组合件数量。
- 在保证性能的前提下,尽可能简化构件。

焊接

冲口

简化工序
1;所有标注为智造资料网zl.fbzzw.cn的内容均为本站所有,版权均属本站所有,若您需要引用、转载,必须注明来源及原文链接即可,如涉及大面积转载,请来信告知,获取《授权协议》。
2;本网站图片,文字之类版权申明,因为网站可以由注册用户自行上传图片或文字,本网站无法鉴别所上传图片或文字的知识版权,如果侵犯,请及时通知我们,本网站将在第一时间及时删除,相关侵权责任均由相应上传用户自行承担。
[complaint:内容投诉]
智造资料网打造智能制造3D图纸下载,在线视频,软件下载,在线问答综合平台 » 何为板料冲压?分离和变形工序的过程详解

