外导柱安装形式标准
1根据公司的冲压方式﹐而对其导柱导套的安装方式作一规定﹕
1.在冲压过程中为了安全和操作的方便﹐在用连续模和手动冲压时﹐导柱安装于下模﹐而导套则安装于上模﹐(如图所示)

2.对于自动化线(ROBOT)而言﹐则把导柱安装于上模﹐而把导套安装于下模﹐(如图所示)﹐导套可高于成品10.0mm﹐导柱依实际闭模高度设计。注意﹕跷跷板结构的模具﹐外导柱选用无钢珠导柱。

靠刀形式设计标准
靠刀常见形式,冲剪边与折弯
1.单边冲切靠刀
冲切面一个冲裁间隙,靠刀面割单+0.01MM(簿材视情况而定)。常见
形式见下图(1),(2),冲子厚度一般为10~15MM.(1)图靠刀高度5MM,宽度3~5MM﹔(2)图靠刀高度5~10MM.
2.单边折弯靠刀成形冲与成形边间隙是一个料厚,靠刀面割单+0.01MM.常见形式见下
图(3),(4),(5),(6).成形冲厚度一般为10~15MM.(3),(5),(6)图靠刀宽度3~5MM,(3)图靠刀高度5MM,(4)图靠刀高度5~10MM;而(5),(6)图靠刀高度为折弯边高H+1.5~2MM.


顶料销设计标准
一.选用原则
1.一般选用Φ8.0的LB型顶料销。若位置不够时可选用Φ4.0、Φ5.0、Φ6.0型的顶料销。2.当所需顶料力很大,位置又够时可选用Φ10.0的顶料销.3.顶料销长度的选择,应注意参考以下原则:
(1).选用标准长度,并考虑可否不需要在模板上沉孔。
(2).顶出高度<=10MM时,一般选用Φ8.0的顶料销﹔顶出高度>=10.0MM时,选择其它
标准规格的顶料销.
(3).避免开模时弹簧顶住模板台阶处的现象。
(4).铁氟龙材质LB型顶料销适用于铝材,铜材等材质。现规格为Φ8.0*25,Φ8.0*30,
Φ8.0*35,Φ8.0*40
二.排布规则
1.抽孔,抽凸周围对称排配顶料销,也可采用内脱料的形式脱料。
2.折弯时如使用顶料销脱料,在凸模上折弯边每隔20-30MM排配一个顶料销,折弯拐角
处一定要排配一个顶料销。
3.折单边时,折弯边顶料销按上述原则排配,非折弯边视大小均匀分布2-4个顶料销。4.顶料销的排配一般保証顶料销逃孔边到材料边或模具相应刃口边距离为4MM,注意其位
置尺寸尽量圆整到整数或小数点后一位。
5.内孔精定位销两边一般对称排配两个顶料销,外形精定位可视需要礁定是否安装顶料销。6.另外顶料销的排配还要考虑整个工件的稳定性。
穿线孔位置设计标准
穿线孔位置及尺寸要求
对于精度要求较高﹐考虑到需要使用线割加工的内孔﹐设计者必须参照以下原则画出穿线孔(直径ψ1.0mm或ψ3.0mm﹐图层为该模板铣床层)。
1.异形孔大于等于6mm时﹐穿线孔直径用ψ3.0mm。穿线孔离长边4mm(如图A)﹐注意﹕刀口板折模孔穿线孔做在非刀口处离边4mm,(如图B)
2.异形孔小于或等于6mm大于3mm时﹐穿线孔直径用ψ1.0mm,穿线孔做中心(如图C)。
3.异形孔小于3mm﹐穿线孔直径用ψ1.0mm,非刀口线割孔作外面离边4mm或做在孔中心﹐(如图D)﹐刀口线割孔做在孔中心(如图C)。4.共享板(零)件线孔一般做在对产品尺寸无直接影响的板(零)件上﹐例复合模公母模共享时做在公模上。
5.圆孔设计者不需画出穿线孔。

打色拉孔设计标准
1.色拉孔的分类
色拉孔根据产品的要求不同﹐一般有深和浅两种类别。如图一所示色拉是产品互相铆接时﹐采用浅色拉孔成形﹔图二所示色拉用于铆拉钉之用﹐采用深色拉成形。在设计过程中﹐依据如图所示加以区分色拉形式﹐对其采用不同的成形方法。

2.对于色拉孔的成形﹐一般分为三个步骤﹐第一步﹕冲底孔﹔第二步﹕打色拉孔﹔第三步﹕冲色拉过孔。由于色拉的形式有两种﹐对于其成形过程﹐有特殊的要求﹐据本内容详见下列叙述。
第一步﹕冲底孔﹐如图三所示﹕
在第一步冲底孔﹐冲头直径=D-0.4mm.


第三步﹕冲色拉过孔﹐如图六和图七所示﹕
在冲色拉过孔时﹐浅色拉孔和深色拉孔成形时取值是不一样的。(下模部分应优先考虑做入子)
(1)深色拉孔冲色拉过孔时﹕冲裁间隙(单边)固定取0.02﹔冲头直径=D.(2)浅色拉孔冲色拉过孔时;冲裁间隙(单边)固定取0.02﹔冲头直径=D.

滑块结构设计标准
一.滑块固定形式
常用的有如下几种﹕
1适用于中小形滑块﹐依靠滑块的垂直边限位(如图1)﹔
2适用于以共享方式加工的大型滑块﹐限位块采用入块形式(如图2)﹔
3适用于需快速装卸的大中型滑块﹐依靠滑块底部的限位板限位(如图3)﹔
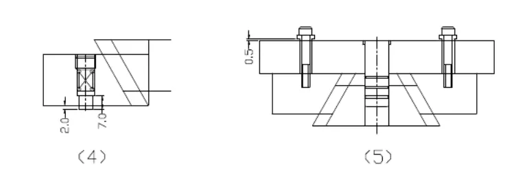
4适用于需要滑块在接触料片前先复位的场合﹐靠滑块中的顶料销作用﹐先将滑块复位﹐顶料销长度通常为7mm﹐浮出端面2.0mm﹐选用红色扁线弹簧。(如图4)
5适用于要求中间垂直p上下运动﹐左右滑块水平运动的块合﹐中间滑块依靠内导柱导向﹐左右滑块用等高套筒限位﹐等高套筒长度取夹板厚度加0.5mm。(如图5)


二.滑块通用结构及尺寸
1配合部分大滑块及模板通常取外角为R1.0﹐内角取R0.8﹐如图(9)所示;小滑块及模板取外角R0.5内角取R0.3
2图(7)(8)为滑块常用的结构形式.
图(6)用用于滑块尺寸较小而无法设置燕尾﹐或采用图(7)(8)的形式﹐模板在滑块W方向尺寸干涉时﹐图中尺寸A,B,C,D一般最小取3mm;3滑块配合间隙(图中影线部分)﹕
(1)材料厚度大于或等于0.6时﹐模板相应单边放大间隙0.03,滑块不放间隙﹔(2)材料厚度小于0.6时﹐模板相应处单边放大间隙0.02﹐滑块不放间隙﹔
(3)大中型滑块割共享时﹐设计者仅需绘出滑块理论形状﹐共享处的阶梯断面及间隙由
加工部门自行处理﹐共享滑块配合间隙一般取0.02。
4滑块斜角P在15度内时可任取﹔当大于15度时﹐只能取30度及45度两种﹐斜角最大不超过45度。
滑块斜角优先选用5°﹐10°﹐30°﹐45°几种规格。

三.滑块设计注意事项
1滑块垂直运动行程一般不得大于滑块厚度的一半﹔
2为确保滑块活动可靠﹐滑块顶部应布置适当数量的浮升销或弹簧﹔
3当滑块以共享形式加工时﹐应将两滑块绕模板中心旋转180度进行加工﹐此时设计人员不需将图元旋转﹐调整工作由加工部门自行处理﹔
4如图(12)所示﹐当模板中间有小滑块时﹐若滑块斜度小于或等于15度﹐导滑槽可直接在模板上割出﹔若滑块斜度大于15度﹐模板上的导槽最好改为入块形式。

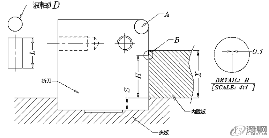
折刀&滚轴设计标准
1.滚轴
1)一般情况下,滚轴选用Φ6.00,特殊时可选用Φ4.00。2)滚轴若没有让位加工,可不需出图。2.折刀
1)折刀采用夹板铣槽,内六角螺丝(M10)固定或割孔。
2)H取值小于内脱板厚度.折刀上部内磨0.1作用主要是防止折刀将材料刮伤。3)有内导柱时折刀与内脱板的间隙为+0.1,无内导柱时折刀与内脱间隙为0.02.

4)折刀规格与脱板厚(X)和槽深(S)的关系表:



侧刃定位设计标准
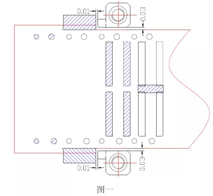
在连续模设计中﹐为使材料送料精确,使用节距定位来保証材料的送料步距。节距定位一般有切舌式和侧刃定位半切三种方式。因采用侧刃定位尺寸稳定﹐固常使用之。侧刃定位与冲头的间隙为0.01mm.。侧刃定位块尺寸请参考标准件”节距定位块”。结构方式请详见(图一)﹕

限位柱设计标准
在模具设计中﹐为了防止模具在空打时打坏零件﹐如字模﹐压线印﹔以及一些特殊模具力的不平衡情况时﹐而加以限位柱以其承受力量。
限位方式可以分为模内限位和模外限位两种。一般Φ20的用于模内限位﹐而Φ30和Φ40的用于模外限位。
限位柱据体尺寸请参考标准件”限位柱”。
限位柱的高度﹐如若是字模﹐压线印加限位柱﹐在模内只需突出模板(0.8~0.9T)﹐在模外加限位柱上下限位柱高度平分﹐但平分为整数为佳﹐或是有较大高度差以此防呆。

斜面定位结构设计标准
侧推成型时﹐外定位需采用浮升定位的方式﹐具体结构如(图一)所示﹐各零件配合间隙请依据其标准间隙于以取舍。定位块的尺寸以産品尺寸而定,余面以30°、45°作标准。

两用销设计标准
1.选用两用销
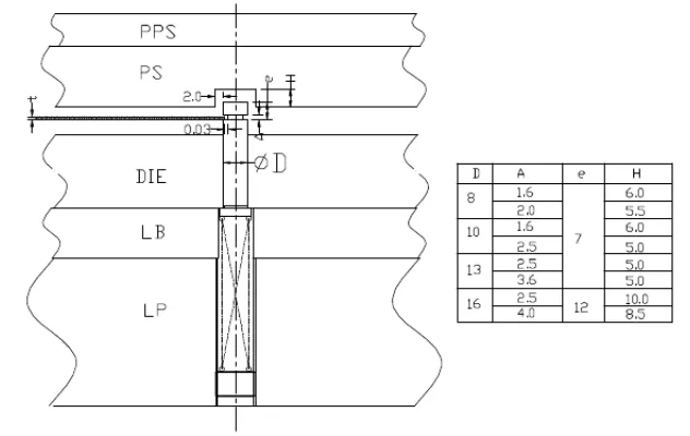
两用浮升销的选用不仅要考虑材料的厚度﹐还要考虑模具的大小(原则为优先取中)。尺寸可参考标准品”两用浮升销”。2.两用浮升销与之相关尺寸(如图)
(1)两用浮升销在脱料板上的让位深度,直接影响工件的质量﹐如让位过深或过浅时﹐
材料的料边会被压伤﹐甚而会把材料剪断。为减少这一现象的出现﹐根据标准两用销的规格﹐而确定脱料板的让位深度尺寸可参考图中之表。
(2)开模时﹐若两用浮升销的浮升高度超过内导柱开模时导向长度时﹐当导柱离开下
模时﹐浮升销的头部仍在脱料板内﹐导柱加长到双用销脱离脱料板,且开模力不平衡﹐会把浮升销碰断﹐故规定浮升销的脱板让位单边为0.5mm。但若是薄材或料宽过小时﹐请依据实际情况确定脱板让位间隙。
(3)浮升销不仅有定位﹐浮升的作用﹐而又要使送料顺利﹐故而规定剪切前材料与浮
升销的间隙为T的2倍;剪切后材料与浮升销的间隙为0.05mm.脱料板让位深爲头部+0.5T(H)

1;所有标注为智造资料网zl.fbzzw.cn的内容均为本站所有,版权均属本站所有,若您需要引用、转载,必须注明来源及原文链接即可,如涉及大面积转载,请来信告知,获取《授权协议》。
2;本网站图片,文字之类版权申明,因为网站可以由注册用户自行上传图片或文字,本网站无法鉴别所上传图片或文字的知识版权,如果侵犯,请及时通知我们,本网站将在第一时间及时删除,相关侵权责任均由相应上传用户自行承担。
[complaint:内容投诉]
智造资料网打造智能制造3D图纸下载,在线视频,软件下载,在线问答综合平台 » 最为详细的五金冲压模具设计标准外导柱安装形式标准靠刀形式设计标准顶料销设计标准穿线孔位置设计标准打色拉孔设计标准滑块结构设计标准折刀&滚轴设计标准侧刃定位设计标准限位柱设计标准斜面定位结构设计标准两用销设计标准

