讲解冲压模具设计“高凸成型”工艺
模具设计结构需要进行规范化才能规避大部分理论问题,规范的凸包成型结构,能更好的打出合格产品,下面我们就一起来聊聊“高凸成型结构”。

高凸形状
对于这种凸包较高结构的产品一般属于大件,如主板、机箱外壳上比较常见。如下图

工艺分析
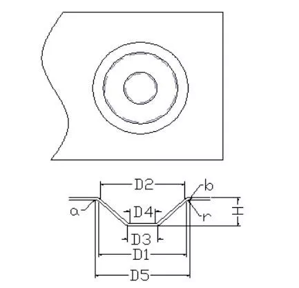
所谓高凸指的就是上图中H值比较高,一般大于5T可以理解为高凸或者说一次成型会拉破产品而需要分步成型的可以算高凸。

第一步:抽圆弧凸包
如上图所示,先将产品打出一个圆弧形高凸。其主要目的是将凸包所需的材料拉入凸包位,因此需要确认凸包具体尺寸,可按c、d两点的周长与高凸周长相等或稍大一些来进行计算。
第二步:整形
整形的结构常用有2种,如下图示。而在实际设计结构过程中,为了保证尺寸问题,第一种更为常见。第二种可以在精度不高的情况下使用。

以上为抽高凸结构基本定式,并没涉及到细节部分
东莞潇洒职业培训学校开设课程有:高升专、专升本学历提升、全日制中职学校学位、积分入户、数控编程培训、塑胶模具设计培训,压铸模具设计培训、冲压模具设计培训,精雕、ZBrush圆雕培训、Solidworks产品设计培训、pro/E产品设计培训、AutoformR7工艺分析培训,非标自动化设计、PLC编程、CNC电脑锣操机、平面设计等培训,潇洒职业培训学校线下、线上等网络学习方式,随到随学,上班学习两不误,欢迎免费试学!
联系电话:18029180991(微信同号)QQ:3461766451
学校官网:www.dgxspx.com 智造人才网:www.58hr.net
学习地址:东莞市横沥镇新城工业区兴业路121号-潇洒职业培训学校
免责声明:
1;所有标注为智造资料网zl.fbzzw.cn的内容均为本站所有,版权均属本站所有,若您需要引用、转载,必须注明来源及原文链接即可,如涉及大面积转载,请来信告知,获取《授权协议》。
2;本网站图片,文字之类版权申明,因为网站可以由注册用户自行上传图片或文字,本网站无法鉴别所上传图片或文字的知识版权,如果侵犯,请及时通知我们,本网站将在第一时间及时删除,相关侵权责任均由相应上传用户自行承担。
[complaint:内容投诉]
智造资料网打造智能制造3D图纸下载,在线视频,软件下载,在线问答综合平台 » 讲解冲压模具设计“高凸成型”工艺
1;所有标注为智造资料网zl.fbzzw.cn的内容均为本站所有,版权均属本站所有,若您需要引用、转载,必须注明来源及原文链接即可,如涉及大面积转载,请来信告知,获取《授权协议》。
2;本网站图片,文字之类版权申明,因为网站可以由注册用户自行上传图片或文字,本网站无法鉴别所上传图片或文字的知识版权,如果侵犯,请及时通知我们,本网站将在第一时间及时删除,相关侵权责任均由相应上传用户自行承担。
[complaint:内容投诉]
智造资料网打造智能制造3D图纸下载,在线视频,软件下载,在线问答综合平台 » 讲解冲压模具设计“高凸成型”工艺

