1、快速定位(G00/G0)
格式: G00 X___ Y___ Z___;
功能:只能快速定位,不能切削加工,可以同时指令一轴、两轴或三轴。

2、直线插补(G01/G1)
格式: G01 X___ Y___ Z___ F ;
功能:可以同时指令一轴、两轴或三轴。
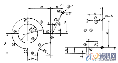
【例】在立式数控铣床上按图所示的走刀路线铣削工件上表面,已知主轴转速300r/min,进给量为200mm/min,试编制加工程序。

O5001;
G90 G54 G00 X155. Y40. S300;
G00 Z50. M03;
Z0.;
G01 X-155. F120;
G00 Y-40. ;
G01 X155.;
G00 Z300. M05;
X250. Y180.;
M30;
3、圆弧插补(G02/G2、G03/G3)


式中:I、J、K——圆心分别在x、y、z轴相对圆弧起点的增量( IJK编程)
【IJK编程与R编程】

①G91方式IJK编程:
(G91 G17)
G02 X30. Y-30.0 I-20. J-50. F120;
② G91方式R编程:
(G91 G17)
G02 X30. Y-30.0 R54. F120;
③ G90方式IJK编程:
(G90 G17 G54)
G02 X90. Y40.0 I-20. J-50. F120;
④ G90方式R编程:
(G90 G17 G54)
G02 X90. Y40.0 R54. F120;
基本移动指令实例
【例】在立式数控铣床上按图所示的走刀路线铣削工件外轮廓(不考虑刀具半径),已知主轴转速400r/min,进给量为200mm/min,试编制加工程序。

O5002;
G17 G90 G54 G00 X0 Y0;
X-35.0 Y-70.0 S400;
Z50.0 M03;
G01 Z-25.0 F1000 M08;
X-60.0 F200;
G03 X-110.0 Y-20.0 50.0;
G01 Y-40.0;
G02 X-140.0 Y-70.0 R-30.0;
G01 X-160.0;
G03 X-110.0 Y-120.0 R50.0;
G01 Y-140.0;
X-80.0;
G02 X-40.0 Y-100.0 R40.0;
G01 Y-65.0;
G00 Z50.0;
Z90.0 M05;
X0 Y0;
M30;
GO3 圆弧插补(逆时针)
G03 X__Y__R__F__;
R:圆弧半径
GO4 暂停
G04 X(U)__; 或 G04 P__;
XU:后是指定暂停时间,其后数值要带小数点,否则以此数值的千分 之一计算,单位为s;
P:指定时间,不允许有小数点(即以整数表示),单位为ms。
GO2.1渐开线插补(顺时针)
G02.1 X__Y__I__J__F__P;
IJ:圆弧中心坐标
P:螺距数,回转数
GO3.1渐开线差补(逆时针)
G03.1 X__Y__I__J__F__P;
IJ:圆弧中心坐标
P:螺距数,回转数
GO2.3
指数函数插补(正转)
G02.3 X__Y__I__J__R__F__Q__I;
IJ:角度
R:定数值
F:初期进给速度
Q:终点进给速度
G03.3
指数函数插补(反转)
G03.3 X__Y__I__J__R__F__Q__ I;
IJ:角度;
R:定数值;
F:初期进给速度
Q:终点进给速度
G05
高速高精度制御Ⅰ
G05 P10000 高速高精度制御开启
G05 P0 高速高精度制御关闭
G05 P3 高速加工开启
G05 P0 高速加工关闭

G05.1
高速高精度制御Ⅱ
G05.1 Q1 高速高精度制御开启
G05.1 Q0 高速高精度制御关闭
G05.2 Q2 X0 Y0 Z0 自由曲面高精度模式开启
G05.1 Q0 自由曲面高精度模式关闭
G07.1
圆筒插补
G07.1 C__;
C:圆筒半径
G09
正确停止检查
G10
程式参数输入/补正输入
G90 G10 L2 P__Xp__Yp__Zp__;
G91
P:0 外部工件坐标
P:为0~6以外数字时,P之值视为1。P省略时,视为现在选择中的工件坐标补正量输入
G10 L10 P__R__;
P:补正号
R:补正量
G10 L10 P__ R__ ;长补正形状补正
G10 L11 P__ R__ ;长补正磨耗补正
G10 L12 P__ R__ ;径形状补正
G10 L13 P__ R__ ;径磨耗补正
G11
程式参数输入取消
G12
圆切削CW
G12 I__D__F__;
I:圆的半径(增量值)
D:补正号
①从圆心下刀
②以圆弧方式逼近轮廓
③铣圆弧路径
G12.1
极坐标插补模式开始
G13
圆切削CCW
G13 I__D__F__;
I:圆的半径(增量值)
D:补正号
G13.1
极坐标插补模式取消
G15
极坐标指令取消
G15取消G16极坐标指令
G16
极坐标指令有效
N1005 G16;
N1010 G90 G01 X__Y__;
……
N2000 G15;
相关阅读:
1;所有标注为智造资料网zl.fbzzw.cn的内容均为本站所有,版权均属本站所有,若您需要引用、转载,必须注明来源及原文链接即可,如涉及大面积转载,请来信告知,获取《授权协议》。
2;本网站图片,文字之类版权申明,因为网站可以由注册用户自行上传图片或文字,本网站无法鉴别所上传图片或文字的知识版权,如果侵犯,请及时通知我们,本网站将在第一时间及时删除,相关侵权责任均由相应上传用户自行承担。
[complaint:内容投诉]
智造资料网打造智能制造3D图纸下载,在线视频,软件下载,在线问答综合平台 » 学习数控编程,搞懂G代码是关键,终于整理全了1、快速定位(G00/G0)2、直线插补(G01/G1)3、圆弧插补(G02/G2、G03/G3)基本移动指令实例GO3 圆弧插补(逆时针)GO4 暂停GO2.1渐开线插补(顺时针)

