问题:
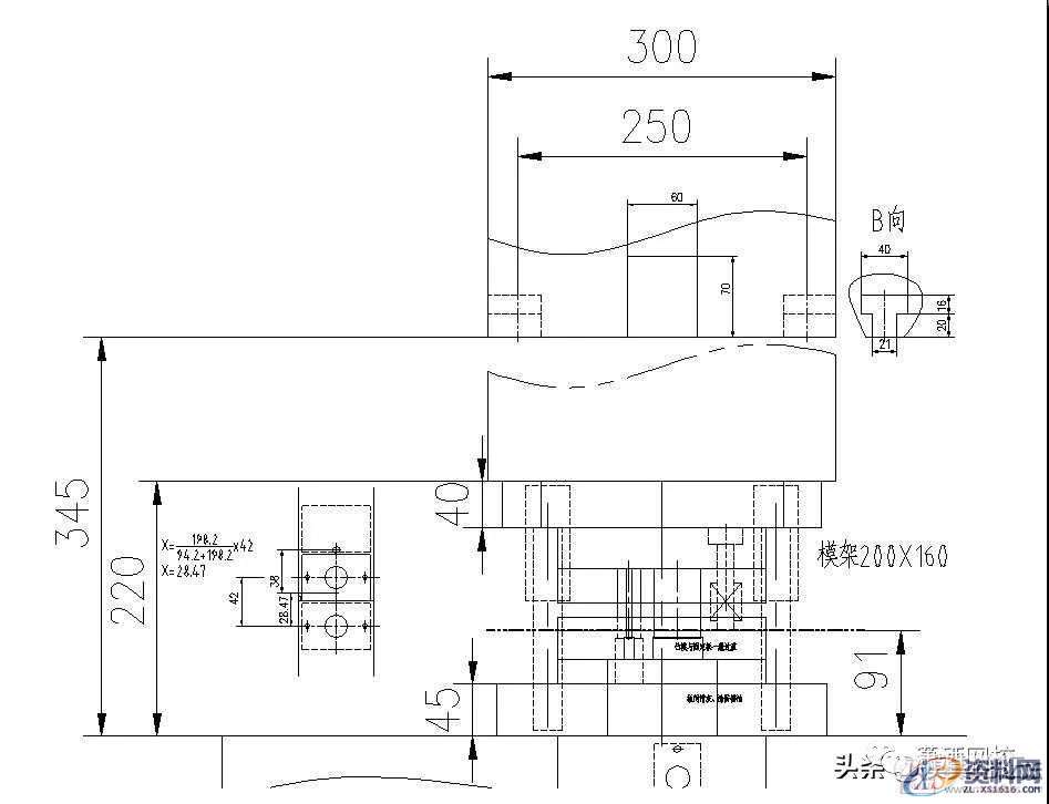
类似下面的产品,精度不太高,现在想使用BB模架,滑动外导柱导套,
我想知道是否还需要使用内导柱导套(导正卸料板)


如果不加内导柱,是否可以合模调整凸凹模间隙合适后,后加工定位销孔定住凸、凹模和上下模座?
我的问题可能比较初级,希望大佬不吝赐教。
多谢大侠的解答,您看我这么理解对不:
短期内不考虑冲头/型腔等磨损,或者中小批量产品/承受负载小的简单件,不一定要使用外导柱;
如果模架精度相对产品要求来说足够,不必要使用内导柱?
另外还想请教下,最近网上看资料+自己瞎琢磨怎么加工装配模具导向部分的两种工序,您能看看哪种对吗?还是都不合理,麻烦您了
一、分别加工导向,定位精度靠机加工保证
1. 分别加工凸模固定板上的冲头(凸模)安装孔、凹模型腔;
2. 分别加工凸模固定板、卸料板、凹模上的内导柱、导套安装孔,用慢走丝/镗/坐标磨保证精度;
3. 压入冲头、内导柱,并将导套涂胶,用等高垫铁对好凸、凹模间隙后将导套固化;
4.凸、凹模对好,并连接上下模座,锁紧螺栓,再拆分开上下模,分别配作加工上模和上模座、下模和下模座连接的销孔。
二、螺栓连接凸、凹模,定位精度靠配作保证
1. 凸模固定板、凹模、卸料板(也可从凹模切出来)压紧一起加工冲头(凸模)安装孔、凹模型腔,以及导柱、导套安装孔【此时三块板配作的型腔尺寸都是凸模固定板与冲头的过渡配合尺寸】;
2. 将卸料板、凹模的型腔尺寸修磨扩大到所需间隙;
3. 压入冲头、内导柱,并将导套涂胶,对好凸、凹模间隙后将导套固化;
4.凸、凹模对好,并连接上下模座,锁紧螺栓,再拆分开上下模,分别配作加工上模和上模座、下模和下模座连接的销孔。
【如果不加内导柱导套,只用模架导向,则先把凹模、下模座打销连接,上模压入冲头后用等高垫铁合模,对好间隙后将凸模固定板与上模座锁紧,再配作凸模固定板与上模座的销孔】
谢谢!
真的很感谢,您一席话解决了我不少天的困惑,的确还需要多结合工厂实际来学习
模架精度直接与价格成正比。压力机精度高,内外导向都嘛可以不用。
一、导柱套的功能就是导向,导柱的精度靠机加工,导套分两种,压入式的靠精加工;胶合的靠人为调整。
1. 一般做法是各板分别加工,也有叠合后一起加工,区别在各厂的精度要求与习惯做法;
2. 用慢走丝/镗/坐标磨保证精度是一般常用的机加工法,但不是绝对的,有种导柱套是直接用螺栓锁在板上;
3.压入冲头用于厚板或精度比较低的模具,高精度模具的凸模安装是浮动的,依靠卸料板在导正;
4.高精度模具的销孔都是事先加工好,事后加工的一般模具价位比较低;
以上都是依据各厂的产品、成本、习惯在执行,初学者应该要先深入了解各零件的主要功能,与零件本身各细分部分肩负的功能,这是基本功。
二、不是所有的凸、凹模零件都靠螺栓连接;定位精度靠配作保证的模具一般都是低价位模具;
你所列的1~4项都太局限性,需要再累积知识才能够与厂里习惯做法接轨。
东莞潇洒职业培训学校开设课程有:高升专、专升本学历提升、全日制中职学校学位、积分入户、数控编程培训、塑胶模具设计培训,压铸模具设计培训、冲压模具设计培训,精雕、ZBrush圆雕培训、Solidworks产品设计培训、pro/E产品设计培训、AutoformR7工艺分析培训,非标自动化设计、PLC编程、CNC电脑锣操机、文职培训、电商培训、平面设计等培训、电商培训,潇洒职业培训学校线下、线上等网络学习方式,随到随学,上班学习两不误,欢迎免费试学!
联系电话:13018639977(微信同号)QQ:2033825601
学校官网:www.dgxspx.com 智造人才网:www.58hr.net
学习地址:东莞市横沥镇新城工业区兴业路121号-潇洒职业培训学校
楼主的思维被外界误导了呀!
最早的冲压模都是没模架的,到现在还是可以看见很多例子。
后来因每次架模都得调间隙,于是有人提出优化方案,就是加导柱导向用于合模。
又有人觉得模内导向的磨损快,因此模架出现了。
这个阶段就比较混乱,有的模是模内有导向,有些是只有模架导向,也有的模是模内模架都有导向。
有些人的冲压速度快了,发现滑动导柱套容易咬伤,于是开始优化导套,从铁-铁搭配到钢-钢,钢-铜。
再来又有优化方案出现了,将滑动副改为滚动副。(带有颗粒的比平滑的用起来更爽)
1;所有标注为智造资料网zl.fbzzw.cn的内容均为本站所有,版权均属本站所有,若您需要引用、转载,必须注明来源及原文链接即可,如涉及大面积转载,请来信告知,获取《授权协议》。
2;本网站图片,文字之类版权申明,因为网站可以由注册用户自行上传图片或文字,本网站无法鉴别所上传图片或文字的知识版权,如果侵犯,请及时通知我们,本网站将在第一时间及时删除,相关侵权责任均由相应上传用户自行承担。
[complaint:内容投诉]
智造资料网打造智能制造3D图纸下载,在线视频,软件下载,在线问答综合平台 » 冲压模具设计经验解答:冲裁这个简单零件的模具,是否需要内导柱? ...问题:

