随着人民生活水平的提高,高端智能手表得到广泛的应用。智能手表的功能也得到广泛的拓展。本文介绍智能手表外壳注塑模具设计要点。

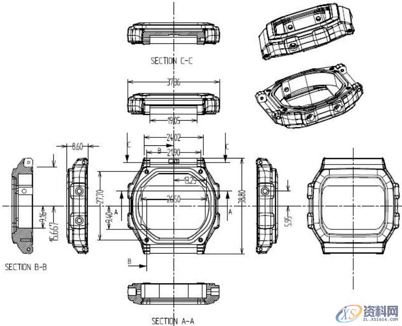
智能手表外壳产品最大外形尺寸为 37.36 mm x 38.80 mm x 8.60 mm,塑件平均胶位厚度 1.95mm,塑件材料为 ABS,缩水率为 1.005,塑件质量为 3.89 克。塑件技术要求为不得存在披峰、注塑不满、流纹、气孔、翘曲变形、银纹、冷料、喷射纹、气泡等各种缺陷,塑件成型中不得使用脱模剂。塑件侧面有 7 个侧孔,分别为表带安装孔和调节按钮孔,分为两组,分别处在左右两个滑块上。

智能手表属于高端消费性电子产品,对于塑件的外观有很高的要求。塑件在满足外观要求的前提下,还需要保持高的尺寸精度和几何精度,以满足装配后防水性能。通常能够成型精密注塑件的塑料有以下四种:POM、PA、PC 和 ABS,智能手表外壳塑件采用 ABS 设计制造,正是利用了 ABS 材料能够成型精密塑件、具有优良的注塑成形性能和优良的喷油和电镀性能,能够满足高端智能手表对于外观美观性能的要求。

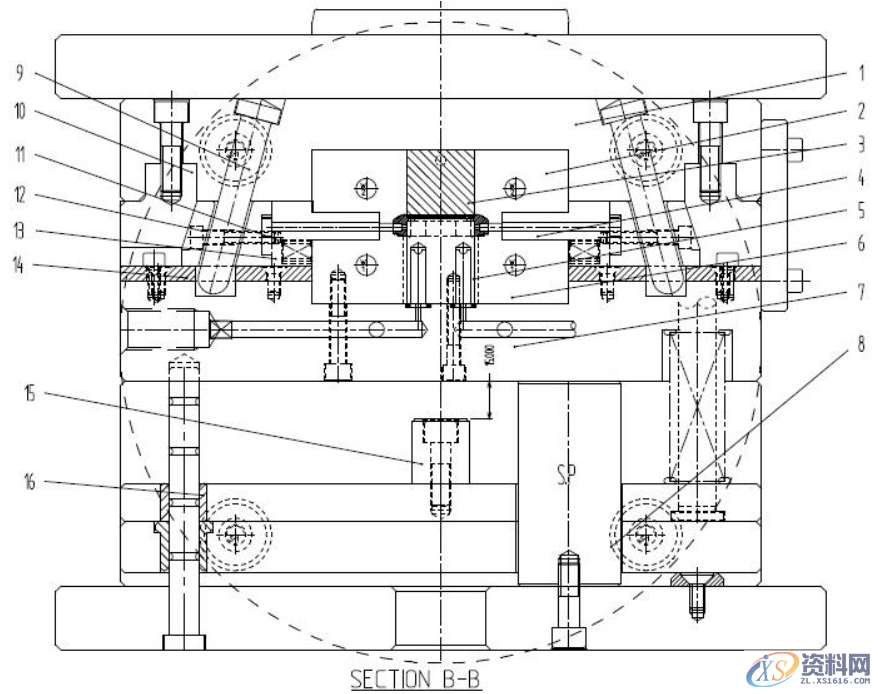
塑件尺寸较小,但是精度很高。加之左右两侧需要设计滑块抽芯机构,因此模具设计型腔排位为 1 出 1. 模胚为 CH2325,前后模仁材料均为 NAK80,是预硬化钢材中硬度和表面抛光性能最好的钢材。在模仁的四角设计 10º的虎口,利于前后模仁精确定位。模胚上设计了 2 个锥形定位件 23,进行模具精密定位。模胚上方铁和动模板以及底板之间增加了定位销,有利于保持模架刚性。为了适应日本模具的码模习惯,将模具的面板和底板进行加长,因而码模方向为水平码模。这种码模方式是将模具水平推入,而不是采用将模具从注塑机顶部吊入。

熔融塑料自主流道进入分型面后,沿分流道潜伏式浇口进入模具型腔,一点进胶。模具的顶出系统设计采用顶针顶出。四组顶针分别处于塑件的四角,每组顶针分别由直径0.9、1.2 和2.0的3 支顶针组成。顶针材料为SKH51,属于高速钢耐热顶针。全套模具的标准件全部采用日本 MISUMI 标准件。顶针板上设计有中托司,为小直径顶针提供导向。

顶针板底部设计有顶出镶块 26,增加顶针板刚性,防止顶针板变形,更为重要的是,该镶块可以缩短顶出行程。有利于降低注塑周期。模具左右两侧滑块均为斜导柱驱动的滑块。由于塑件侧孔尺寸精度较高,需要设计成镶针,由滑块镶件 13固定在滑块座 12 上。滑块底部设计耐磨板,便于藏油和降低摩擦系数。所有镶针全部氮化以提高硬度减少磨损。


动定模均设计了冷却回路,对于稳定注塑生产,缩短注塑周期都有重要意义。对于智能手表外壳这样的小型精密塑件。其合理注塑周期应该在 20S 以下。本套模具的第一次试模注塑成型条件见图 4.模具在第一次试模后,按照样板外观、塑件尺寸和模具稳定性等三方面进行模具项目检讨,对存在的问题进行改善。

东莞潇洒职业培训学校目前开设课程有:学历提升、积分入户、数控编程培训、塑胶模具设计培训,压铸模具设计培训、冲压模具设计培训,精雕、ZBrush圆雕培训、Solidworks产品设计培训、pro/E产品设计培训、AutoformR7工艺分析培训,非标自动化设计、PLC编程、CNC电脑锣操机、平面设计等培训,潇洒职业培训学校线下、线上等网络学习方式,随到随学,上班学习两不误,欢迎免费试学!
联系电话:13018636633(微信同号) QQ:1740467385
学习地址:东莞市横沥镇
1;所有标注为智造资料网zl.fbzzw.cn的内容均为本站所有,版权均属本站所有,若您需要引用、转载,必须注明来源及原文链接即可,如涉及大面积转载,请来信告知,获取《授权协议》。
2;本网站图片,文字之类版权申明,因为网站可以由注册用户自行上传图片或文字,本网站无法鉴别所上传图片或文字的知识版权,如果侵犯,请及时通知我们,本网站将在第一时间及时删除,相关侵权责任均由相应上传用户自行承担。
[complaint:内容投诉]
智造资料网打造智能制造3D图纸下载,在线视频,软件下载,在线问答综合平台 » 塑胶模具设计:智能手表外壳注塑案例

