产品介绍
随着人民生活水平的提高,化妆品得到广泛的应用。保湿露是一种液态霜类化妆品,保湿露的主要作用为去污、补充水分、补充营养,或具有控制皮肤油脂、美白的作用。化妆品市场在保证产品功能的同时,还起着吸引消费者眼球的作用,个性化实用型的化妆品包装是主流包装的趋势,因此设计师在设计化妆品包装时候,要将多种现代元素进行巧妙融合,具有现代发展意义。化妆品包装是无声的推销员,前卫的包装潮流,加入张扬的效果。现代化文化的融合,是包装的重要组成,传递品牌信息,将品牌回味体现的淋漓尽致。
化妆品包装对消费者产生丰富的感觉,凸显视觉冲击效果,保证产品的功能。化妆品包装可以通过文本,图形,颜色,形状以及多种个性化的元素融合,呈现多种风格,以满足现代人的爱美以及个性化追求,简洁,清新,优雅等多种设计新趋势。化妆品包装在今天的包装市场承载着多种意义。可见,化妆品包装在展示销售过程中发挥着重要的影响作用,多元化,个性化,精致化是化妆品包装未来的主要发展趋势,满足不同消费群体的消费需求,满足现代化的个性化需求,心理需求,推动化妆品行业的快速发展。

图1 75ML保湿露盖产品图
化妆品包装的基本外观要求:
1、产品组件:要求必须与封样一致,不得缺失。不得出现飞边,毛边,利刃,防止尖锐,刺手,会造成人体伤害,或影响使用功能、产品不完整并严重影响整体外观。
2、材质要求:与封样一致,不得随意更换料。
3、流痕(熔接痕):距眼睛一臂距离内,目视明显(应在限度范围内)。
4、间隙:对比样品, 盖与瓶的间隙不得超过1mm。
5、断差:断差应在限度范围内,人手摸触不得有明显刮手的感觉。
6、损伤:容器破裂(损),无法填充内料,并已影响功能及整体外观。不得出现凹陷、碰伤、拉伤、擦伤、划伤、轻微裂痕等,距眼睛一臂距离内,目视不得明显,不得影响产品logo,且应在限度范围内。
7、卫生:非化妆品料体接触面有异物、杂质、毛发、油污、污点、灰尘等污染物生物污染(发霉、血渍、虫害、化妆品料体接触面毛发等)。化妆品包装的图文印刷要求:
1、烫印/印刷附着度:用3M-810 胶带粘着1 分钟后成45°~90°角用力快速撕下一次,不得有明显脱落以至于露底,字体应清晰可见。
2、电镀/喷涂附着度:使用美工刀,在电镀/喷涂的部位划出4~6 个边长约0.2cm 的方格(划伤电镀/喷涂的涂层即可),用3M-810 胶带粘到方格上1 分钟后成45°~90°角用力快速撕下,不得有脱落。
3、色差:颜色应符合标样,且应均匀,不得超色限范围。
4、表面处理:电镀、喷涂点状或线状露底,麻点等,应在限度范围内。
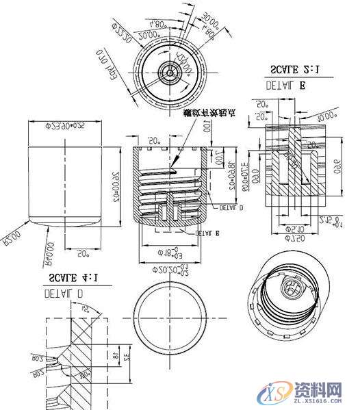
5.饰纹:要求清晰,要注意稿件内容不得错误,与要求不符,不得出现印刷文字或图案重影,边缘不平整或呈锯齿状,点装缺失,色点等,不得影响整体产品外观及烫饰图样且应在限度范围内(色点不得出现在logo 上及附近0.5cm 内)。上、下、左、右定向偏位:应﹤1.5mm。75ML 保湿露盖产品最大外形尺寸为ø23.90±0.25 mm x 26.00±0.20 mm ,塑件平均胶位厚度1.65mm,塑件材料为PP,缩水率为1.015,塑件质量为3.80 克。塑件技术要求为不得存在披峰、注塑不满、流纹、气孔、翘曲变形、银纹、冷料、喷射纹、气泡等各种缺陷,塑件成型中不得使用脱模剂。外盖应端正、光滑、无破碎、裂纹、毛刺(毛口)。外盖色泽应均匀一致。外盖螺纹配合结构应完好。盖与瓶的配合应严密,无滑牙、松脱。
塑件为圆形瓶盖类塑件,内部中心有一个密封柱,直径ø2.15,头部有10º锥度,柱子附近有一圈骨位,与瓶子起到配合作用,圆圈骨位内有3 条呈120º的骨位,起加强作用。盖子的边缘有均布的多处浅槽,在脱螺纹时起到止转作用。塑件内部有4.5 圈内螺纹,牙型为非等腰三角形,见图1 详图D。经过分析,此螺纹必须采用全自动旋转脱螺纹,不能强脱。化妆品包材生产批量巨大,因此,此类化妆品瓶盖类模具都是多腔模具,一般从4 腔到124 腔都有。具体型腔数量要根据瓶盖的结构、精度、模具结构、有无滑块抽芯机构、有无多次分型和强制脱模、有无脱螺纹机构等相关。还和注塑机的生产能力,是否热流道成型,是否全自动生产有关。75ML 保湿露盖模具采用1 出8 的模具型腔排位。排位方式为每排4 个,两排呈直线排列。模具排位的方式主要需要考虑到浇注系统设计和脱螺纹机构的设计。

图2 75ML保湿露盖模具图
化妆品包材类的多腔模具由于结构特殊,往往需要采用非标模胚。模具设计时,尽可能在标准模胚的基础上,通过增加模板等方式完成模具功能。非标模胚为2330,动模增加两层模板,用来设计和安放齿轮机构。塑件的浇口为牛角浇口,这是潜伏式浇口的一种变型。浇口位置在瓶盖的边缘底部。牛角浇口的优点是浇口痕迹较小,不影响塑件外观,顶出时可以自动切断,实现塑件和流道凝料的自动分离,便于全自动注塑。

图3 75ML保湿露盖模具图
化妆品包材类的多腔模具,由于生产批量较大,往往对注塑周期有规定的要求。在有脱螺纹机构的情形下,注塑周期在10~15S 为常见的要求。如果采用热流道系统注塑,注塑周期还有可能缩短。前后模的运水回路要设计足够,运水要环绕每个型腔镶件的圆周才能达到合理要求。多腔模具的另一个关键环节是加工精度,每个模板的孔的同心度必须达到0.015 以内,才能使塑件保持同心度。同心度超差时,前后模偏心,塑件壁厚就会不均匀,组装后,瓶盖和瓶身断差大,出现刮手的现象,严重影响产品品质。每穴的镶件尺寸公差同样在0.015 以内,使其具有互换性。动模的螺纹芯的加工要注意,设计夹具使螺牙磨削到尺寸,才能有高的表面粗造度要求,避免手工抛光使螺纹变形造成脱模旋转不顺。

图4 75ML保湿露盖模具图
模具采用液压马达脱螺纹机构实现全自动脱螺纹。液压马达型号为BM-R100,液压马达通过其上的大齿轮21 驱动齿轮C(件26),再带动相邻的4 个齿轮A(件13),齿轮A 再带动两个齿轮B,通过齿轮B 再带动另外4 个齿轮A,整个设计结构紧凑,传动效率高。分型面打开后,塑件脱离定模,液压马达驱动齿轮机构旋转,最终带动转芯12 旋转,在此同时,推板在弹簧8 作用下,向上弹起17mm,由塞打螺丝7 限位。推板上的止转圈A、B 将塑件从动模芯顶出。

图5 75ML保湿露盖模具图
为了便于加工牛角流道,止转圈分为A、B 两个半圆。塑件内部的骨位处设计了动内模34 和动内模镶件35 ,内部增加了顶针,起到良好的排气作用,并设计了冷却回路。转芯材料采用DC53,热处理HRC56-58,转芯与动内模34 只在两端接触,顶部接触时为了封胶,底部由自润滑轴承接触,中间全部为避空段,可以避免运动中烧死。所有运动零件及其安装孔均要保证加工精度。

图6 75ML保湿露盖模具图
点击关注关注老师学习不迷路,进老师主页查看更多干货!
每晚八点有免费直播课程学习,私信老师即可免费学习!
需要模具设计资料和软件的可以私信老师回复“资料”即可免费领取!
喜欢老师作品可以转发或收藏,同时请继续关注后期会推出高质量视频和技术资料!

图7 75ML保湿露盖模具图
东莞潇洒职业培训学校目前开设课程有:学历提升、积分入户、数控编程培训、塑胶模具设计培训,压铸模具设计培训、冲压模具设计培训,精雕、ZBrush圆雕培训、Solidworks产品设计培训、pro/E产品设计培训、AutoformR7工艺分析培训,非标自动化设计、PLC编程、CNC电脑锣操机、平面设计等培训,潇洒职业培训学校线下、线上等网络学习方式,随到随学,上班学习两不误,欢迎免费试学!
联系电话:13018636633(微信同号) QQ:1740467385
学习地址:东莞市横沥镇新城工业区兴业路121号-潇洒职业培训学校
1;所有标注为智造资料网zl.fbzzw.cn的内容均为本站所有,版权均属本站所有,若您需要引用、转载,必须注明来源及原文链接即可,如涉及大面积转载,请来信告知,获取《授权协议》。
2;本网站图片,文字之类版权申明,因为网站可以由注册用户自行上传图片或文字,本网站无法鉴别所上传图片或文字的知识版权,如果侵犯,请及时通知我们,本网站将在第一时间及时删除,相关侵权责任均由相应上传用户自行承担。
[complaint:内容投诉]
智造资料网打造智能制造3D图纸下载,在线视频,软件下载,在线问答综合平台 » 注塑模具设计之化妆品保湿露瓶盖设计方法

