冲压模具设计中,产品展开是最重要的内容之一。目前,常用的产品展开方法大概可以分为经验公式展开法、3D软件中性层展开法、AF反算修边线法三大类。
3D软件展开最快,但是展开尺寸死板一般用于核对或者辅助经验展开法,我们就不做过度解读。

AF反算修边线展开主要针对曲面造型件(汽车产品),通常还需要结合镭射料带进行试刀口,其实也并非百分百准确。
经验公式法主要适用于电子类产品及各种非曲面产品折弯工艺计算。展开相对准确,但各种情况需要经验才能使用得当。
r<1/2T时,折弯件展开尺寸计算公式

r>1/2T时,折弯件展开尺寸计算公式


各种常见不同弯曲形状展开尺寸计算公式

各种折弯常用线固连接尺寸计算方法



铰链弯曲时,材料受到挤压和弯曲双力作用,所以会使得中性层由板料厚度的中间向外层方向移动。R/T比值愈小,中性层系数K值愈大,R/T愈大,则K值愈小。K值详见下表:

常用铰链结构形式分三种,如下图:

各种展开计算公式如下:
a型

b型

c型

注:R—弯曲中性层半径,R=r+Kt;
L,L2,L3———计算尺寸,可按材料中间层尺寸计算;
o———相对圆心角由零件图尺寸确定。
对于常见90°折弯内r较小的情况,K值通常可以直接通过查表获得,具体数值如下表所示:

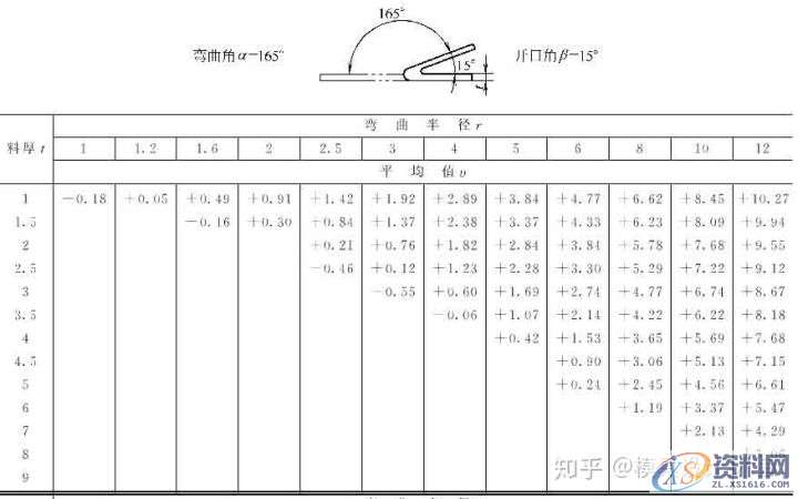
各种非90°折弯展开系数速查数值系列,具体如下图:










各种展开以上表数值为辅助设计,主要为丰富大家设计知识面。通常设计并不直接使用,欢迎大家提供各种想法。
东莞潇洒职业培训学校开设课程有:高升专、专升本学历提升、全日制中职学校学位、积分入户、数控编程培训、塑胶模具设计培训,压铸模具设计培训、冲压模具设计培训,精雕、ZBrush圆雕培训、Solidworks产品设计培训、pro/E产品设计培训、AutoformR7工艺分析培训,非标自动化设计、PLC编程、CNC电脑锣操机、文职培训、电商培训、平面设计等培训、电商培训,潇洒职业培训学校线下、线上等网络学习方式,随到随学,上班学习两不误,欢迎免费试学!
联系电话:13018639977(微信同号)QQ:2033825601
学校官网:www.dgxspx.com 智造人才网:www.58hr.net
学习地址:东莞市横沥镇新城工业区兴业路121号-潇洒职业培训学校1;所有标注为智造资料网zl.fbzzw.cn的内容均为本站所有,版权均属本站所有,若您需要引用、转载,必须注明来源及原文链接即可,如涉及大面积转载,请来信告知,获取《授权协议》。
2;本网站图片,文字之类版权申明,因为网站可以由注册用户自行上传图片或文字,本网站无法鉴别所上传图片或文字的知识版权,如果侵犯,请及时通知我们,本网站将在第一时间及时删除,相关侵权责任均由相应上传用户自行承担。
[complaint:内容投诉]
智造资料网打造智能制造3D图纸下载,在线视频,软件下载,在线问答综合平台 » 十年设计师都看不懂的产品展开公式有这么复杂,的确涨见识 ...

