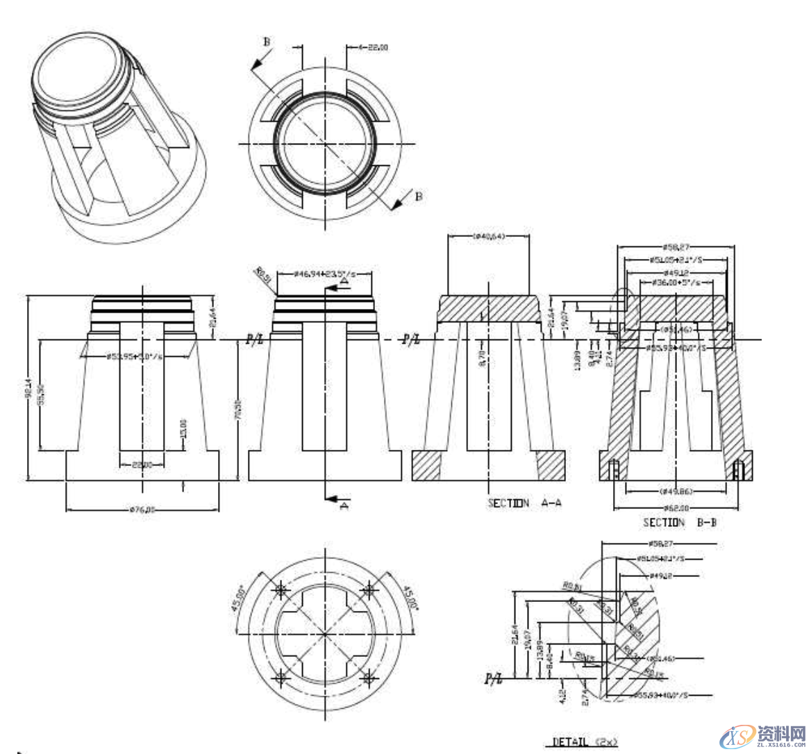
大瓶盖产品如图1 所示,大端外径59.80 mm,高度22.10mm,顶部胶位厚度0.80 mm,材料为PP,缩水率为1.016,
盖口边缘有4 处倒扣。
图 1 大瓶盖产品图
塑件属于瓶盖类塑件,内孔无螺纹,瓶口边缘有倒扣4 处,深度1.0mm,沿圆周均布,通常的做法是采用强
脱使塑件脱模,推板顶出。如果倒扣较深,则采用内部斜顶顶出。当塑件外径较大时,也可以采用内行位的办法
解决倒扣脱模问题。无论是设计斜顶或者是设计内行位,均会在瓶盖内部侧面到顶面留下多处斜顶或内行位夹线,
严重影响塑件的美观。
强脱的优点是可以克服以上夹线,但是由于倒扣深度较大,强脱会使塑件局部变形,导致塑件失圆和尺寸超
差。这种强脱会严重影响塑件品质。

针对以上问题,设计了特殊斜顶的模具结构,解决了斜顶顶出会影响塑件美观的问题。
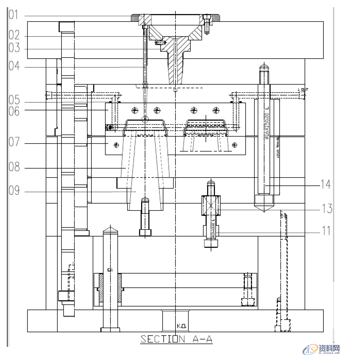
瓶盖类塑件产量较大,对于型腔数量和成型周期具有较高要求。因此,模具的型腔排位为1 出8,排列成两
排直线,每排4 穴。模胚为细水口DBI3550,分流道设计为双H 型,流道能够做到平衡。浇口设计采用瓶盖类产
品的常规设计方法,即点浇口在瓶盖顶端一点进胶。浇口和分流道设计参数见图2 模具设计图。

本套模具采用巧妙的斜顶设计,有效解决了斜顶夹线影响美观的问题。即降低斜顶(序号8)的高度,将斜
顶8 藏于后模芯17(见图5)内,这样只在瓶盖口部产生斜顶的夹线。
关键要点:斜顶、斜顶导轨和后模芯的制作精度是本套模具的关键所在,这3 个零件的斜面是导向关键零件,
需要采用慢走丝精密切割,角度公差控制在±0.01゜.

开模后,首先是水口板分开,取出水口料,紧接着分型面打开,注塑机拉动动模后退,塑件随动模后退,在
弹簧13 作用下,模具B 板与垫板首先分析分开,模板打开距离20,由塞打螺丝11 限位。在此过程中,后模芯与
斜顶导轨脱离,后模芯驱动斜顶从倒扣位置脱离。开模动作结束后,在注塑机顶出机构作用下,顶针板被顶动,
带动推板将塑件从后模芯推出。需要注意顶针板弹簧的安装位置。另外需要注意的是树脂开闭器18 必须安装在垫
板上,通过连接柱16 穿过推板与B 板安装。


图2 大瓶盖模具图
图3 斜顶图(序号8)
图4 斜顶之导轨(序号9)
图5 后模芯
(文章转载于网络、仅供学习分享,如有侵权请联系删除)
东莞潇洒职业培训学校目前开设课程有:学历提升、积分入户、数控编程培训、塑胶模具设计培训,压铸模具设计培训、冲压模具设计培训,精雕、ZBrush圆雕培训、Solidworks产品设计培训、pro/E产品设计培训、AutoformR7工艺分析培训,非标自动化设计、PLC编程、CNC电脑锣操机、平面设计等培训,潇洒职业培训学校线下、线上等网络学习方式,随到随学,上班学习两不误,欢迎免费试学!
联系电话:13018636633(微信同号) QQ:1740467385
学习地址:东莞市横沥镇新城工业区兴业路121号-潇洒职业培训学校
1;所有标注为智造资料网zl.fbzzw.cn的内容均为本站所有,版权均属本站所有,若您需要引用、转载,必须注明来源及原文链接即可,如涉及大面积转载,请来信告知,获取《授权协议》。
2;本网站图片,文字之类版权申明,因为网站可以由注册用户自行上传图片或文字,本网站无法鉴别所上传图片或文字的知识版权,如果侵犯,请及时通知我们,本网站将在第一时间及时删除,相关侵权责任均由相应上传用户自行承担。
[complaint:内容投诉]
智造资料网打造智能制造3D图纸下载,在线视频,软件下载,在线问答综合平台 » 塑胶模具设计:大瓶盖特殊斜顶注塑模设计方法

