一.引言介绍
口红是唇膏、唇棒的一种,是指涂饰于嘴唇的化妆品。口红的颜色一般以红色为主,也有白色的(俗称口白),还有一种变色口红,是用曙红酸等染料调制而成的。口红是让唇部红润有光泽,达到滋润、保护嘴唇的一种产品,是女性必备的美容化妆品之一,可显出女性之性感、妩媚。
二.塑料件的分析
口红外套产品如下图所示。塑件材料为 GP STYRENE(苯乙烯),缩水 1.004,这种材料常用来制作食品级产品的包装。从下图 可以看出,塑件尺寸为 47.38*23.63*33.88mm,平均胶位厚度为 1.5 mm,口红塑件对外表面要求极高,不得存在各种影响美观的缺陷。从图中可以看出,塑件的分型面会是一个斜面,圆筒的两侧各有一个扣位,需要斜顶或者滑块脱模。



三.模具设计要点:
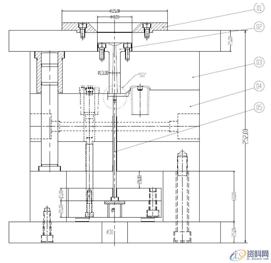
1.分型面设计:根据塑件的形状,模具的分型面为一斜面。如图所示。由于塑件不允许有夹线,因此,前模仁没有设计镶件,
2.进胶方式:塑件的进胶方式为潜水口进胶,见图
3.模具排位采用 1 出 4,适合客户指定的注塑机 BOY 50, 这种注塑机是德国机器,厂家致力于开发和生产锁模力 1000kN 以下的注塑机,超低偏差的精密生产,充足装模空间,适配较大型模具,,机身结构简洁, 成品收集简易,操作过程中简化设置。
相对而言节省近 1/3 的占地面积。也就是说,在同样的生产场地内,能更大量使用BOY 机器。BOY 注塑机的充足拉杆和模板间距,可放入相对过大尺寸的模具。 BOY 注塑机这一特点,解决了大多数客户所使用模具过大的问题,因此该机型在化妆品注塑厂家广泛使用。

图2-口红外套模具图
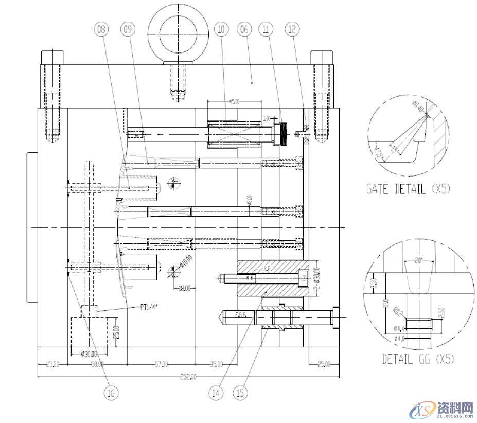
4.顶出系统设计:塑件的扣位,设计了弹性斜顶顶出,见图2 弹性斜顶见明细表序号 9,是 DMS 标准件。DMS 是英国著名的模具标准件供应商。DMS 的弹性斜顶尺寸规格见图6所示。弹性斜顶的使用注意事项如下:
1) 使用弹簧钢制作。
2)弹性斜顶只能解决较小的扣位行程。
3) 弹性斜顶标准件所提供的安装部位较长,从图中可以看出,其尾部有较长的连接螺纹,可以根据模具需要,减短或者加长,以满足能正确地安装在顶针板上。
4)弹性斜顶的安装部位的配合是 H7/g6,
5)K 是最大的可能移动量。
6)E 是弹性斜顶的中心线到垂直面的距离。模具设计最重要一点是弹性斜顶的回位,必须使用蝶形弹簧,安装于回针下方。见图2序号11.
5.冷却系统;模具前模设计一条U型冷却回路,后模设计两条直线型运水。
6.整套模具设计使用 HASCO 标准件,个别元件使用日本 MISUMI 标准件。
7.分型面排气; 排气设计在前模上,见

图2-口红外套模具图(续)

图2-口红外套模具图

图2-口红外套模具图

图2-口红外套模具图

图3-前模仁3D图

图4-后模仁3D图

图5-弹性斜顶及塑料

(文章转载于网络、仅供学习分享,如有侵权请联系删除)
东莞潇洒职业培训学校目前开设课程有:学历提升、积分入户、数控编程培训、塑胶模具设计培训,压铸模具设计培训、冲压模具设计培训,精雕、ZBrush圆雕培训、Solidworks产品设计培训、pro/E产品设计培训、AutoformR7工艺分析培训,非标自动化设计、PLC编程、CNC电脑锣操机、平面设计等培训,潇洒职业培训学校线下、线上等网络学习方式,随到随学,上班学习两不误,欢迎免费试学!
联系电话:13018636633(微信同号) QQ:1740467385
学习地址:东莞市横沥镇新城工业区兴业路121号-潇洒职业培训学校
1;所有标注为智造资料网zl.fbzzw.cn的内容均为本站所有,版权均属本站所有,若您需要引用、转载,必须注明来源及原文链接即可,如涉及大面积转载,请来信告知,获取《授权协议》。
2;本网站图片,文字之类版权申明,因为网站可以由注册用户自行上传图片或文字,本网站无法鉴别所上传图片或文字的知识版权,如果侵犯,请及时通知我们,本网站将在第一时间及时删除,相关侵权责任均由相应上传用户自行承担。
[complaint:内容投诉]
智造资料网打造智能制造3D图纸下载,在线视频,软件下载,在线问答综合平台 » UG建模之口红外壳注塑模具设计

