一.制品分析
激光发生器镜头盖产品图如图1所示。塑件材料为ABS,缩水率为1.005,塑件平均壁厚为6.0mm,塑件最大外形尺寸为Φ293.09mmX 77.51mm.塑件质量587.1克
图 1激光发生器镜头盖 产品图
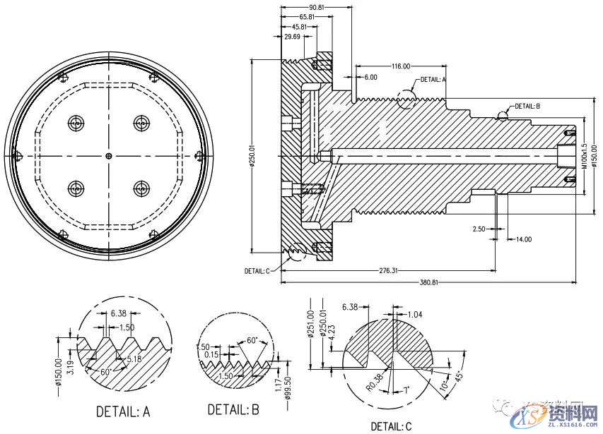
从图1可以看出,塑件基本形状为圆形,外侧有一圈凹槽,沿凹槽有4条骨位,在圆周均匀分布。凹槽需要设计滑块成型。塑件中心有螺纹,需要设计自动脱螺纹机构。螺纹的尺寸参数参见图6,螺纹芯子组合图。

激光发生器镜头盖属于精密摄影仪器塑料件,精致的外表是基本要求,外观要求高,4个滑块的夹线必须控制在0.05以下,塑件尺寸精度和内部螺纹均有装配要求。因此塑件必须避免各种注射成型的缺陷,保证塑件质量。
二. 模具设计要点
1模具排位:
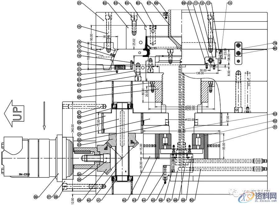
激光发生器镜头盖产品尺寸较大,且四侧面均需要设计滑块抽芯,内部螺纹又需要设计自动脱螺纹机构,因此模具结构较为复杂。从模具结构出发,型腔排位只能设计1出1。模胚规格为非标模架6565.为了保证模具精度,模架上所有孔、滑块槽、铲机槽等全部由模架厂加工,减少变形。

2.开模方向与分型面:
开模方向的选择决定了模具的难易程度。脱螺纹模具,对于这个塑件,可以选择在后模脱螺纹,也可以选择在前模脱螺纹。结合塑件的放置不同,可以有4种不同的模具结构。激光发生器镜头盖分型面示意图见图3,选择在后模脱螺纹,这样的分型面选择,使得塑件的顶出较为简单。

3.浇注系统设计:
熔融塑料自短小主流道进入分型面后,分4点通过潜前模潜伏式浇口在塑件内圆进胶。开模时,为确保水口料能留在动模,设计了弹销5弹动水口料。塑件尺寸较大,壁厚较厚,只有选择4点进胶才能有效填充。

4.侧向分型机构设计:
塑件的圆周凹槽,通过4个滑块抽芯解决。每个滑块采用2支斜导柱驱动,斜楔设计反铲机构,增加滑块锁模力,并在滑块上设计耐磨板,便于飞模组装和调整。
5.脱螺纹机构设计:
采用摆线液压马达驱动锥齿轮机构,实现全自动脱螺纹。其参数如下:

锥齿轮选择标准齿轮,两个相互啮合的齿轮齿数都是30,模数都是4,选择购买标准齿轮。摆线液压马达首先驱动锥齿轮,带动中间传动轴30上的直齿轮29,驱动大齿轮31,从而实现螺纹芯子的旋转,实现自动脱螺纹。行程开关72起到控制作用。
6.冷却系统设计:
后模仁,前模仁和滑块都设计了冷却回路。后模螺纹芯子也特别设计了冷却回路,确保注塑生产正常进行。
7.开模次序和塑件顶出:
模具的两次开模动作见图5和图6,第一次分型面保持不动,螺纹芯旋转并后退32mm后,分型面打开,完成滑块抽芯动作,然后塑件被机械手移



图 2 激光发生器镜头盖模具图
图 3 激光发生器镜头盖 分型面示意 图
图 4 第一次开模 示
图 5 第二次开模 示

CNC数控编程培训、塑胶模具设计培训,冲压模具设计培训,精雕、ZBrush圆雕培训、Solidworks产品设计培训、pro/E产品设计培训、AutoformR7工艺分析培训,潇洒职业培训学校线下、线上网络学习方式,随到随学,上班学习两不误,欢迎免费试学!
联系电话:13018639977(微信同号)QQ:2033825601
学习地址:东莞市横沥镇新城工业区兴业路121号-潇洒职业培训学校1;所有标注为智造资料网zl.fbzzw.cn的内容均为本站所有,版权均属本站所有,若您需要引用、转载,必须注明来源及原文链接即可,如涉及大面积转载,请来信告知,获取《授权协议》。
2;本网站图片,文字之类版权申明,因为网站可以由注册用户自行上传图片或文字,本网站无法鉴别所上传图片或文字的知识版权,如果侵犯,请及时通知我们,本网站将在第一时间及时删除,相关侵权责任均由相应上传用户自行承担。
[complaint:内容投诉]
智造资料网打造智能制造3D图纸下载,在线视频,软件下载,在线问答综合平台 » 塑胶模具设计激光发生器镜头盖的注塑模设计案例讲解

