在数控机床上加工零件,与普通机床有所不同,不仅要考虑夹具、刀具、切削用量等常规工艺的选择,更要考虑对刀点、编程原点等设置,在保证质量的前提下,尽可能提高机床的加工效率。
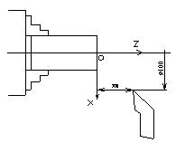
以图一所示的轴类零件为例,要在数控机床上完成此单个零件的车削,首先要进行工艺分析,确定工艺方案。

常见的工艺方案有两种,分别为表一和表二。
表一
| 工序名称及加工程序号 |
工艺简图 | 工序号及内容 | 刀具号 | 备注 |
1 |
车工件右端内腔及车外圆ф39*50(工艺要求) |
| 1、钻孔 |
|
|
2、车端面 | 1# |
| |||
3、车外圆 |
|
| |||
4、锁ф18孔 | 2# |
| |||
5、螺纹内孔 |
|
| |||
6、切内槽 | 3# |
| |||
7、车内螺纹 | 4# |
| |||
2 |
车工件左端外形各栏尺寸及内腔各孔尺寸 |
| 1、钻孔(接通) |
|
|
2、车总长 | 1# |
| |||
3、车ф29*45外圆 |
|
| |||
4、切外槽 | 5# |
| |||
5、车外螺纹 | 6# |
| |||
6、镗ф18孔 | 2# |
| |||
7、镗ф20孔 |
|
| |||
8、镗内锥孔 |
|
| |||
3 |
车ф30及外圆弧 |
| 1. 车ф30外圆 | 1# | 三爪装夹处需用内螺纹专用夹套,右端用专用外螺纹闷头,顶持 |
2、车ф34*ф30*10外锥 |
| ||||
3、车外圆弧 |
| ||||
|
|
表二
一、
1、车工件左端面
2、车工件左端外圆弧至工件总长的1/2处
3、车工件左端内腔
二、
1、车工件端面至总长尺寸
2、车工件外形与原外圆弧相接
3、车工件右端内腔[yao_page]
一、夹具和工件装夹方法的比较
比较两种工艺方案,在夹具选择方面,都选择了数控车床上的最通用的夹具——三爪卡盘。但是,方案一,除了使用卡盘,还采用了顶尖,为一夹一顶的方式,采用此方式,必须预先车削辅助夹套(如图);方案二,不需要辅助夹套,可省下车削夹套的材料和时间,但是,在调头装夹后,只装夹了工件的很短的一部分,对于像本例中比较细长的轴类零件的车削,存在装夹不安全的因素,并且由于装夹不可靠,还会引起工件同轴度的误差,造成废品。
因此,尽管方案一较为烦琐,但是,装夹可靠,并能保证此细长轴类零件的同轴度要求,在夹具的选用中,方案一较合适。
二、刀具的选择及对刀点、换刀点的位置。
1、刀具的选择
与普通机床相比,数控加工时对刀具提出了更高的要求,不仅要求刚性好、精度高,而且要求尺寸稳定、耐用度高、断屑和排屑性能好,同时要求安装调整方便,满足数控机床的高效率。本例中,两种方案采用了类似的刀具,分别为:
1号刀? 大偏角刀? 如图
2号刀? 镗刀
3号刀? 内切槽刀
4号刀? 内螺纹刀
5号刀? 外切槽刀
6号刀? 外螺纹刀
1号刀为大偏角刀,分别用来车削端面,外圆及圆弧,采用较大的副偏角,可以避免连圆弧时产生过切现象,但是在两种方案中,方案一中间连续的圆弧在一次车削中完成,能保证圆弧的光滑连接、方案二中间连续的圆弧通过调头车削来完成,接刀处会产生明显的接刀痕迹,相比方案一有所欠缺。
2号刀为镗刀,用于内孔的加工,由于工件的孔较深,且直径小,对于镗刀的要求较高,故采用了切削刃口(刀夹)位置在镗杆直径为1/2处这样处理,可增大镗杆的直径,从而提高镗刀的刚性。
3号刀内切槽刀、4号刀内螺纹刀、5号刀外切槽刀、6号刀外螺纹刀,方案相同。
2、对刀点、换刀点的位置。
工件装夹方式确定后,即可通过确定工件原点来确定工件坐标系。如果要运行这一程序来加工工件,必须确定刀具在工件坐标系开始运动的起点。程序起始点或起刀点一般通过对刀来确定,所以,该点又称为对刀点。在编制程序时,要正确选择对刀点的位置。对刀点设置原则是:(1)便于数值处理和简化程序编制;(2)易于找正并在加工过程中便于查找;(3)引起的加工误差小。对刀点可以设置在加工零件上,也可以设置在夹具或机床上。在本例中,两个方案均运用了工件右端面与轴线的交点作为对刀点,完全符合对刀点的设置原则,对刀点都处理的较好。而换刀点的选择,以换刀时不碰工件或其他部件为准,两方案均选在了离对刀点x、z方向分别为100,100的位置,处理也较好,纵观夹具和刀具的选择,方案一的方法对于保证零件精度较为有利,方案二容易造成装夹不安全,同轴度严重超重,外圆弧接入处痕迹明显等问题,较难达到零件加工要求。因此,采用方案一较合适。
三、切削用量的确定。
数控编程时,编程人员必须确定每道工序的切削用量,并以指令的形式写入程序中。切削用量包括主轴转速、背吃刀量及进给速度等。对于不同的加工方法,需要选用不同的切削用量。切削用量的选择原则是:保证零件加工精度和表面粗糙度,充分发挥刀具切削性能,保证合理的刀具耐用度;并充分发挥机床的性能,最大限度提高生产率,降低成本。
1、主轴转速的确定
主轴转速应根据允许的切削速度和工件(或刀具)直径来选择。根据本例中零件的加工要求,考虑工件材料为铝件,刀具材料为高建工具钢,粗加工选择转速600r/min,精加工选择800r/min车削外圆,考虑细牙螺纹切削力不大,采用400r/min来车螺纹,而内孔由于刚性较差,采用粗车400 r/min,比较容易达到加工要求,切槽的切削刀较大,采用200 r/min更稳妥。
2、进给速度的确定
进给速度是数控机床切削用量中的重要参数,主要根据零件的加工进度和表面粗糙度要求以及刀具、工件的材料性质选取。最大进给速度受机床刚度和进给系统的性能限制。一般粗车选用较高的进给速度,以便较快去除毛坯余量,精车以考虑表面粗糙和零件精度为原则,应选择较低的进给速度,得出下表
| 粗 | 精 |
外圆 | 0.15min/r | 0.08min/r |
内孔 | 0.05min/r | 0.04min/r |
槽 | 0.04 min/r | |
3、背吃刀量确定
背吃刀量根据机床、工件和刀具的刚度来决定,在刚度允许的条件下,应尽可能使背吃刀量等于工件的加工余量(除去精车量),这样可以减少走刀次数,提高生产效率。为了保证加工表面质量,可留少量精加工余量,一般0.2-0.4mm。本例中,背吃刀量的选择大致为
| 粗 | 精 |
外圆 | 1.5-2(mm) | 0.2-0.4(mm) |
内孔 | 1-1.5(mm) | 0.1-0.3(mm) |
螺纹 | 随进刀次数依次减少 | |
槽 | 根据刀宽,分两次进行 | |
总之,切削用量的具体数值应根据机床性能、相关的手册并结合实际经验用类比方法确定。同时,使主轴转速、切削深度及进给速度三者能相互适应,以形成最佳切削用量。
根据方案一,确定的加工程序为:
工序一
| 备注 | |
G50 T5100 | Z100 |
|
G0 T0101 S600 M03 F0.15 | ????????? X100 |
|
??? X39 Z2 | G50 T5400 |
|
G1????? Z-50 | G0 T0404 |
|
G0 X100 Z100 | ??? X21?? Z5 |
|
G50 T5200 | G92 X23 E-18 F1.5 |
|
G0 T0202 S500 | ??? X23.4 |
|
?? X15? Z2 | ??? X23.8 |
|
G71 P01 Q02 U-0.3 D1 | ??? X23.9 |
|
N01 GO X27 | ??? X24 |
|
??????? Z0 | G0 X100 Z100 |
|
G1 X22.5 Z-1.5 | G50 T5100 |
|
???????? Z-20 | G0 T0101 |
|
?? X18 | M05 |
|
???????? Z-40 | M30 |
|
N02 X15 |
|
|
G70 P01 Q02 |
|
|
G0 X100 Z100 |
|
|
G50 T5300 |
|
|
G0 T0303 S400 F0.04 |
|
|
?? X21 |
|
|
??????? Z-20 |
|
|
G1 X24 |
|
|
??????? Z-19 |
|
|
G0 X21 |
|
|
工序二
| 备注 | |
G50 T5100 | G50 T5400 |
|
G0 T0101 S600 M03 F0.15 | G0? T0404 |
|
??? X42 Z2 | X29 Z5 |
|
G71 P01 Q02 U0.3 D1 | G92 X26.4 Z-18 F1.5 |
|
N01 G0 X24 S800 F0.08 | ??? X26 |
|
???????? Z0 | ??? X25.6 |
|
G1 X26.8 Z-1.5 | ??? X25.3 |
|
???????? Z-20 | ??? X25.05 |
|
?? X29 | G0 X100 Z100 |
|
???????? Z-45 | G50 T5200 |
|
?? X35?? Z-48 | G0 T0202 |
|
N02 X42 | ?? X15 Z2 |
|
G70 P01 Q02 | G71 P03 Q04 U-0.3 D1 |
|
G0 X100 Z100 | N03 G0 X24 |
|
G50 T5500 | ?????? Z0 |
|
G0 T0505 S400 F0.04 | G1 X22 Z-13 |
|
?? X30 Z-20 | ?? X20 |
|
G1 X25 | ?????? Z-27 |
|
?????? Z-19 | ?? X18 |
|
?? X30 | ?????? Z-42 |
|
G0???? Z-35 | N04 X15 |
|
G1 X25 | G70 P03 Q04 |
|
??????? Z-34 | G0 X100 Z100 |
|
X30 | G50 T5100 |
|
G0 X100 Z100 | G0 T0101 |
|
| M05 |
|
| M30 |
|
工序三
| 备注 | |
G50 T5100 |
|
|
G0 T0101 S600 M03 F0.15 |
|
|
??? X42 Z2 |
|
|
G73 P01 Q02 U0.3 I4 D4 |
|
|
N01 G0 X29 S800 F0.08 |
|
|
???????? Z0 |
|
|
G1 X30 Z-0.5 |
|
|
?????? Z-20 |
|
|
?? X34 Z-30 |
|
|
?????? Z-34.358 |
|
|
G2 X35.109 Z-36.095 R3 |
|
|
G3 X34.948 Z-43.417 R6 |
|
|
G2 X35.165 Z-51.831 R7 |
|
|
G3 X35.316 Z-64.615 R11 |
|
|
G2 X32???? Z-69.608 R8 |
|
|
N02 G1???? Z-75 |
|
|
G70 P01 Q02 |
|
|
G00 X100 Z100 |
|
|
M05 |
|
|
M30 |
|
|
1;所有标注为智造资料网zl.fbzzw.cn的内容均为本站所有,版权均属本站所有,若您需要引用、转载,必须注明来源及原文链接即可,如涉及大面积转载,请来信告知,获取《授权协议》。
2;本网站图片,文字之类版权申明,因为网站可以由注册用户自行上传图片或文字,本网站无法鉴别所上传图片或文字的知识版权,如果侵犯,请及时通知我们,本网站将在第一时间及时删除,相关侵权责任均由相应上传用户自行承担。
[complaint:内容投诉]
智造资料网打造智能制造3D图纸下载,在线视频,软件下载,在线问答综合平台 » 弧面轴零件数控加工工艺(图文教程)




