FANUC系统共有11种孔加工固定循环指令,下面对其中的部分指令加以介绍。
1)钻孔循环指令G81
G81钻孔加工循环指令格式为:
G81 G△△ X__ Y__ Z__ R__ F__
X,Y为孔的位置、Z为孔的深度,F为进给速度(mm/min),R为参考平面的高度。G△△可以是G98和G99,G98和G99两个模态指令控制孔加工循环结束后刀具是返回初始平面还是参考平面;G98返回初始平面,为缺省方式;G99返回参考平面。
编程时可以采用绝对坐标G90和相对坐标G91编程,建议尽量采用绝对坐标编程。
其动作过程如下
(1)钻头快速定位到孔加工循环起始点B(X,Y);
(2)钻头沿Z方向快速运动到参考平面R;
(3)钻孔加工;
(4)钻头快速退回到参考平面R或快速退回到初始平面B。
该指令一般用于加工孔深小于5倍直径的孔。
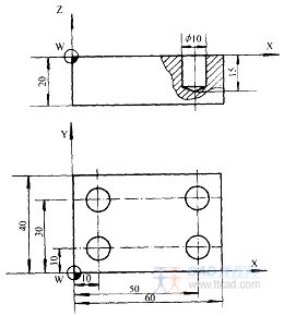
编程实例:如图a所示零件,要求用G81加工所有的孔,其数控加工程序如下:

图a 图b
N02 T01 M06; 选用T01号刀具(Φ10钻头)
N04 G90 S1000 M03; 启动主轴正转1000r/min
N06 G00 X0. Y0. Z30. M08;
N08 G81 G99 X10. Y10. Z-15. R5 F20; 在(10,10)位置钻孔,孔的深度为15mm,参考平面高度为5mm,钻孔加工循环结束返回参考平面
N10 X50; 在(50,10)位置钻孔(G81为模态指令,直到G80取消为止)
N12 Y30; 在(50,30)位置钻孔
N14 X10; 在(10,30)位置钻孔
N16 G80; 取消钻孔循环
N18 G00 Z30
N20 M30
2)钻孔循环指令G82
G82钻孔加工循环指令格式为:
G82 G△△ X__ Y__ Z__ R__ P__ F__
在指令中P为钻头在孔底的暂停时间,单位为ms(毫秒),其余各参数的意义同G81。
该指令在孔底加进给暂停动作,即当钻头加工到孔底位置时,刀具不作进给运动,并保持旋转状态,使孔底更光滑。G82一般用于扩孔和沉头孔加工。
其动作过程如下
(1)钻头快速定位到孔加工循环起始点B(X,Y);
(2)钻头沿Z方向快速运动到参考平面R;
(3)钻孔加工;
(4)钻头在孔底暂停进给;
(5)钻头快速退回到参考平面R或快速退回到初始平面B。
3)高速深孔钻循环指令G73
对于孔深大于5倍直径孔的加工由于是深孔加工,不利于排屑,故采用间段进给(分多次进给),每次进给深度为Q,最后一次进给深度≤Q,退刀量为d(由系统内部设定),直到孔底为止。见图b所示。
G73高速深孔钻循环指令格式为:
G73 G△△ X__ Y__ Z__ R__ Q__ F__
在指令中Q为每次进给深度为Q,其余各参数的意义同G81。
其动作过程如下
(1)钻头快速定位到孔加工循环起始点B(X,Y);
(2)钻头沿Z方向快速运动到参考平面R;
(3)钻孔加工,进给深度为Q;
(4)退刀,退刀量为d
(5)重复(3)、(4),直至要求的加工深度
(6)钻头快速退回到参考平面R或快速退回到初始平面B。
4)攻螺纹循环指令G84
G84螺纹加工循环指令格式为:
G84 G△△ X__ Y__ Z__ R__ F__
攻螺纹过程要求主轴转速S与进给速度F成严格的比例关系,因此,编程时要求根据主轴转速计算进给速度,进给速度F=主轴转速×螺纹螺距,其余各参数的意义同G81。
使用G84攻螺纹进给时主轴正转,退出时主轴反转。与钻孔加工不同的是攻螺纹结束后的返回过程不是快速运动,而是以进给速度反转退出。
该指令执行前,甚至可以不启动主轴,当执行该指令时,数控系统将自动启动主轴正转。
其动作过程如下
(1)主轴正转,丝锥快速定位到螺纹加工循环起始点B(X,Y);
(2)丝锥沿Z方向快速运动到参考平面R;
(3)攻丝加工;
(4)主轴反转,丝锥以进给速度反转退回到参考平面R;
(5)当使用G98指令时,丝锥快速退回到初始平面B。
编程实例:对图5-34中的4个孔进行攻螺纹,攻螺纹深度10mm,其数控加工程序为:
N02 T01 M06; 选用T02号刀具(Φ10丝锥。螺距为2mm)
N04 G90 S150 M03; 启动主轴正转1000r/min
N06 G00 X0. Y0. Z30. M08;
N08 G84 G99 X10. Y10. Z-10. R5 F300; 在(10,10)位置攻螺纹,螺纹的深度为10mm,参考平面高度为5mm,螺纹加工循环结束返回参考平面,进给速度F=(主轴转速)150×(螺纹螺距)2=300
N10 X50; 在(50,10)位置攻螺纹(G84为模态指令,直到G80取消为止)
N12 Y30; 在(50,30)位置攻螺纹
N14 X10; 在(10,30)位置攻螺纹
N16 G80; 取消攻螺纹循环
N18 G00 Z30
N20 M30
5)左旋攻螺纹循环指令G74
G74螺纹加工循环指令格式为:
G74 G△△ X__ Y__ Z__ R__ F__
与G84的区别是:进给时主轴反转,退出时主轴正转。各参数的意义同G84。
其动作过程如下:
(1)主轴反转,丝锥快速定位到螺纹加工循环起始点B(X,Y);
(2)丝锥沿Z方向快速运动到参考平面R;
(3)攻丝加工;
(4)主轴正转,丝锥以进给速度正转退回到参考平面R;
(5)当使用G98指令时,丝锥快速退回到初始平面B。
6)镗孔加工循环指令G85
G85镗孔加工循环指令指令格式为:
G85 G△△ X__ Y__ Z__ R__ F__
各参数的意义同G81。
其动作过程如下:
(1)镗刀快速定位到镗孔加工循环起始点B(X,Y);
(2)镗刀沿Z方向快速运动到参考平面R;
(3)镗孔加工;
(4)镗刀以进给速度退回到参考平面R或初始平面B;
7)镗孔加工循环指令G86
G86钻孔加工循环指令格式为:
G86 G△△ X__ Y__ Z__ R__ F__
与G85的区别是:在到达孔底位置后,主轴停止,并快速退出。各参数的意义同G85。
其动作过程如下:
(1)镗刀快速定位到镗孔加工循环起始点B(X,Y);
(2)镗刀沿Z方向快速运动到参考平面R;
(3)镗孔加工;
(4)主轴停,镗刀快速退回到参考平面R或初始平面B;
8)镗孔加工循环指令G89
G89镗孔加工循环指令格式为:
G89G△△ X__ Y__ Z__ R__ P__ F__
与G85的区别是:在到达孔底位置后,进给暂停。P为暂停时间(ms),其余参数的意义同G85。
其动作过程如下:
(1)镗刀快速定位到镗孔加工循环起始点B(X,Y);
(2)镗刀沿Z方向快速运动到参考平面R;
(3)镗孔加工;
(4)进给暂停;
(5)镗刀以进给速度退回到参考平面R或初始平面B;
9)精镗循环指令G76
G76镗孔加工循环指令格式为:
G76 G△△ X__ Y__ Z__ R__ P__ Q__ F__
与G85的区别是:G76在孔底有三个动作:进给暂停、主轴准停(定向停止)、刀具沿刀尖的反向偏移Q值,然后快速退出。这样保证刀具不划伤孔的表面。P为暂停时间(ms),Q为偏移值,其余各参数的意义同G85。
其动作过程如下:
(1)镗刀快速定位到镗孔加工循环起始点B(X,Y);
(2)镗刀沿Z方向快速运动到参考平面R;
(3)镗孔加工;
(4)进给暂停、主轴准停、刀具沿刀尖的反向偏移;
(5)镗刀快速退出到参考平面R或初始平面B;
10)背镗循环指令G87
G87背镗加工循环指令指令格式为:
G87 G△△ X__ Y__ Z__ R__ Q__ F__
各参数的意义同G76。
其动作过程如下:
(1)镗刀快速定位到镗孔加工循环起始点B(X,Y);
(2)主轴准停、刀具沿刀尖的反方向偏移;
(3)快速运动到孔底位置;
(4)刀尖正方向偏移回加工位置,主轴正转;
(5)刀具向上进给,到参考平面R;
(6)主轴准停,刀具沿刀尖的反方向偏移Q值;
(7)镗刀快速退出到初始平面B;
(8)沿刀尖正方向偏移;
11)取消孔加工循环指令G80
1;所有标注为智造资料网zl.fbzzw.cn的内容均为本站所有,版权均属本站所有,若您需要引用、转载,必须注明来源及原文链接即可,如涉及大面积转载,请来信告知,获取《授权协议》。
2;本网站图片,文字之类版权申明,因为网站可以由注册用户自行上传图片或文字,本网站无法鉴别所上传图片或文字的知识版权,如果侵犯,请及时通知我们,本网站将在第一时间及时删除,相关侵权责任均由相应上传用户自行承担。
[complaint:内容投诉]
智造资料网打造智能制造3D图纸下载,在线视频,软件下载,在线问答综合平台 » FANUC系统的11种孔加工固定循环指令(图文教程)

