第六节 机械加工质量
生产任何一种机械产品,都要求在保证质量的前提下,做到高效率、低消耗。产品的质量是第一位的,没有质量,高效率、低成本就失去了意义。
产品质量是指用户对产品的满意程度。它有三层含义:一是产品的设计质量;二是产品的制造质量;三是服务。以往企业质量管理中,强调较多的往往是制造质量,它主要指产品的制造与设计的符合程度。现代的质量观,主要站在用户的立场上衡量。设计质量主要反映所设计的产品与用户的期望之间的符合程度。设计质量是质量的重要组成部分。当今,服务也占据越来越重要的地位。服务主要包括售前的服务,售后的培训、维修、安装等。产品的制造质量主要与零件制造质量、产品的装配质量有关,零件的制造质量是保证产品质量的基础。零件的制造质量包括加工精度和零件表面层的物理机械性能两个方面。
一、机械加工精度
1.加工精度与加工误差
加工精度是指零件在加工之后的实际几何参数(尺寸、形状和表面间相互位置)与理想零件几何参数相符合的程度。所谓理想零件,对尺寸而言,就是零件尺寸的公差中心;对表面形状而言,就是绝对准确的圆柱面、平面、锥面等;对表面相对位置而言,就是指绝对的平行、垂直、同轴等。符合程度越好,则加工精度越高。
任何一种加工方法都不可能将零件加工得与理想零件完全一致,总会有大小不同的偏差。零件实际几何参数与理想零件几何参数的差异,称为加工误差。加工误差越小,加工精度也就越高。从保证产品的使用性能和降低生产成本考虑,没有必要也不可能把每一个零件加工得绝对精确,只要求在加工过程中产生的误差小于规定的公差即可。所谓保证和提高零件的加工精度,实际上就是限制和减少加工误差的问题。
加工精度包括三个方面:

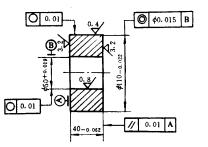
图10-41 零件图
⑴ 尺寸精度 尺寸精度是指表面本身的尺寸精度和表面间的尺寸精度,如圆柱体的直径和圆柱体的长度。尺寸精度用尺寸公差的大小来表示。 如图10-41中,零件的外径尺寸为φ110-0.022mm,则理想零件尺寸为φ109.989mm。若某一零件外径加工后尺寸外为φ109.980mm,则其尺寸误差为109.989-109.980=0.009mm。
⑵ 形状精度 形状精度是指零件表面与理想表面之间在形状上相接近的程度,包括直线度、 平面度、圆度、圆柱度。图10-41中直径为φ110外圆表面和φ50内圆表面的圆度误差不超过0.01mm。
表10-5 形状与位置公差各项目的符号

⑶ 位置精度 位置精度是表面、轴线或对称平面之间实际位置与理想位置相接近的程度,包括平行度、垂直度、同轴度、对称度等。图10-41所示零件中,φ110外圆表面和φ50内圆表面之间的同轴度误差不超过0.015mm。
我国现行的形位公差标准为1996年修订的国家标准,其中《形状和位置公差》(GB/T1182~1184—1996)规定了14个形位公差,其中形状公差为6项,位置公差为8项。国家标准(GB/T1800~1804—1992)对尺寸公差划分为20个精度等级,对形状公差和位置公差分别划分为12个精度等级,并相应地制定了公差标准。
在设计零件时,选择精度的原则是在保证产品能达到使用性能要求的前提下,选择较低的精度等级,以便于加工、降低成本。
2.加工经济精度
由于在加工过程中有很多因素影响加工精度,所以同一种加工方法在不同的工作条件下所能达到的精度是不同的。任何一种加工方法,只要精心操作、细心调整,并选用合适的切削参数进行加工,都能使加工精度等得到较大的提高,但这样做会降低生产率,增加加工成本。因此提出了加工经济精度的概念。一般所说的加工经济精度指的是,在正常加工条件下(采用符合质量标准的设备、工艺装备和标准技术等级的工人,不延长加工时间)所能够保证的加工精度。某一种加工方法的加工经济精度不应理解为某一个确定值,而应理解为一个范围。
3.原始误差
由机床、夹具、刀具和工件组成的工艺系统会有各种各样的误差产生,这些误差在各种不同的具体工作条件下都会以各种不同的方式(或扩大、或缩小)反映为工件的加工误差。工艺系统的误差是“因”,是根源;工件的加工误差是“果”,是表现;因此,我们把工艺系统的误差称为原始误差。
工艺系统的原始误差主要有工艺系统的几何误差、工艺系统的受力变形引起的加工误差、工艺系统的受热变形引起的加工误差、定位误差、工件内应力重新分布引起的变形等。
二、影响加工精度的主要因素
(一)工艺系统的几何误差
⒈ 机床的几何误差
金属切削机床同其他机器一样,只能按照一定的精度制造出来,即机床本身具有制造误差。在使用过程中,其各个运动部分还将磨损,使其原有精度逐渐降低,因此机床本身的误差必将影响零件的加工精度。
加工中刀具相对于工件的成形运动一般是通过机床完成的,因此,工件的加工精度在很大程度上取决于机床的精度。机床制造误差对工件加工精度影响较大的有:主轴回转误差、导轨误差和传动链误差。虽然机床种类很多,但其成形运动绝大部分是回转运动和直线运动。因此,分析机床几何误差的问题,就会引深为分析回转运动和直线运动的误差。如车床以回转运动为主切削运动,机床主轴系统的回转误差直接影响工件的圆度、圆柱度误差以及内外圆与端面的垂直度;当机床导轨在水平面内出现弯曲时,加工后的圆柱工件出现腰鼓形,而当床身导轨与主轴轴线在水平面内不平行时,加工后的工件出现锥形。
⒉ 刀具的几何误差
刀具误差对加工精度的影响随刀具种类的不同而不同。
采用定尺寸刀具(如钻头、铰刀、圆拉刀等)加工时,刀具的尺寸误差将直接影响工件尺寸精度。
采用成形刀具(如成形车刀、成形铣刀、成形砂轮等)加工时,刀具的形状误差将直接影响工件的形状精度。
采用展成刀具(如齿轮滚刀、插齿刀等)加工时,刀齿切削刃的几何形状及其尺寸误差也会影响工件的加工精度。
对于一般刀具(如车刀、镗刀等),其制造误差对工件加工精度无直接影响。
任何刀具在切削过程中,都不可避免地产生磨损,这将引起工件尺寸和形状的改变。
⒊ 夹具的几何误差
夹具的作用是使工件相对于刀具和机床有正确的加工位置。因此夹具的制造误差和磨损对工件的加工精度有很大影响。为了保证工件的加工精度,除了严格保证夹具的制造精度外,必须注意提高夹具易磨损件(如钻套、定位销等)的耐磨性,当磨损到一定程度时,必须及时更换。
(二)工艺系统受力变形引起的误差
工艺系统在切削力、夹紧力、惯性力、重力、传动力以及其他控制力和干扰力的作用下,其静态和动态特性将发生变化。具体表现在工艺系统产生相应的变形(弹性变形及塑性变形,塑变主要是构件接合面间的变形)以及系统各构件间的振动。这种变形和振动,会破坏已调整好的刀具和工件之间的正确的相对位置、成形运动的位置等,使加工后的工件产生几何形状误差和尺寸误差,并使表面粗糙度增大。例如,在车削细长轴时,工件在切削力的作用下会发生变形,使加工出的轴出现中间粗两头细的情况,如图10-42(a);又如在内圆磨床上进行切入式磨孔时,由于内圆磨头轴比较细,磨削时因磨头轴受力变形,而使工件内孔呈锥形。如图10-42(b)所示。

(a) (b)
图10-42 受力变形对工件精度的影响
(三)工艺系统受热变形引起的误差
切削加工中,工艺系统由于受到切削热、摩擦热及外界热辐射等因素的影响,常常会产生复杂的变形,因此破坏工件与刀具的相对运动的准确性而造成加工误差。工艺系统的热变形对加工精度的影响是很大的。据统计,在精密加工中,由于受热变形引起的加工误差约占总加工误差的40%~70%。
由于机床热源分布的不均匀,机床结构的复杂性以及机床工作条件的变化很大等原因,机床各个部件的温升也有差异,这就破坏了机床原有的相互位置关系。
工件在机械加工中所产生的热变形,主要是由切削热引起的。切削热传给刀具的比例一般不大,但由于刀具尺寸小,热容量小,刀具温升高,刀头部分的温升更高,它对加工精度的影响是不能忽视的。例如用高速钢车刀车削外圆时,刀刃部分的温度可达700~800℃,刀具的热伸长量可达0.03~0.05mm。
(四)工件残余应力引起的误差
所谓残余应力,就是当外界载荷去掉后,仍然残留在工件内部的应力。残余应力是工件在加工过程中其内部的相邻宏观或微观组织发生了不均匀的体积变化而引起的。
残余应力在零件内部有一种强烈的倾向要恢复到稳定的没有应力的状态。随着残余应力的逐步释放,零件将产生变形,从而使工件丧失原有的加工精度。若把具有残余应力的零件装配成机器,在使用过程中,由于这
零件的变形,就有可能破坏整个机器质量。为保证和提高零件的加工精度,应根据具体生产条件,分析可能引起加工误差的因素及其影响大小,抓住主要问题,采取相应的措施,以消除或减少加工误差。
三、机械加工表面质量
任何机械加工所得到的零件表面,都不可能是完全理想的光滑表面,总存在着微观几何形状误差,表层材料的物理机械性能也会发生变化。机械加工表面质量主要指表面粗糙度、表面层的物理机械性能。由于机器零件的破坏一般总是从表面层开始的,零件的表面质量对产品的可靠性和寿命有很大的影响。因此,零件在机械加工时,除了保证加工精度外,还必须保证表面质量。
(一)表面质量的基本概念
机械加工后的零件表面质量包括两个方面。
1.表面粗糙度

图10-43 宏观几何形状误差、微观几何形状误差及波度
零件的表面经过机械加工以后,其实际形状与所要求的理想形状之间存在着一定差异,这种差异有微观几何形状误差和宏观几何形状误差两种。前者称为表面粗糙度,后者属于几何形状误差。如图10-43所示。
L/H>1000,称为宏观几何形状误差,例如圆度误差、圆柱度误差等,它们属于加工精度范畴。
L/H>50~1000,称为波度。它们是由机械加工中的振动引起的。
L/H<50,称为微观几何形状误差,称为表面粗糙度。
表10-6 表面粗糙度符号和意义
符号 | 意义 |
表示用去除材料方法获得的表面,例如车、铣、磨等。Ra的最大允许值为3.2μm。 | |
用不去除材料方法获得的表面,例如铸、锻、冲压等。Ra的最大允许值为3.2μm。 | |
用任意方法获得的表面,Ra的最大允许值为3.2μm。 |
国家标准(GB/T1031--1995)中规定,表面粗糙度的参数有表面“轮廓算术平均偏差”(Ra)、“微观不平度十点高度”(Rz)、“轮廓最大高度”(Ry),通常应优先选用Ra。
表面粗糙度是由于加工过程中的残留面积、塑性变形、积屑瘤、鳞刺以及工艺系统中的振动等原因造成的。

图10-44 表面粗糙度与初期磨损量的关系
2.表面层物理机械性能
在机械加工过程中,在切削力和切削热的作用下,已加工表面层产生了较大的塑性变形,表层的物理、机械性能与内部组织相比,发生了较大变化。如提高了表面层的硬度,产生了加工硬化(冷作硬化);在表层和深层之间具有残余应力;表层的金相组织也发生了变化。
(二)表面质量对零件使用性能的影响
1.表面质量对耐磨性的影响
表面粗糙度对摩擦磨损的影响很大。一般说表面粗糙度值愈小,其耐磨性愈好,但也不是表面粗糙度越小越耐磨,如图10-44所示。表面粗糙度太大,接触表面的实际压强大,粗糙不平的凸峰相互啮合、挤裂、切断等作用,使磨损加剧;表面粗糙度太小,也会导致磨损加剧,因为表面太光滑,存不住润滑油,接触面容易发生分子粘接而加剧磨损。在一定的工作条件下,一副摩擦表面通常有一个最佳表面粗糙度的配对关系。
加工表面的冷作硬化能减少摩擦表面接触部位的弹、塑性变形,使表层的耐磨性有所提高,但硬化过度将引起金属组织过度疏松,甚至产生裂纹和表层剥落,使耐磨性下降。
2.表面质量对疲劳强度的影响
在交变载荷作用下,零件表面微观不平的凹谷处容易产生应力集中,当应力超过材料疲劳极限时,就会产生和扩展疲劳裂纹,造成疲劳破坏。表面粗糙度值愈大,表面的纹痕愈深,纹底半径愈小,抗疲劳破坏的能力就愈差。
表层一定程度的加工硬化可阻碍疲劳裂纹的产生和已有裂纹的扩展,因而可提高疲劳强度,但加工硬化过高时,反而会产生显微裂纹而降低疲劳强度。
表面的残余应力对零件疲劳强度的影响很大。表面层残余拉应力将使疲劳裂纹扩大,加速疲劳破坏;而表面残余压应力能够阻止疲劳裂纹的扩展,延缓疲劳破坏的发生。实验表明,零件表层的残
余应力不相同时,其疲劳强度可能相差数倍至数十倍。3.表面质量对配合质量的影响
对于间隙配合的表面,其表面粗糙度值越大,相对运动时的磨损越大,这会使配合间隙迅速增大,从而改变原有配合性质,影响间隙配合的稳定性。对于过盈配合,装配过程中一部分表面凸峰被挤平,使实际过盈量减少,降低了配合件间的连接强度。
4.表面质量对耐蚀性的影响
零件的耐蚀性在很大程度上取决于表面粗糙度。表面粗糙度值愈大,则凹谷中聚积腐蚀性物质就愈多,抗蚀性就愈差。尤其是当表面有微裂纹时,腐蚀作用就越强烈。
(三)影响表面粗糙度的因素
1.切削加工中影响表面质量的因素
⑴刀具几何参数的影响
刀具的几何参数对加工表面的质量有直接或间解的影响。例如用车刀、刨刀等单刃刀具加工时,刀具的主偏角、副偏角和刀刃圆弧半径对表面粗糙度有直接的影响,如图10-45所示。

图10-45 车削时工件表面的残留面积
刀具的前角和刃倾角通过影响金属塑性变形程度和切削平稳性,从而影响加工表面粗糙度的大小。
适当增大刀具的前角可以减少切削时的塑性变形程度,合理选择冷却润滑液和提高刀具刃磨质量可以减少切削时的塑性变形和抑制刀 瘤、鳞刺的生成,也是减少表面粗糙度值的有效措施。
⑵ 切削用量的影响
在进给量较大(f>0.15mm/r)的加工中,进给量对已加工表面的粗糙度有明显的影响。进给量减少,可以减少刀具切削的残留面积,即可降低粗糙度,但当进给量很小时,对粗糙度的影响就不明显。
切削速度越高,金属塑性变形程度越低,已加工表面的粗糙度越低。但在切削塑性材料时,当V在5~80m/min范围内时,容易产生积屑瘤,将使表面粗糙度增大。
⑶ 工件材料的影响
工件材料的硬度高,韧性和塑性低,其变形系数小,切削加工后可以获得较低的粗糙度。而材料软,韧性、塑性大,加工后表面粗糙度较高。在加工脆性材料时,其切屑呈碎粒状,由于切屑的崩碎而在加工表面留下许多麻点,使表面粗糙。
⑷ 刀具磨损的影响
刀具磨损后,切削力和切削热都增加,同时刀具磨损还会使刃口圆弧半径增大,表层金属的塑性变形程度加剧,这将使加工表面质量下降,所以刀具磨损到一定程度必须重磨或更换。
2.磨削加工中影响表面质量的因素
磨削加工表面是在磨粒的划擦、刻划和切削共同作用下而形成的。其粗糙度的大小与加工过程中的几何因素、物理因素和工艺系统振动有关。单纯从几何因素来考虑,单位面积上刻痕愈多(即通过单位面积的磨粒越多),表面粗糙度就愈小。由此可以得出:磨削时砂轮线速度愈高,工件线速度愈低,纵向进给量愈小,砂轮磨粒愈细,磨削的表面粗糙度就愈小。若砂轮工作表面修整得较好,使每个磨粒产生多个等高的微刃,这就相当于选用粒度号大的砂轮进行磨削,可以获得较低的表面粗糙度。
磨削与其他切削加工方法相比,零件表面塑性变形较严重,对表面粗糙度影响也较大。磨削深度增加,塑性变形程度较严重,表面粗糙度将增大。因此,精磨加工的最后几次走刀总是采用极小的磨削深度。
由于磨削时的切削速度很高,切除金属所消耗的功率远远大于切削加工。磨削加工所消耗的能量绝大部分要转化为热,磨削点的瞬时温度很高(可达1000℃左右),使磨削后表面层金属金相组织有明显变化。磨削钢材时,若不充分施加切削液,材料表面会由原来的金属光泽逐渐转为黄褐色甚至成为紫黑色,这是磨削表面的烧伤现象。磨削烧伤破坏了工件表层组织,严重时会产生裂纹,直接影响工件的耐磨性和使用寿命。
1;所有标注为智造资料网zl.fbzzw.cn的内容均为本站所有,版权均属本站所有,若您需要引用、转载,必须注明来源及原文链接即可,如涉及大面积转载,请来信告知,获取《授权协议》。
2;本网站图片,文字之类版权申明,因为网站可以由注册用户自行上传图片或文字,本网站无法鉴别所上传图片或文字的知识版权,如果侵犯,请及时通知我们,本网站将在第一时间及时删除,相关侵权责任均由相应上传用户自行承担。
[complaint:内容投诉]
智造资料网打造智能制造3D图纸下载,在线视频,软件下载,在线问答综合平台 » 机械制造工程_10.6机械加工质量(图文教程)

