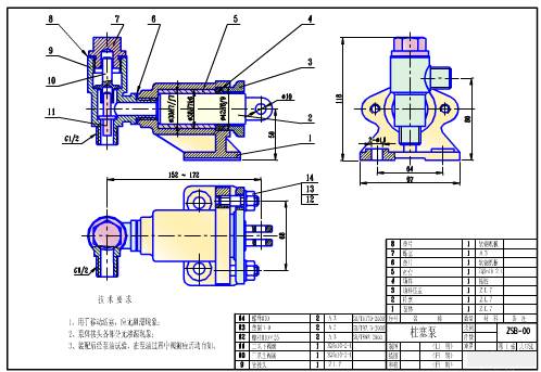
柱塞泵是一种供油装置,常用于机器的润滑系统中。它的工作原理是:靠凸轮旋转,由凸轮作用在弹簧压紧的柱塞上,使柱塞做往复运动,因而不断改变泵腔的容积和压力,将润滑油吸入泵腔,并排到润滑系统中。柱塞往复运动距离,依靠凸轮的偏心距尺寸5mm。当凸轮按逆时针方向旋转时,凸轮旋转半径逐步减少,柱塞在压缩弹簧的作用力下,逐步向右移动,泵腔的容积逐步增大,而压力逐步减少,润滑油受外界大气压的作用下,推开上方单向阀门(吸油阀)的球体而进入泵腔中。当凸轮轴继续旋转时,凸轮旋转半径逐步增大,柱塞在凸轮作用下,克服弹簧压力往左移动,上方单向阀中的球体在弹簧作用下,关紧阀门,此时,泵腔容积逐步减少,压力逐步增大,由于润滑油从下方单向阀(排油阀)克服弹簧压力,推开钢球,流到供油润滑系统中,凸轮轴不断旋转达到供油不间断。

(1)选择主视图。 根据选择主视图的一般原则,将柱塞泵的安装底面按工作位置水平放置,其主要的两条轴线亦为水平和垂直的,并采用全剖视图来表达柱塞泵的工作原理和内部的装配关系。
(2)选择其他视图。 为了补充主视图没有表达清楚的内容,再选择俯视图和左视图表达泵体和管接头的外形结构,并在俯视图中采用局部剖来反映泵体、压盖、螺纹连接组件的连接关系及柱塞的结构。

免责声明:
1;所有标注为智造资料网zl.fbzzw.cn的内容均为本站所有,版权均属本站所有,若您需要引用、转载,必须注明来源及原文链接即可,如涉及大面积转载,请来信告知,获取《授权协议》。
2;本网站图片,文字之类版权申明,因为网站可以由注册用户自行上传图片或文字,本网站无法鉴别所上传图片或文字的知识版权,如果侵犯,请及时通知我们,本网站将在第一时间及时删除,相关侵权责任均由相应上传用户自行承担。
[complaint:内容投诉]
智造资料网打造智能制造3D图纸下载,在线视频,软件下载,在线问答综合平台 » 典型零部件机械制图实例-柱塞泵(图文教程)
1;所有标注为智造资料网zl.fbzzw.cn的内容均为本站所有,版权均属本站所有,若您需要引用、转载,必须注明来源及原文链接即可,如涉及大面积转载,请来信告知,获取《授权协议》。
2;本网站图片,文字之类版权申明,因为网站可以由注册用户自行上传图片或文字,本网站无法鉴别所上传图片或文字的知识版权,如果侵犯,请及时通知我们,本网站将在第一时间及时删除,相关侵权责任均由相应上传用户自行承担。
[complaint:内容投诉]
智造资料网打造智能制造3D图纸下载,在线视频,软件下载,在线问答综合平台 » 典型零部件机械制图实例-柱塞泵(图文教程)

