键用于连接轴和轴上的传动件(如齿轮、皮带轮等),使轴和传动件不发生相对转动,以传递扭矩或旋转运动,如图10-34所示为一齿轮被一半圆头键连接导轴上。
![]() ![]() |
| 图10-34 齿轮与导轴连接 图10-35 键的类型 |
1.键的类型
常用键的型式有:普通平键、半圆键和钩头楔键。普通平键又可分A型、B型、C型。如图10-35所示。
2.常用键的种类、型式、标记和连接画法
①普通平键
普通平键的标记为:键b×LGB/T1096。其中b为键的宽度,L为键的长度,如图10-36所示。
普通平键的工作表面为前后表面,其连接图如图10-37所示。
![]() ![]() |
| 图10-36 普通平键标记 图10-37 普通平键的连接图 |
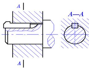
②半圆头键的标记为:键b×d1GB/T1099。其中b为键的宽度,d1为键的直径,如图10-38所示。
半圆头键的工作表面为前后表面,其连接图如图10-39所示。
![]() ![]() |
| 图10-38 半圆头键的标记 图10-39 半圆头键连接图 |
③钩头楔键的标记为:键b×LGB/T1565。其中b为键的宽度,L为键的长度,如图10-40所示。
钩头楔键的工作表面为上下两表面,其连接图如图10-41所示。
![]() ![]() |
| 图10-40 钩头楔键的标记 图10-41 钩头楔键连接图 |
3.轴和轮毂上键槽的画法和尺寸标注
轴和轮毂上键槽的尺寸是根据轴径的大小和长短选择的。图10-42为一轴、轮毂、和普通平键的一般连接时的尺寸。其中轴的直径为24,所以选宽度为8的普通平键;根据平键的大小查表可知轴上键槽和轮毂上键槽的大小。
![]() |
| 图10-42 轴和轮毂上键槽的画法和尺寸标注 |
该文章所属专题:AutoCAD机械制图教程
免责声明:
1;所有标注为智造资料网zl.fbzzw.cn的内容均为本站所有,版权均属本站所有,若您需要引用、转载,必须注明来源及原文链接即可,如涉及大面积转载,请来信告知,获取《授权协议》。
2;本网站图片,文字之类版权申明,因为网站可以由注册用户自行上传图片或文字,本网站无法鉴别所上传图片或文字的知识版权,如果侵犯,请及时通知我们,本网站将在第一时间及时删除,相关侵权责任均由相应上传用户自行承担。
[complaint:内容投诉]
智造资料网打造智能制造3D图纸下载,在线视频,软件下载,在线问答综合平台 » 机械制图-键的连接(图文教程)
1;所有标注为智造资料网zl.fbzzw.cn的内容均为本站所有,版权均属本站所有,若您需要引用、转载,必须注明来源及原文链接即可,如涉及大面积转载,请来信告知,获取《授权协议》。
2;本网站图片,文字之类版权申明,因为网站可以由注册用户自行上传图片或文字,本网站无法鉴别所上传图片或文字的知识版权,如果侵犯,请及时通知我们,本网站将在第一时间及时删除,相关侵权责任均由相应上传用户自行承担。
[complaint:内容投诉]
智造资料网打造智能制造3D图纸下载,在线视频,软件下载,在线问答综合平台 » 机械制图-键的连接(图文教程)









