装配图是表达机器或部件的图样,主要表达其工作原理和装配关系。
齿轮油泵装配图的特点:
1. 在机器设计过程中,装配图的绘制位于零件图之前。2. 装配图与零件图的表达内容不同,它主要用于机器或部件的装配、调试、安装、维修等场合,也是生产中的一种重要的技术文件。
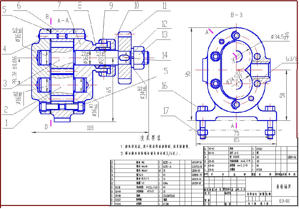
齿轮油泵的装配图:

二、测绘步骤如下:
1.了解测绘对象
首先阅读本指导书和教材中有关章节,并通过对齿轮油泵实物的拆卸和装配过程,全面了解齿轮油泵的工作原理、结构特点、装配关系。具体要求如下:
(1)了解齿轮油泵的工作原理。即:吸油、压油原理及油的流动路线、限压阀的工作原理及限压阀的泄油路线;
(2)根据实物,并参照装配示意图,弄清齿轮油泵中各个零件的结构特点,零件之间的装配关系和配合性质。
2.画出泵体、泵盖零件草图和零件工作图,除应遵守零件测绘各项规则外,还应注意:
(1)选择主视图时应考虑到装配图的主视图的选择,尽可能使零件的安放位置与装配图上一致,以便绘制装配图;
(2)在零件图上标注尺寸时应充分考虑到装配关系和工作原理,把重要尺寸直接从主要基准注出来。基准的选择也要根据装配关系和工作原理进行分析确定;
(3) 公差的选择可参超附注3选择后查表注出偏差。
3.根据泵体、泵盖零件图,和附图中给出的其它零件图,画出齿轮油泵装配图,要求:
(1)绘制装配图之前,要认真看懂装配示意图和附图中给出的其它零件图;
(2) 选择主视图时,应把齿轮油泵的工作原理,主要装配关系表达清楚;
(3) 应注出配合尺寸、装配尺寸、性能尺寸、外形尺寸和安装尺寸;
(4) 应注出技术要求。
三、 除齿轮油泵泵体、泵盖以外的零件图。

免责声明:
1;所有标注为智造资料网zl.fbzzw.cn的内容均为本站所有,版权均属本站所有,若您需要引用、转载,必须注明来源及原文链接即可,如涉及大面积转载,请来信告知,获取《授权协议》。
2;本网站图片,文字之类版权申明,因为网站可以由注册用户自行上传图片或文字,本网站无法鉴别所上传图片或文字的知识版权,如果侵犯,请及时通知我们,本网站将在第一时间及时删除,相关侵权责任均由相应上传用户自行承担。
[complaint:内容投诉]
智造资料网打造智能制造3D图纸下载,在线视频,软件下载,在线问答综合平台 » 齿轮油泵测绘及工作原理介绍(图文教程)
1;所有标注为智造资料网zl.fbzzw.cn的内容均为本站所有,版权均属本站所有,若您需要引用、转载,必须注明来源及原文链接即可,如涉及大面积转载,请来信告知,获取《授权协议》。
2;本网站图片,文字之类版权申明,因为网站可以由注册用户自行上传图片或文字,本网站无法鉴别所上传图片或文字的知识版权,如果侵犯,请及时通知我们,本网站将在第一时间及时删除,相关侵权责任均由相应上传用户自行承担。
[complaint:内容投诉]
智造资料网打造智能制造3D图纸下载,在线视频,软件下载,在线问答综合平台 » 齿轮油泵测绘及工作原理介绍(图文教程)

