O 引言
自从1920年捷克斯洛伐克作家卡雷尔,恰佩克的《罗萨姆的机器人万能公司》问世,人们便对机器人充满了幻想与期待。随着社会的 不断发展,各行各业的分工越来越明细,机器人也能在其中扮演重要的角色来替代人们的劳动。与此同时,随着科学技术的发展,探险、救灾、排爆等危险场合工作 的机器人,以及自动化生产中机器人的应用也日益广泛。因此,智能救援机器人的研制已成为急需和必要,文章就智能救援机器人的设计进行了探讨。
1 智能救援机器人的硬件设计
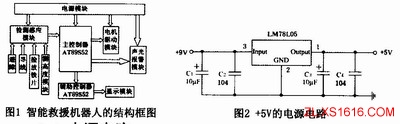
该智能救援机器人主要由电源模块、检测感应模块(实现巡线、避障、捡放硬币、测距功能)、声光报警模块、控制器模块、电机驱动模块、显示模块六部分组成,其结构框图如图1所示。
1.1 电源电路
智能救援机器人全部能量来源于位于机器人底部的六节五号电池,经过传统的7805稳压电路给其单片机及外围传感器供电,其电路如图2所示。部分传感器采用5V低电压供电可以避免机器人过早检测障碍物而停止前进。
1.2 检测感应模块
1.2.1 巡线电路
巡 线模块我们采用红外对管。红外对管由LED和光电三极管组成,光电三极管根据从地面反射回来的LED的光的强度而改变积极基极电流。在光电三极管基极接一 上拉电阻,则可根据基极电压的测量判断反射光的强弱,强光说明探测器下方是白色,弱光说明下方光较弱,大部分光被黑线吸收。对于输出的模拟信号,我们将其 引入五个电压比较器LM339进行处理。电压比较器LM339的一输入端接红外对管,另一端接滑动变阻器,通过对滑动变阻器的调节可以实现对红外对管对黑 线的灵敏度。比较器LM339的另一端接上拉电阻后进入单片机进行探测。
1.2.2 避障电路
避障部分采用光电开关,将其安放在机器人需要测量的各个方向。为减少它的测量距离保证机器人的正常运行,我们采用的是低电压5V供电,供电电压虽略显不足,但能保证它的正常短距离探测。光电开关的信号线的高低电平可反映前方障碍物的有无,障碍物检测电路如图3所示。

1.2.3 超声波测距电路
由 于超声波执行性强、能量消耗慢、在介质中传播距离较远的特点。我们采用DIP-ME007超声波测距模块完成高度的测量功能,其电路板如图4所示。 DIP-ME007超声波测距模块能比较迅速、方便地测出桥底部距测距模块之间的距离,此模块共有五个引脚VCC、tring、echo、out、 GND。DIP-ME007超声波测距模块输出为pwm方式,VCC、GND接好后向tring发一个10 s以上的高电平,就可以在接收口echo等待高电平输出。单片机采用跳变沿触发,触发后即开始计时。当电平变低后即开始读定时器,此时的值即为此次测距所 用的时间。根据S=Ct/2即可得出所测得的距离。如此周期性测量即可实现移动测距。单片机内部自动将测得数据保存并与上一次测距结果比较,保留最大值, 当连续五次未测得大于前一次的数据时停止检测并记录最大值。当再次检测到黑线即已成功过桥,是时单片机控制显示模块将测得的最大值在液晶屏上显示出来。
1.3 控制器电路
由于主控制器的任务较多,电路要求引脚较多,且显示器的控制程序较为复杂,我们单独配备了一个同样的单片机作为主控制器的辅助部分,通过它来分担主控制器的工作,来完成显示部分的工作。其中主控制器与其它模块的连接如图5所示。
1.4 声光报警电路
声 光报警模块主要应用于搜救报警电路中,同时为进一步扩展应用,我们在控制其开关的同时引入另一条信号线实现了对声音的控制。在搜救过程和平安到达安置区时 经采用不同频率和音色的声音给出表示。寻找硬币我们采用金属探测传感器,当发现金属时,其信号线上电平从低电平变为高电平,触发单片机中断,在单片机的控 制下机器人停止运动,启动音乐发生模块并点亮LED进行声光报警,具体实现电路如图6所示。
1.5 电机驱动电路
单片机 通过传感器的反馈信号控制电机正转、反转或者停止,来实现控制机器人完成各种动作。L298N是专用电机驱动芯片,他可以实现电机的正反转、刹车、pwm 调速等多种功能,是对机器人电机进行控制的比较理想的芯片,因此我们采用L298N芯片对两个普通电机进行控制。通过编程完全可以控制实现题目的基本要求 和发挥部分,也可增加各种创新功能。L298N芯片信号电源与驱动电源的分开,可以根据需要对电机的电压进行调节,其驱动电路如图7所示。
1.6 显示电路
采用MSl602C-1型LCD显示相应的信息。此显示器模块的工作电压为5V左右,支持显示2行字符,每行可显示16个字符,每个字符由5×7点阵显示。可以通过编程实现多种显示,显示信息比数码管更多,显示效果更好。
由于主控制器的单片机任务较多,电路接线较复杂,我们采用单独的单片机控制显示模块。
2 智能救援机器人的软件设计
本智能救援机器人的软件控制部分采用C语言编程,借助C语言的强大功能来实现单片机AT89S52的控制功能。主程序流程图如图8所示。
3 结论
以 AT89S52单片机为核心部件,利用红外传感检测、电机控制等技术,通过各种方案的讨论及尝试,再经过多次的整体软硬件结合调试,不断地对系统进行优 化,最后智能救援机器人可以实现;避开障碍物,并寻找到合适的路径;顺利通过受损的桥梁,并能较准确地测出桥梁的高度;自动识别路线状况,并根据实时状况 快速做出判断,准确控制机器人的转向;自动显示所要求的信息;自动寻线前进,能智能检测、捡起、放下硬币;声光报警,并有彩灯闪烁;行驶到规定的地点自动 停止并显示救援结束。
在设计过程中,力求硬件电路简单,外形美观,充分发挥软件设计的优势来满足系统的要求。
作者:刘秋霞
1;所有标注为智造资料网zl.fbzzw.cn的内容均为本站所有,版权均属本站所有,若您需要引用、转载,必须注明来源及原文链接即可,如涉及大面积转载,请来信告知,获取《授权协议》。
2;本网站图片,文字之类版权申明,因为网站可以由注册用户自行上传图片或文字,本网站无法鉴别所上传图片或文字的知识版权,如果侵犯,请及时通知我们,本网站将在第一时间及时删除,相关侵权责任均由相应上传用户自行承担。
[complaint:内容投诉]
智造资料网打造智能制造3D图纸下载,在线视频,软件下载,在线问答综合平台 » 智能救援机器人设计(图文教程)

