2.螺纹紧固件2.1常用螺纹紧固件及其画法
螺纹紧固件包括螺纹、螺钉、双头螺柱、螺母、垫圈等。常见的螺纹紧固件如图2-23所示。通常根据螺纹紧固件的主要尺寸和标记,在相应的标准手册即可查出该零件的祥图及全部尺寸。
六角头螺栓 双头螺柱 螺钉
圆柱头螺钉 开槽沉头螺钉 开槽锥端紧定螺钉
平垫圈 弹簧垫圈 六角螺母
图2-23 常用螺纹紧固件
(1)螺 栓
螺栓由带有螺纹的圆柱杆和棱形的头部组成,头部为六棱柱的称为六角头螺栓。常用的六角头螺栓的有关尺寸、画法和标记形式如附表5所列。图2-24为螺栓的比例画法。
2-24 螺栓的画法
(2)螺 母 螺母有六角形、方形、六角开槽等多种形式,圆柱孔内刻有螺纹。常用的六角螺母的有关尺寸、画法和标记形式如附表6所列。图2-25为螺母的比例画法。
2-25 螺母的画法
(3)垫 圈 垫圈有平垫圈、弹簧垫圈等。
平垫圈可保护被连接件表面,弹簧垫圈则具有防松作用。常用的平垫圈和弹簧垫圈的有关尺寸、画法和标记形式如附表7、8所列。
(a)平垫圈 (b)弹簧垫圈 2-26 垫圈的比例画法
(4)双头螺柱双头螺柱是圆柱杆两头均刻有螺纹的紧固件。bm端旋入被连接件的螺孔内、称为旋入金属端;b端与螺母旋合,称为旋入螺母端。双头螺柱常用于被连接件之一较厚的情况。双头螺柱旋入金属 端bm由被旋入的零件材料强度确定,因此有相应的国家标准: 零件材料是钢或青铜时 bm=1d(GB898-88) 零件材料是铸铁时 bm=1.25d(GB898-88) 零件材料强度在铸铁与铝之间时 bm=1.5d(GB899-88) 零件材料强度是纯铝时 bm=2d(GB900-88) 双头螺柱的画法和标记方法如附表9所示。
2-27 双头螺柱的比例画法
(5)螺 钉
将螺钉穿过被连接件的通孔,再旋紧到另一连接件的螺孔内,这样就把被连接的零件连接起来。这种连接形式适用于受力不大且又不常拆卸的场合 螺钉的种类很多,按螺钉的用途分为连接螺钉和紧定螺钉。按头部形状分,常用的有开槽盘头螺钉、开槽沉头螺钉、十字槽盘头螺钉等。它们的有关尺寸、画法和标记形式如附表10、 附表11、附表12、附表13所列。紧固件通孔及沉孔尺寸如附表14所示。
2-28 螺钉头的比例画法
![]()
常用的螺纹连接形式有螺栓连接、双头螺柱连接和螺钉连接三种形式。螺纹紧固件的装配画法,应遵守以下装配画法的3条基本规定。
(1)两零件接触表面画一条线,不接触表面画两条线。
(2)两邻接零件的剖面线方向应相反,或者方向一致,间隔不等。各视图上同一零件的剖面线方向和间隔应保持一致。
(3)对于紧固件和实心零件(如螺钉、螺栓、螺母、垫圈、键、销、球、轴等),若剖切平面通过它们的基本轴线时,则这些零件均按不剖绘制,仍画外形;需要时,可采用局部剖视。 螺纹紧固件在装配画法中一般均采用比例画法。
(1)螺栓连接 螺栓穿过被连接零件的通孔,然后套上垫圈,再旋紧螺母如图2-29所示,这样就把被连接的零件连接起来。这种连接形式适用于被连接零件不太厚的情况。

(c) 图2-29 螺栓连接(观看动画) 螺栓的公称长度L按下式计算,然后选用相近的标准系列长度。L=h1+h2+h+m+a式中 h1、h2—被连接件的厚度; h—垫圈的厚度; m—螺母的厚度; a—螺栓伸出螺母的长度,一般选a=0.3d。 图2-30是螺栓连接的简化画法。
2-30 螺栓装配图的简化画法
(2)双头螺柱连接 先将双头螺柱的旋入端bm全部旋入被连接件的螺孔中,然后将另一个被连接件的通孔套在双头螺柱上,再套上垫圈、旋紧螺母,这样就把被连接的零件连接起来。这种连接形式适用于被连接件较厚 而另一个被连接件不太厚的情况。
图2-32 双头螺柱连接的简化画法
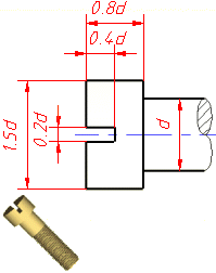
(3)螺钉连接 螺钉的公称长度也是按与螺栓、双头螺柱相类似的方式计算出,再选用相近的标准系列长度。 下图为螺钉的装配图的简化画法。在俯视图中,螺钉槽画成倾斜45°的粗实线,当槽宽小于或等于2时可涂黑,在左视图、主视图中开槽位置画在对称轴线处。如图2-33所示。

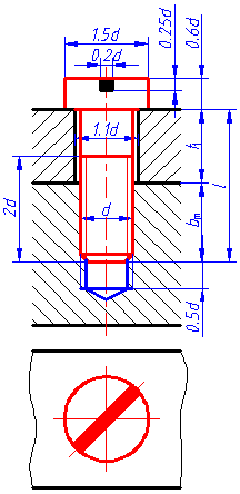
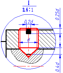
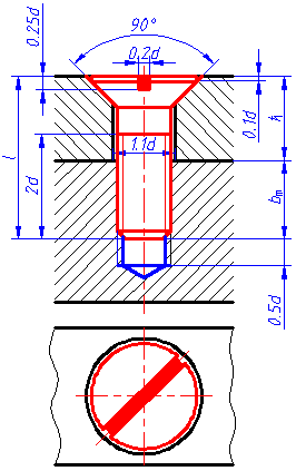
紧定螺钉根据其尾端的形状可有多种型式,如开槽锥端紧定螺钉和开槽长圆柱端紧定螺钉等。使用时,螺钉拧入一个零件的螺孔中,并将其尾端压在另一个零件的凹坑或插入另一零件的小孔 中,主要作用是固定两个零件的相对位置。图2-34为开槽锥端螺钉联结装配图的画法。
图2-34 开槽紧定螺钉联结装配图的画法
在绘制螺纹连接装配图的过程中,当剖切平面通过螺杆的轴线时,螺栓、双头螺柱、螺钉、螺母和垫圈,均按未剖画出其外形。两被连接件的剖面线方向应相反或间距不同画出,而且剖面线应画到 相关粗实线处;不通孔的底部规定画120°锥角.
1;所有标注为智造资料网zl.fbzzw.cn的内容均为本站所有,版权均属本站所有,若您需要引用、转载,必须注明来源及原文链接即可,如涉及大面积转载,请来信告知,获取《授权协议》。
2;本网站图片,文字之类版权申明,因为网站可以由注册用户自行上传图片或文字,本网站无法鉴别所上传图片或文字的知识版权,如果侵犯,请及时通知我们,本网站将在第一时间及时删除,相关侵权责任均由相应上传用户自行承担。
[complaint:内容投诉]
智造资料网打造智能制造3D图纸下载,在线视频,软件下载,在线问答综合平台 » 机械制图-1.2、螺纹紧固件(图文教程)

