7.7 读零件图
读零件图的要求是:了解零件的名称、所用材料和它在机器或部件中的作用,并通过分析视图、尺寸和技术要求,想象出零件各组成部分的结构形状及相对位置。从而在头脑中建立起一个完整的、具体的零件形象,并对其复杂程度等有初步的认识,理解其设计意图,分析其加工方法等。
读零件工作图的基本方法仍然是形体分析法和线面分析法。
对于一个较为复杂的零件,由于组成零件的形体较多,将每个形体的三视图组合起来,图形就显得繁杂了。实际上,对每个基本形体而言,用两三个视图就可以确定它的形状,读图时只要善于运用形体分析法,把零件分解成基本形体,便不难读懂较复杂的零件图。
下面以如图7-59所示的油缸体为例,说明看零件图的方法和步骤。

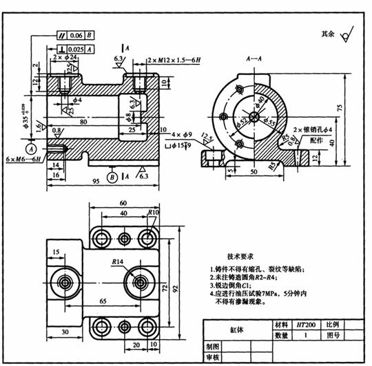
图7-59 油缸体
7.7.1 概括了解
首先,通过标题栏,了解零件名称、材料、绘图比例等,根据零件的名称想象零件的大致功能。并对全图作一大体观览,这样就可以对零件的大致形状,在机器中的大致作用等有个大概认识。
该零件的名称为油缸体,属于箱体类零件。为液压缸的缸体,材料为灰口铸铁(HT200),零件毛坯是铸造而成,结构较复杂,加工工序较多。
7.7.2 分析视图,想象零件形状
在纵览全图的基础上,详细分析视图,想象出零件的形状。要先看主要部分,后看次要部分;先看容易确定、能够看懂的部分,后看难以确定、不易看懂的部分;先看整体轮廓,后看细节形状。即应用形体分析的方法,抓特征部分,分别将组成零件各个形体的形状想象出来。对于局部投影难解之处,要用线面分析的方法仔细分析,辨别清楚。最后将其综合起来,搞清它们之间的相对位置,想象出零件的整体形状。
可按下列顺序进行分析:
① 找出主视图。
② 多少视图、剖视、断面等,找出它们的名称、相互位置和投影关系。
③ 凡有剖视、断面处要找到剖切平面位置。
④ 有局部视图和斜视图的地方必须找到表示投影部位的字母和表示投射方向的箭头。
⑤ 有无局部放大图及简化画法。
在这一过程中,既要熟练地运用形体分析法,弄清楚零件的主体结构形状,又要依靠对典型局部功能结构(如螺纹、齿轮、键槽等)和典型局部工艺结构(如倒角、退刀槽等)规定画法的熟练掌握,弄清楚零件上的相应结构。
既要利用视图进行投影分析,又要注意尺寸标注(如、R、S、SR等)和典型结构规定注法的“定形”作用。既要看图想物,又要量图确定投影关系。
在进行分析时要注意先看整体轮廓,后看细致结构;先看主要结构,后看次要结构;先看易确定、易懂的结构,后看较难确定和难懂的结构。
用形体分析法分析各基本形体,想象出各部分的形状。对于投影关系较难理解的局部,要用线面分析法仔细分析。最后综合想象出零件的整体形状。
分析零件图选用了那些视图、剖视图和其他表达方法,想象出零件的空间形状。各视图用了何种表达方法,若是剖视图时,从零件哪个位置剖切,用何种剖切面剖切,向哪个方向投射;若为向视图时,从哪个方向投射,表示零件的哪个部位。
缸体采用了三个基本视图,零件的结构、形状属中等复杂程度。主视图表达缸体内部结构。俯视图表达底板的形状,螺孔和销孔的分布情况,以及连接油管的两个螺孔所在的位置和凸台的形状。左视图表达缸体和底板之间的关系,其端部连接缸盖的螺孔分布和底板的沉孔、销孔情况。Φ8凸台起限制活塞行程的作用,上部左右两个螺孔通过管接头与油管连接。
7.7.3 尺寸分析
分析零件图上的尺寸,首先要找出三个方向尺寸的主要基准,然后从基准出发,按形体分析法,找出各组成部分的定形尺寸、定位尺寸及总体尺寸。
缸体长度方向的基准为左端面,标注的定位尺寸有80、15,通过辅助基准标注底板上的定位尺寸有10、20、40。宽度方向的尺寸基准为缸体前后的对称面,标注定位尺寸72。高度方向的尺寸基准为缸体底部平面,标注定位尺寸40。以Φ35的轴线为辅助基准,标注定位尺寸Φ52。
7.7.4 了解技术要求
读懂技术要求,如表面粗糙度、尺寸公差、形位公差以及其他技术要求。分析技术要求时,关键是弄清楚哪些部位的要求比较高,以便考虑在加工时采取措施予以保证。
油缸体Φ35活塞孔,其工作面要求防漏,因此,表面粗糙度Ra的上限值为0.8,左端面为密封平面,表面粗糙度Ra的上限值为1.6。Φ35活塞孔的轴线对底面(即安装平面)的平行度公差为0.06,左端面对Φ35的轴线的垂直度公差为0.025。因为工作介质为压力油,依据设计要求,加工好的零件还应进行保压检验。
7.7.5 综合分析
把零件的结构形状、尺寸标注、工艺和技术要求等内容综合起来,就能了解零件的全貌,也就读懂了零件图。有时为了读懂一些较复杂的零件图,还要参考有关资料,全面掌握技术要求、制造方法和加工工艺,综合起来就能得出零件的总体概念。
例看图7-60所示的蜗轮箱体零件图
1 看标题栏,概括了解
由图7-60可知该零件名称为蜗轮箱体,是蜗轮减速器中的主要零件,因而即可知蜗轮箱体主要起支承、包容蜗轮蜗杆等的作用。该零件为铸件,因此,应具有铸造工艺结构的特点。
2 视图分析
首先找出主视图及其他基本视图、局部视图等,了解各视图的作用以及它们之间的关系、表达方法和内容。图7-60所示的蜗轮箱体零件图采用了主视、俯视和左视3个基本视图、4个局部视图和一个重合剖面。其中,主视图采取全剖视,主要表达箱体的内形;左视图为D—D局部剖视图,表达左端面外形和Φ35+0.025/0轴承孔结构等;俯视图为C-C半剖视图,与E向视图相配合,以表达底板形状等。其余A向、B向、E向和F向局部视图均可在相应部位找到其投影方向。
3 根据投影关系,进行形体分析,想像出零件整体结构形状
以结构分析为线索,利用形体分析方法逐个看懂各组成部分的形状和相对位置。一般先看主要部分,后看次要部分,先外形,后内形。由蜗轮箱体的主视图分析,大致可分成如下4个组成部分。
(1)箱壳 从主、俯和左视图可以看出箱壳外形上部为:外径Φ144、内径R62的半圆形壳体,下部大体上是外形尺寸为60、144、108,厚度为10的长方形壳体;箱壳左端是圆形凸缘,其上有6个均布的M6螺孔,箱壳内部下方前后各有一方形凸台,并加工出装蜗杆用的滚动轴承孔。
(2)套筒 由主视、俯视和左视图可知,套筒外径为Φ76,内孔为Φ52+0.03/0,用来安装蜗轮轴,套筒上部有一Φ24的凸台,其中有一M10的螺孔。
(3)底板 据俯视、主视和E向有关部分分析,底板大体是150×144×12的矩形板,底板中部有一矩形凹坑,底板上加工出6个Φ10的通孔;左部的放油孔M6的下方有一个R20的圆弧凹槽。
(4)肋板 从主视图和F向视图及重合剖面可知,肋板大致为一梯形薄板,处于箱体前后对称位置,其三边分别与套筒、箱壳和底板连接,以加强它们之间的结构强度。
综合上述分析,便可想像出蜗轮箱体的整体结构形状,如图7-60所示。
4 分析尺寸和技术要求
看图分析尺寸时,一是要找出尺寸基准,二是分清主要尺寸和非主要尺寸。由图7-49可以看出,左端凸缘的端面为长度方向的尺寸基准,以此分别标注套筒和蜗杆轴承孔轴
心线的定位尺寸52和32。宽度方向的尺寸基准为对称平面;高度方向的尺寸基准为箱体底面。蜗轮轴孔与蜗杆轴孔的中心距72±0.026为主要尺寸,加工时必须保证。然后再进一步分析其他尺寸。
在技术要求方面,应对表面粗糙度、尺寸公差与配合、形位公差以及其他要求作详细分析。如本例中轴孔Φ35+0.025/0和Φ52+0.03/0等加工精度要求较高,粗糙度Ra为0.8 μm,两轴孔轴线的垂直度公差为0.02。

图7-60蜗轮箱体零件图

图7-61蜗轮箱体立体图
1;所有标注为智造资料网zl.fbzzw.cn的内容均为本站所有,版权均属本站所有,若您需要引用、转载,必须注明来源及原文链接即可,如涉及大面积转载,请来信告知,获取《授权协议》。
2;本网站图片,文字之类版权申明,因为网站可以由注册用户自行上传图片或文字,本网站无法鉴别所上传图片或文字的知识版权,如果侵犯,请及时通知我们,本网站将在第一时间及时删除,相关侵权责任均由相应上传用户自行承担。
[complaint:内容投诉]
智造资料网打造智能制造3D图纸下载,在线视频,软件下载,在线问答综合平台 » 机械制图教程-(7.7)读零件图(图文教程)

