形位公差的定义(GB/T1182—1996)
项 目 | 公差带定义 | 标注和解释 |
直 | 在给定平面内,公差带是距离为公差值t的两平行直线之间的区域
| 被测表面的要素,必须位于平行于图样所示投影面且距离为公差值0.1的两平行直线内
|
在给定方向上公差带是距离为公差值t的两平行平面之间的区域
| 被测圆柱面的任一素线必须位于距离为公差值0.1的两平行平面之内
| |
如在公差值前加注φ,则公差带是直径为t的圆柱面的区域
| 被测圆柱体内的轴线必须位于直径为φ0.08的圆柱面内
| |
平 | 公差带是距离为公差值t的两平行平面之间的区域
| 被测表面必须位于距离为公差值0.08的两平行平面内
|
圆 | 公差带是在同一正截面上,半径差为公差值t的两同心圆之间的区域
| 被测圆柱面任一正截面的圆周必须位于半径差为公差值0.03的两同心圆之间
|
被测圆锥面任一正截面上的圆周必须位于半径差为公差值0.1的两同心圆之间
| ||
圆 | 公差带是半径差为公差值t的两同轴圆柱面之间的区域
| 被测圆柱面必须位于半径差为0.1的两同轴圆柱面之间
|
线 | 公差带是包络一系列直径为公差值t 的圆的两包络线之间的区域,诸圆的圆心位于具有理论正确几何形状的线上
d=t 无基准要求的线轮廓度公差见图a 有基准要求的线轮廓度公差见图b | 在平行于图样所示投影面的任一截面上,被测轮廓线必须位于包络一系列直径为公差值0.04,且圆心位于具有理论正确几何形状的线上的两包络线之间
|
面 | 公差带是包络一系列直径为公差值t的球的两包络面之间的区域,诸球的球心应位于具有理论正确几何形状的面上
d=t 无基准要求的面轮廓度公差见图a 有基准要求的面轮廓度公差见图b | 被测轮廓面必须位于包络一系列球的两包络面之间,诸球的直径为公差值0.02,且球心位于具有理论正确几何形状的面上的两包络面之间
|
平 | 线对线平行度公差 | |
公差带是距离为公差值t,且平行于基准线,并位于给定方向上的两平行平面之间的区域
| 被测轴线必须位于距离为公差值0.1,且在给定方向上平行于基准轴线的两平行平面之间
| |
被测轴线必须位于距离为公差值0.2,且在给定方向上平行于基准轴线的两个平等平面之间
| ||
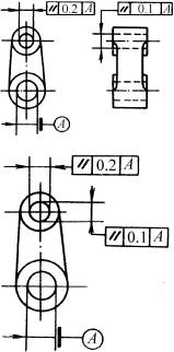
公差带是两对相互垂直的距离为t1和t2,且平行于基准线的两平行平面之间的区域
| 被测轴线必须位于距离分别为公差值0.2和0.1的在给定的互相垂直方向上且平行于基准轴线的两组平行平面之间
| |
如在公差值前加注φ,公差带是直径为公差值t,且平行于基准线的圆柱面内的区域
| 被测轴线必须位于直径为公差值0.03且平行于基准轴线的圆柱面内
| |
线对面的平行度公差 | ||
公差带是距离为公差值t,且平行于基准平面的两平行平面之间的区域
| 被测轴线必须位于距离为公差值0.01,且平行于基准表面B(基准平面)的两平行平面之间
| |
面对线的平行度公差 | ||
公差带是距离为公关值t,且平行于基准线的两平行平面之间的区域
| 被测表面必须位于距离为公差值0.1,且平行于基准线C(基准轴线)的两平行平面之间
| |
面对面平行度公差 | ||
公差带是距离为公差值t,且平等于基准面的两平行平面之间的区域
| 被测表面必须位于距离为公差值0.01,且平行于基准表面D(基准平面)的两平行平面之间
| |
垂 | 线对线垂直度公差 | |
公差带是距离为公差值t,且垂直于基准线的两平行平面之间的区域
| 被测轴线必须位于距离为公差值0.06,且垂直于基准线A(基准轴线)的两平行平面之间
| |
线对面垂直度公差 | ||
在给定方向上,公差带是距离为公差值t且垂直于基准面的两平行平面之间的区域
| 在给定方向上被测轴线必须位于距离为公差值0.1,且垂直于基准表面A的两平行平面之间
| |
公差带分别是互相垂直的距离为t1和t2且垂直于基准面的两对平行平面之间的区域
| 被测轴线必须位于距离分别为公差值0.2和0.1的互相垂直且垂直于基准平面的两对平行平面之间
| |
如公差值前加注φ,则公差带是直径为公差值t,且垂直于基准面的圆柱面内的区域
| 被测轴线必须位于直径为公差值0.01,且垂直于基准面A(基准平面)的圆柱面内
| |
面对线垂直度公差 | ||
公差带是距离为公差值t,且垂直于基准线的两平行平面之间的区域
| 被测面必须位于距离为公差值0.08,且垂直于基准线A(基准轴线)的两平行平面之间
| |
面对面垂直度公差 | ||
公差带是距离为公差值t,且垂直于基准面的两平行平面之间的区域
| 被测面必须位于距离为公差值0.08且垂直于基准平面A的两平行平面之间
| |
倾 | 线对线倾斜度公差 | |
被测线和基准线在同一平面内,公差带是距离为公差值t,且与基准线成一给定角度的两平行平面之间的区域
| 被测轴线必须位于距离为公差值0.08,且与A—B公共基准线成一理论正确角度的两平行平面之间
| |
被测线与基准线不在同一平面内,公差带是距离为公差值t,且与基准成一给定角度的两平行平面之间的区域。由于被测线与基准不在同一平面内,则被测线应投影到包含基准轴线并平行于被测轴线的平面上,公差带是相对于投影到该平面的线而言
| 被测轴线投影到包含基准轴线的平面上,它必须位于距离为公差值0.08,并与A—B公共基准线成理论正确角度60°的两平行平面之间
| |
线对面的倾斜度公差 | ||
公差带是距离为公差值t,且与基准成一给定角度的两平行平面之间的区域
| 被测轴线必须位于距离为公关值0.08,且与基准面A(基准平面)成理论正确角度60°的两平行平面之间
| |
如在公差值前加注φ,则公差带是直径为公差值t的圆柱面内的区域,该圆柱面的轴线应平行于基准的平面并与基准体系呈一给定的角度
| 被测轴线必须位于直径为0.1的圆柱公差带内,该公差带应于行于基准平面B并与基准表面A(基准平面)呈理论正确角度60°
| |
面对线的倾斜度公差 | ||
公差带是距离为公关值t,且与基准线成一给定角度的两平行平面之间的区域
| 被测表面必须位于距离为公差值0.1,且与基准线A(基准轴线)成理论正确角度75°的两平行平面之间
| |
面对面的倾斜度公差 | ||
公差带是距离为公差值t,且与基准面成一给定角度的两平行平面之间的区域
| 被测表面必须位于距离为公差值0.08,且与基准面A(基准平面)成理论正确角度40°的两平行平面之间
| |
位 | 点的位置度公差 | |
如公差值前加注φ,公差带是直径为公差值t的 圆内的区域。圆公差带的中心点的位置由相对于基准A和B的理论正确尺寸确定
| 两个中心线的交点必须位于直径为公差值0.3的圆 内,该圆的圆心位于相对基准A和B(基准直线)所确定的点的理想位置上
| |
如公差值前加注Sφ,公差带是直径为公差值t的球内的区域,球公差带的中心点的位置由相对于基准A、B和C的理论正确尺寸确定
| 被测球的球心必须位于直径为公差值0.03的球内。该球的球心位于相对基准A、B、C所确定的理想位置上
| |
线的位置度公差 | ||
公差带是距离为公差值t,且以线的理想位置为中心线对称配置的两平行直线之间的区域。中心线的位置,由相对于基准A的理论正确尺寸确定,此位置度公差仅给定一个方向
| 每根刻线的中心线必须位于距离为公差值0.05,且相对于基准A所确定的理想位置对称的两平行直线之间
| |
公差带是两对互相垂直的距离为t1和t2,且以轴线的理想位置为中心对称配置的两平行平面之间的区域,轴线的理想位置由相对于三基面体系的理论正确尺寸确定,此位置度公差相对于基准给定互相垂直的两个方向
| 各个被测孔的轴线必须分别位于两对互相垂直的距离为0.05和0.21,且相对于C、A、B基准表面(基准平面)所确定的理想位置对称配置的两平行平面之间
| |
如在公差值前加注φ,则公差带是直径为t的圆柱面内的区域,公差带的轴线的位置由相对于三基面体系的理论正确尺寸确定
| 被测轴线必须位于直径为公差值0.08,且以相对于C、A、B基准表面(基准平面)所确定的理想位置为轴线的圆柱面内
| |
每个被测轴线必须位于直径为公差值0.1,且以相对于C、A、B基准表面(基准平面)所确定的理想位置为轴线的圆柱面内
| ||
平面或中心平面的位置度公差 | ||
公差带是距离为公差值t,且以面的理想益为中心对称配置的两平行平面之间的区域,面的理想位置由相对于三基面体系的理论正确尺寸确定
| 被测表面必须位于距离为公差值0.05,且以相对于基准线B(基准轴线)和基准表面A(基准平面)所确定的理想位置对称配置的两平行平面之间
| |
同 | 点的同心度公差 | |
公差带是公差值为φt,且与基准圆心同心的圆内的区域
| 外圆的圆心必须位于公差值为φ0.01,且与基准圆心同心的圆内
| |
轴线的同轴度公差 | ||
公差带是公差值φt的圆柱面的区域,该圆柱面的轴线与基准轴线同轴
| 大圆的轴线必须位于公差值为φ0.08,且与公共基准线A-B(公共基准轴线)同轴的圆柱面内
| |
对 | 中心平面的对称度公差 | |
公差带是距离为公差值t,且相对基准的中心平面对称配置的两平行平面之间的区域
| 被测中心平面必须位于距离为公差值0.08,且相对于基准中心平面A对称配置的两平行平面之间
| |
被测中心平面必须位于距离为公差值0.08,且相对于公共基准中心平面A-B对称配置的两平行平面之间
| ||
圆 | 圆跳动公差是被测要素某一固定参考点围绕基准轴线旋转一周时(零件和测量仪器间无轴向位移)允许的最大变动量t,圆跳动公差适用于每一个不同的测量位置 注:圆跳动可能包括圆度、同轴度、垂直度或平面度误差。这些误差的总值不能超过给定的圆跳动公差 | |
径向圆跳动公差 | ||
公差带是在垂直于基准轴线的任一测量平面内半径差为公差值t,且圆心在基准轴线上的两个同心圆之间的区域
跳动通常是围绕轴线旋转一整周,也可对部分圆周进行控制 | 当被测要素围绕基准线A(基准轴线)并同时受基准表面B(基准平面)的约束旋转一周时,在任一测量平面内的径向圆跳动量均不得大于0.1
| |
被测要素绕基准线A(基准轴线)旋转一个给定的部分圆周时,在任一测量平面内的径向圆跳动量不得大于0.2
| ||
当被测要素围绕公共基准线A—B(公共基准轴线)旋转一周时,在任一测量平面内的径向圆跳动量均不得大于0.1
| ||
端面圆跳动公差 | ||
公差带是在与基准同轴的任一半径位置的测量圆柱面上距离为t 的两圆之间的区域
| 被测面围绕基准D(基准轴线)旋转一周时,在任一测量平面内的轴向跳动量均不得大于0.1
| |
斜向圆跳动公差 | ||
公差带是在与基准同轴的任一测量圆锥面上,距离为t的两圆之间的区域。除另有规定,其测量方向应与被没面垂直
| 被测面绕基准线C(基准轴线)旋转一周时,在任一测量圆锥面上的跳动量不得大于0.1
| |
被测曲面绕基准线C(基准轴线)旋转一周时,在任一测量曲面上的跳动量均不得大于0.1
| ||
斜向(给定角度的)圆跳动公差 | ||
公关带是在与基准同轴的任一给定角度的测量圆锥面上,距离为t的两圆之间的区域
| 被测面绕基准线A(基准轴线)旋转一周时,在给定角度的任一测量圆锥面上的跳动量均不得大于0.1
| |
全 | 径向全跳动公差 | |
公差带是半径差为公差值t,且与基准同轴的两圆柱面之间的区域
| 被测要素围绕基准线A—B作若干次旋转,并在测量仪器与工件间同时作轴向移动,此时在被要素上各点间的示值差均不得大于0.1,测量仪器或工件必须沿基准轴线方向并相对于公共基准轴线A—B移动
| |
端面全跳动公差 | ||
公关带是距离为公差值t,且与基准垂直的两平行平面之间的区域
| 被测要素围绕基准轴线D作若干次旋转,并在测量仪器与工件间作径向移动,此时,在被测要素上各点间的示值差均不得大于0.1,测量仪器或工件必须沿着轮廓具有理想正确形状的线和相对于基准轴线D的正确方向移动
| |
1;所有标注为智造资料网zl.fbzzw.cn的内容均为本站所有,版权均属本站所有,若您需要引用、转载,必须注明来源及原文链接即可,如涉及大面积转载,请来信告知,获取《授权协议》。
2;本网站图片,文字之类版权申明,因为网站可以由注册用户自行上传图片或文字,本网站无法鉴别所上传图片或文字的知识版权,如果侵犯,请及时通知我们,本网站将在第一时间及时删除,相关侵权责任均由相应上传用户自行承担。
[complaint:内容投诉]
智造资料网打造智能制造3D图纸下载,在线视频,软件下载,在线问答综合平台 » 形位公差的定义(GB/T1182—1996)(图文教程)


























































































