压铸模模具设计(DIE CASTING)
压铸模具设计中;安全注意事项:
为什么利用镁合金制造:
镁合金的重量较轻。
镁合金与模具间的连接性较差,脱模较易。
镁合金的机械加工性较好。
镁合金的化学特性:
在化学上,我们知道,Mg是一种化学性质较活泼的金属,可以说,在常温下,就可以吞噬空气中的氧而发生氧化.在模具设计中我们用H2O作冷却.所以最危险的事情就在这里。
Mg+H2O=H2↑+MgO
H2是一种危险的气体,所以要严控高温下的镁汤与水有任何联系,对水源严格管制.人员安全装备千万不可马虎! 在投入炉中要一直加有保护气体和烘干装置。
压铸的生产过程及原理:
以下以一幅图表达:

图: A-1
压铸成型是一种高压成型:金属汤的量事先通过计算确定的,是所有模穴cavity,runner,and gate的总和.所以这个value是一个常数值.通过40%-60%这个参数确定料管的直径.料管的设计也是模具设计的一部分.这个40%-60%是有科学根据的.少于40%则汤料会过早凝固.多于60%则在推动过程中易产生波纹(wave),包入空气形成表面缺陷.影响成品质量!
压铸工艺对成型品的要求:
压铸工艺要求成型品最好具有均一壁厚,确保汤料可同时到每一个角落,如果产品壁厚不均匀,则溶流会沿所受阻力较小的路径前进.从而形成了我们不愿见到的”air traps”,”weld lines”,等等.
当我们的客户所设计的成品,其肉厚不很均匀,产生的直接后果是开模困难,我们应采取尽可能的办法去与之沟通,使其最大量地变更产品设计,以期达到最佳开模效果.
成型工艺运动过程:
Show as the following diagram:

图: A-2
运动行程分为两个阶段,第一阶段活塞慢速推进.当汤料到达浇口点,迅速提升压力,进行高压射出的动作,待cavity被充满之后,进行一阶段保压运动.整个射出成型需要15/1000s左右,没有高科技计算机的实时控制,这么短的时间内完成两段射出,简直难以想象!
模具设计的部分
我们必须进行强度校核,可以利用计算机优越的计算性能编写出确实可行的计算程序,进行强度校核及挠度计算等一些相关问题,通过”Computer aided engineering”的分析,优化结构设计和浇道设计.使我们的设计更加向科学化,系统化,现代化的方向迈进! 做让客户放心, 让客户称心!
以下进行具体的设计捡论:
设计之前,特约定如下:
S→stroke:(行程)
Sma→location that I make the stroke (metal at gate)
( ejector ) →part Length +5mm (顶出行程)
S→section:
SA→gate section (浇口截面积)∙
SV→section vending(逃气孔截面积) ∙
SR→runner section(浇道截面积) ∙
A→projected area:
AP→projected area part (零件投影面积) ∙
AO→projected area overflow(溢料部分投影面积) ∙
AS→slide projected area (滑块投影面积) ∙
AR→runner projected area (浇道投影面积) ∙
AIM→total projected area (全部的投影面积) ∙

图: A-3
AIM = Ao + Ap + AR
Speed: velocity:
Vma: velocity of gate (浇口速度)
Vc: plunger velocity (活塞速度) (在控制点处)
FLI: Force opening (KN) (FLN>FLI)
FLN: Force closing (KN)

图: A-4
PIM3:Pressure→第三段行程处压力 (Maximum Pressure)
为了更清楚地捡论PIM3, Show as the following diagram:

图: A-5
Flow rate, Cavity fill time 的计算:
设定:
Qm → Flow rate:
TF → Cavity fill time:
As we known:
Qm = d㎡╳π/4 ╳ Vc (π→园周率)
= Adm ╳ Vc (活塞表面积与活塞推进速度)
= VMA ╳ SA (浇口速度与浇口截面积)
= VL ╳ SV (逃气孔速度与逃气截面积)
由物理学原理:我们知道:SV,有最大值;如果大于这个最大值,则会产生overflow的问题;而VL<300mps,当然,我们要求越多的溢料口,对成型有利,但是太多的溢料口,其弊端可想而知.
每次开模后,注意要使用离型剂进行清除,我设计的溢料口要确保有足够的逃气截面积,计算时要注意一些回馈信息.
Qm=(Mρ+Mο)/S ╳ TF ( Mο≒1/3 Mρ)
其中:TF (经验值)≒S∕100
CX: S=1.5mm. ∴TF=0.015s
对TF值的部分¸影响因素很多。
The same part, but the gate location is difference:

图: A-6
SFLOW1>SFLOW2
TF1
Temperature of the mold is higher; The value of TF is shorter.
SFLOW is longer, TF is shorter.
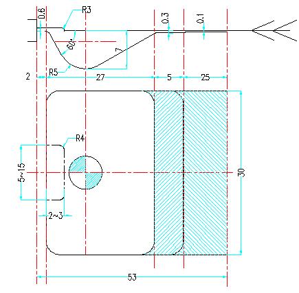
以一成品为例:

图: A-7
这一成型品共有7个overflow:每个overflow的重量是5 g
设 Mρ=150 g:
∴ Qm = MA/1.75×TF=150+7×5/(1.75×0.015)= 7050cm3/s
∵Qm= VMA×SA∴SA= Qm/ VMA
VMA 的值一般由经验得出:其常见值为40~80 m/s.
以一般经验来考虑:

图1的VMA值可大一些;而途图2的VMA值须小一些.
现取值为50 m/s;
∴SA=Qm/VMA=7050/50=141mm*mm
以上就是我们所求的浇口截面积大小¸通常我们按具体情况决定具体的参数值:
SO we decide
SA=141=10×14.1
=1×141
=0.5×282
……
分成许许多多种类 :
The following is design of the overflow:
图: A-8
压铸模具结构设计类似于塑模但由于压铸模必须承受较大之冲力及变形.因此,结构设计上强度大于塑模.以下列出压铸模异于塑模之要点.
(一).
模仁结构设计:成品边缘距模仁至少60mm.(见图A-9)
公母模板的确定:模仁外边到模板外缘宽度(B)至少90mm厚度,为2倍之模仁厚. (见图A-9)
模脚内侧进入模仁外缘垂直线至少20mm. (见图A-9)
A板隔热板(材料S40000),厚度约12mm. (见图A-9)
下固定板至少50mm.
夹模厚50MM四边夹模,直接用螺丝锁,不用压板.
上下顶出板厚分别为30`35mm,尽量减少宽度,从而增大 模脚而使公模板变形减少.
公母模仁表面均需出模板面0.1mm,切不可太大.否则,产生毛边镁通汤溅出,将极其危险.
模仁尽量避免有尖锐之角点,尖点将导致应力集中.压铸时使模仁爆裂,模仁内水孔末端拐角也应有R 角.

图A-9
(二).
RP设计可选用偏小径φ18~φ20mm,位置于模仁内. (见图A-10)
EGP设计应注意:不可插入公模板,至少留1mm间隙. (见图A-9)
顶板顶出时不可靠在公模板上,至少留5mm间隙.
STP可用10个左右数量,比塑模多.
从下固定板锁公模板之螺丝S-1,在连接处加上圆环,插入板内定位.(如图A-11)
GP应倒装在母模侧. (见图A-10)
水平方向需装入0度定位块. (见图A-10)
KO孔位置请见压铸机上顶杆位置,切不可用注塑成型机位置.
料管中心与压铸机中心距为0~250mm,50MM为一级.

图 A-10

图 A-11
拆模(3D)设计注意要点:
所有地方除PL线外¸均至少应做R0.2圆角。因为尖角不利于镁合金之填充。
拔模斜度至少1∘
插破角至少1∘
毛边产生之最少间隙为10条。
RIB最少宽度为0.5¸若有逃气可加宽些。
缩水厚度比1:1。
圆PIN形入子(最少Φ15mm)。
(四) 顶出方式:
以顶针顶出为主。
由于镁凝固后¸包紧力很大。所以¸采用之顶针直径及宽度较塑模要大些(尽量直径6mm以上) 。
每次开模前¸均润滑以利脱模。
(五) 倒勾之处理:
不采取内滑块(内斜梢机构) 。
原因是冲击力大¸易产生毛边。
外滑之设计要点¸基本与塑模相同。
大滑块需中央导轨¸导轨做入子。
滑块底部加排屑槽¸深度5mm与宽度12mm¸越大越好。
![]()
![]()
![]()
c、滑块用压板使用螺丝至少M10

图A-12
(六) 冷确加热方式:
模仁之冷确:
水孔距成品面20—25MM¸若遇尖角要多让一些(油孔15mm) 。
油孔密度由充填状况决定¸但垂直方向最小间距为2.5倍的孔径¸水平方向间距为40MM左右。
油孔直径可取10—12MM。
不采取“O”型环¸因为模温太高(600℃左右) ¸而“O”型环无法抗高温。

图A-13
2 . 模板冷确:
公母模板各需分别冷确¸建议直接通水孔¸水孔直径(12—15mm)四条直通式。
冷确之观念:
因为模温从浇口至远程温度变化由热到冷¸因此¸水孔加热也应远程入¸近端出¸即使模具远程比近端热。
冷确应以进料口的浇道和料管为主¸而模座成型部份则需加热。
澳洲识式浇口及浇道设计:

图A-14
设计计算式如下:
Sin= Sout+SA×1.8=151.2 mm×mm
Sout= 3.5×2.5= 7.2 mm×mm
α=sqrt (Sin&pide;1.5) = 10 mm×mm
Tan(α)=0.25 (~15°)
B= Sin&pide;α+α×0.25=17.6mm
α(x)=(( α-2.5)&pide;SL×x)+2.5
b(x)= S(x)/ α(x)+ α(x)×0.25
S(x)=((Sin-7.2)&pide;SL×x)+Sout
=(151.2-7.2)/100×60)+7.2=93.6 mm×mm
b(x) =93.6&pide;7+7×0.25=15.12mm
料管设计:
料管内径的初算:
350 旽的压铸机最小内径为 50mm, 因此设计料管内径时可根据流量来初算,建议先设定料管内径为Φ=50mm.
料管长度计算:
对于无分流子情况,活塞运动的距离由于固定为500mm,而活塞运动的终点必须多出料管端口15mm以上.
对于应用分流子情况,分流子设计高度,不得超过100mm。因此,活塞端面即超出料管端面120~220 mm。
以上两种情况都可知道活塞终点位置.而活塞起点位置 也是确定的 ,因此即可推算出Lmactive。
用Lmactive 来验算充填率、使充填率为数(40%~55%),如果不符合,则通过改变料管直径再次计算。

图A-15

图A-16
由成品尺寸定 OVERFLOW 的值:(n1)
For example:

图 A-1
n1=210&pide;30=7.
由成品厚度定充填时间:
一般经验,
tF = S/100 Cx: s=1.5mm (S为part thickness )
则: tF = 1.5/100=0.015 second.
计算出流量值的大小:
Mρ= con,Mο=con(5 g)
Qm=( Mρ+ Mο)/(S×tF)=MA/(S×tF)
s为con: s=1.75g/cm (对于mg合金)
mp为成品重量 mo为overflow重量
求活塞速度:
Qm=dm2×π/4×Vc
=Adm×Vc=Vma×Sa=VL×Sv
Adm→活塞表面积 Vma→浇口速度 Sa→浇口截面积 VL→逃气速度 Sv→逃气孔截面积 Vc→活塞速度
由流量值推出活塞推进速度
Vc= Qm/Adm = Qm/(0.785×dm2) < 6m/s →一项检验标准
由逃气孔定 OVERFLOW 的值:(n2)
VL=300 m/s, Sv=Qm/VL
Length = Sv/0.1
Length/30;
![]()
由速度推导浇口截面积
Vma=40~80m/s 由Vma×sa=Qm知 Sa↓=Vma↑
Vma=50m/s(经验值)
Sa=Qm/Vma;
求工件一边上的可用浇口长度L1, L2, L3,… Lm.(M个)
人为因素;
求所有长度SUM: (Lsum)
求浇口厚度:
Thickness = Sa/Lsum;
将工件上认为可以保为浇口的地方的长度总和利用浇口面积如除以这个总长度得到厚度每个厚度是均一的
求浇口截面积:
Sa1=L1×Thickness; ……
求和浇口对应浇道截面积
SR1=1.8 Sa1; ……
求浇道高度:
H = sqrt(SR/1.5);
求解浇道长度及形状:
Length1= SR1/H;
Length1′=Length1-2Htgα
求解第二段浇道截面积:
SRⅡ=SR1+SR2;
求解第二段浇道高度:
同上;
求解第二段浇道长度及
形状:同上; ……
求解主浇道,定尺寸:
和倒圆角即可求得截面形状依次类推 ……
Drei- Platten- Werkzeug
Three Trois



mA= N×(mT+mU)+mV
[g]
QM=mA&pide;(ρ×tF)
[g&pide;(g/cm3×S)=cm3/S
ρAL=2.5g/cm3
SA=QM&pide;VMA
[cm3/S&pide;m/S=mm2]
VMA=30~50 m/s
Vc=QM&pide;(dm2×0.785)
[cm3/s&pide;(mm)2 =m/s]
Sv=QM&pide;320
[cm3/s&pide; m/s =(mm)2]
SR=1.8~2.5×SA
Kanalbreite
Kanaldicke
Z.B.
Kanalbreite=1.5×Kanaldicke:
W=sqrt(SR&pide;1.5)=[mm]
B=SR+0.33×B*&pide;B*=[mm]
mA Weight at gate (浇口的重量)
mT Weight of part (成品的重量)
mU Weight of overflows (溢流道的重量)
mV Weight of vacuum channel (真空逃气管的重量)
N No.of cavity (模穴的个数) QM Volume of metal(flow rate) (流量)
ρ Metal desity (料汤的密度)
tF Filling time (充填时间)
SA Total section area of gate (浇口的总截面积)
SV Total section area of ventings (逃气孔的总截面积)
SR Total section area of runners (浇道的总截面积)
VMA Velocity of metal at gate (浇口处的流速)
Vc Plunger speed (活塞移动速度)
dM Plunger diameter (活塞的直径)
W Calculated thickness of runners (计算出的浇道厚度)
W* Actual thickness of runners (实际的浇道厚度)
B Calculated width of runners (计算出的浇道宽度)
B* Actual width of runners (实际的浇道宽度)
Example:
SA = 100 mm2
SR = 2.5×100 = 250 mm2
W = sqrt(250&pide;2.17) = 10.73 mm
B = 250+0.33×10.73&pide;10.73 = 23.63 mm
W* = W gerundet = 11
B* = 250+0.33×11&pide;11 = 23.06
SV = 7000&pide;320 = 21.8 mm2
由成品尺寸定 OVERFLOW 的值:(n1)
For example:

图 A-1
n1=210&pide;30=7.
由成品厚度定充填时间:
一般经验,
tF = S/100 Cx: s=1.5mm (S为part thickness )
则: tF = 1.5/100=0.015 second.
计算出流量值的大小:
Mρ= con,Mο=con(5 g)
Qm=( Mρ+ Mο)/(S×tF)=MA/(S×tF)
s为con: s=1.75g/cm (对于mg合金)
mp为成品重量 mo为overflow重量
求活塞速度:
Qm=dm2×π/4×Vc
=Adm×Vc=Vma×Sa=VL×Sv
Adm→活塞表面积 Vma→浇口速度 Sa→浇口截面积 VL→逃气速度 Sv→逃气孔截面积 Vc→活塞速度
由流量值推出活塞推进速度
Vc= Qm/Adm = Qm/(0.785×dm2) < 6m/s →一项检验标准
由逃气孔定 OVERFLOW 的值:(n2)
VL=300 m/s, Sv=Qm/VL
Length = Sv/0.1
Length/30;
![]()
由速度推导浇口截面积
Vma=40~80m/s 由Vma×sa=Qm知 Sa↓=Vma↑
Vma=50m/s(经验值)
Sa=Qm/Vma;
求工件一边上的可用浇口长度L1, L2, L3,… Lm.(M个)
人为因素;
求所有长度SUM: (Lsum)
求浇口厚度:
Thickness = Sa/Lsum;
将工件上认为可以保为浇口的地方的长度总和利用浇口面积如除以这个总长度得到厚度每个厚度是均一的
求浇口截面积:
Sa1=L1×Thickness; ……
求和浇口对应浇道截面积
SR1=1.8 Sa1; ……
求浇道高度:
H = sqrt(SR/1.5);
求解浇道长度及形状:
Length1= SR1/H;
Length1′=Length1-2Htgα
求解第二段浇道截面积:
SRⅡ=SR1+SR2;
求解第二段浇道高度:
同上;
求解第二段浇道长度及形状:
同上; ……
求解主浇道,定尺寸:
和倒圆角即可求得截面形状依次类推
压铸模具流道系统计算机设计流程图

1;所有标注为智造资料网zl.fbzzw.cn的内容均为本站所有,版权均属本站所有,若您需要引用、转载,必须注明来源及原文链接即可,如涉及大面积转载,请来信告知,获取《授权协议》。
2;本网站图片,文字之类版权申明,因为网站可以由注册用户自行上传图片或文字,本网站无法鉴别所上传图片或文字的知识版权,如果侵犯,请及时通知我们,本网站将在第一时间及时删除,相关侵权责任均由相应上传用户自行承担。
[complaint:内容投诉]
智造资料网打造智能制造3D图纸下载,在线视频,软件下载,在线问答综合平台 » 压铸模模具设计(图文教程)

