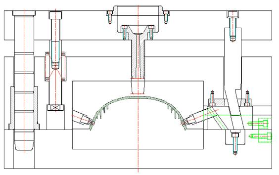
倒勾处理(滑块)
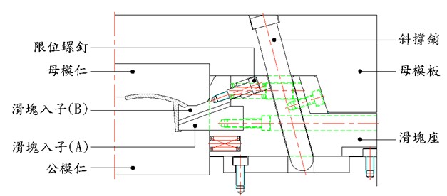
一‧斜撑销块的动作原理及设计要点
是利用成型的开模动作用,使斜撑梢与滑块产生相对运动趋势,使滑块沿开模方向及水平方向的两种运动形式,使之脱离倒勾。如下图所示:

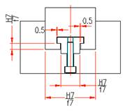
上图中:
β=α+2°~3°(防止合模产生干涉以及开模减少磨擦)
α≦25°(α为斜撑销倾斜角度)
L=1.5D (L为配合长度)
S=T+2~3mm(S为滑块需要水平运动距离;T为成品倒勾)
S=(L1xsina-δ)/cosα(δ为斜撑梢与滑块间的间隙,一般为0.5MM;
L1为斜撑梢在滑块内的垂直距离)
二‧斜撑梢锁紧方式及使用场合
简图 | 说明 |
|
适宜用在模板较薄且上固定 板与母模板不分开的情况下配 合面较长,稳定较好 |
|
适宜用在模板厚、模具空间大 的情况下且两板模、三板板均 可使用 配合面L≧1.5D(D为斜撑销直径) 稳定性较好 |
|
适宜用在模板较厚的情况下 且两板模、三板板均可使用, 配合面L≧1.5D(D为斜撑销直径) 稳定性不好,加工困难. |
|
适宜用在模板较薄且上固定板 与母模板可分开的情况下 配合面较长,稳定较好 |
三‧拔块动作原理及设计要点
是利用成型机的开模动作,使拔块与滑块产生相对运动趋势,拨动面B拨动滑
块使滑块沿开模方向及水平方向的两种运动形式,使之脱离倒勾。
如下图所示:

上图中:
β=α≦25° (α为拔块倾斜角度)
H1≧1.5W (H1为配合长度)
S=T+2~3mm (S为滑块需要水平运动距离;T为成品倒勾)
S=H*sinα-δ/cosα
(δ为斜撑梢与滑块间的间隙,一般为0.5MM;
H为拔块在滑块内的垂直距离)
C为止动面,所以拨块形式一般不须装止动块。(不能有间隙)
四‧滑块的锁紧及定位方式
由于制品在成型机注射时产生很大的压力,为防止滑块与活动芯在受到压力
而位移,从而会影响成品的尺寸及外观(如跑毛边),因此滑块应采用锁紧定位,
通常称此机构为止动块或后跟块。
常见的锁紧方式如下图:
简图 | 说明 | 简图 | 说明 |
|
滑块采用镶拼式锁紧方式,通常可用标准件.可查标准零件表,结构强度好.适用于锁紧力较大的场合. |
|
采用嵌入式锁紧方 式,适用于较宽的 滑块 |
|
滑块采用整体式锁紧方式,结构刚性好但加工困难脱模距小适用于小型模具. |
|
采用嵌入式锁紧方式适用于较宽的滑块. |
|
采用拔动兼止动稳定性较差,一般用在滑块空间较小的情况下 |
|
采用镶式锁紧方式,刚性较好一般适用于空间较大的场合. |
五.滑块的定位方式
滑块在开模过程中要运动一定距离,因此,要使滑块能够安全回位,必须给滑块
安装定位装置,且定位装置必须灵活可靠,保证滑块在原位不动,但特殊情况下
可不采用定位装置,如左右侧跑滑块,但为了安全起见,仍然要装定位装置.常见
的定位装置如下:简图 | 说明 |
|
利用弹簧螺钉定位,弹簧强度 为滑块重量的1.5~2倍,常用 于向上和侧向抽芯. |
|
利用弹簧钢球定位,一般滑块 较小的场合下,用于侧向抽芯. |
|
利用弹簧螺钉和挡板定位,弹 簧强度为滑块重量的1.5~2倍, 适用于向上和侧向抽芯 |
|
利用弹簧挡板定位,弹簧的强 度为滑块重量的1.5~2倍,适用 于滑块较大,向上和侧向抽芯. |
六‧滑块入子的连接方式
滑块头部入子的连接方式由成品决定,不同的成品对滑块入子的连接方式可能
不同,具体入子的连接方式大致如下:
简图 | 说明 | 简图 | 说明 |
|
滑块采用整体式结构,一般适用于型芯较大,强度较好的场合. |
|
采用螺钉固定,一般型芯或圆形,且型芯较小场合.
|
|
采用螺钉的固定形式,一般型芯成方形结构且型芯不大的场合下. |
|
采用压板固定适用固定多型芯. |
七‧滑块的导滑形式
块在导滑中,活动必须顺利、平稳,才能保证滑块在模具生产中不发生卡滞或
跳动现象,否则会影响成品质品,模具寿命等。(压板规格超级链接)
常用的导滑形式如下图所示。
简图 | 说明 | 简图 | 说明 |
|
采用整体式加工困难,一般用在模具较小的场合。 |
|
采用压板,中央导轨形式,一般用在滑块较长和模温较高的场合下。 |
|
用矩形的压板形式,加工简单,强度较好,应用广泛,压板规格可查标准零件表. |
|
采用”T”形槽,且装在滑块内部,一般用于容间较小的场合,如跑内滑块. |
|
采用”7”字形压板,加工简单,强度较好,一般要加销孔定位. |
|
采用镶嵌式的T形槽,稳定性较好,加工困难. |
八‧倾斜滑块参数计算
由于成品的倒勾面是斜方向,因此滑块的运动方向要与成品倒勾斜面方向
一致,否侧会拉伤成品。
1.滑块抽芯方向与分型面成交角的关系为滑块抽向动模.
如下图所示:

α°=d°-b°
d°+b°≦25°
c°=α°+(2°-3°)
H=H1-S*sinb°
S=H1*tgd°/cosb°
L4=H1/cosd°
2.滑块抽芯方向与分型面成交角的关系为滑块抽向定模.
如下图所示:

α1°=d°-b°
d-b°≦25°
c°=a°+(2°+3°)
H=H1+S*sinb°
S=H1+tgd°/cosb°
L4=H/cosd°
九‧母模遂道滑块
1.应用特点
a.制品倒勾成型在母模侧
b.制品外观有允许有痕迹
c.滑块成型面积不大
如下图所示:

2.母模遂道块简图如下:

合模状态

第一次开模

第二次开模及顶出状态
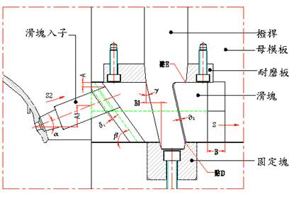
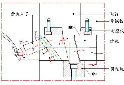
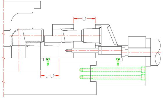
(3).设计注意事项
a. 上固定板的厚度H2≧1.5D (D为大拉杆直径;大拉杆直径计算超级链接三板
模大拉杆计算;H2上固定板的厚度)
b.拨块镶入上固定板深度H≧2/3H2
c.注口衬套头部要做一段锥度,以便合模。且要装在上固定板上,以防止成型机上的喷嘴脱离注口衬套,产生拉丝现象不便取出,影响下一次注射。
d.拨块在母模板内要逃料。
e.耐磨板要高出母模板0.5mm,保护母模板。以及支撑拨块防止拨块受力变形。
f.小拉杆限位行程S≦2/3H1,以利合模。 (H1为滑块高度)
g.拨杆前端最好装固定块,易调整,易加工,构成三点支撑,增加拨块强度。
h.要使耐磨块装配顺利,要求点E在点D右侧。如下图所示:
i.滑块座与拨块装配时,要特别注意尺寸B与B1的关系,应为B>B1,但为了
装配的顺畅,也可将其滑块座后模板部分全部挖通。


(4)双”T”槽的计算公式及注意事项:

如上图中
S3=H*tgγ;
(H为滑块下降的高度即小拉杆行程; γ为拨块角度)
S2=δ2*cosγ;
(δ2为拨块与滑块间隙,一般为0.5mm)
S=S3-S2=H*tgγ-δ2*cosγ=(H*sinγ-δ2)/cosγ;
(S为滑块水平运动距离)
S4=δ1/cosα;
(δ1滑块入子与滑块间隙隙;α为滑块入子倾斜角度)
S1=(H*sinβ-δ1)/sin(α+β);
(β为勾槽间隙,一般为0.5mm;S1为滑块入子脱离倒勾距离)
注意事项:
a.装配要求:滑块入子与倾斜的入子孔装配,要特别注意尺寸A与A1的关系,
应为A>A1 。
b. 双T槽公差:如下图

装配注意事项范例



模具简图
上图中
滑块入子能顺利装入公模仁内,要求S1>S或将公模板开通。(见右图)
β=α+2°~3° (便于开模及减小摩擦)
H≧1.5D (H为斜撑销配合长度;D为斜撑销直径)双T槽机构范例
双”T”槽结构范例




2‧母模爆炸式滑块
(1).爆炸式滑块适用场合
一般成型在母模侧且对滑块成型面积较大,尤其是滑块在母模侧很深的情况下使用。(下图为爆炸式滑块典型实例:)

(2).炸式滑块简图如下:


开模状态
(3).行程计算:
如下图中
S=L*sinβ
(β为T槽角度;L为沿T槽方向行程;S为滑块水平运动距离)
H=L*cosβ
(H为滑块纯垂直运动距离)


(4).爆炸式滑块设计要求及注意事项:
如右图中所示:

a.底部耐磨板要做斜面,减少滑块与
公模板间磨损,一般取1.5˚~3˚,装
配位置须在滑块重心3/4处。
b.S1>S (S为滑块水平运动距离)
c.滑块背部耐磨板要高出滑块背部0.5mnm
e.挡块与抓勾间角度γ>耐磨板倾斜角度
f.β=α (β为“T”槽角度;


α为限位拉杆角度)
g.T型块长度尽量取长,高出母模板10mm
即可。
h.滑块头部要装合模螺钉,便于组模,
试模要取下。
i. 锁T形块螺钉要垂直于T形块
j.头部弹簧须求滑块重量
k.滑块背部要做对刀平面
l.滑块两侧面要做限位槽
m.滑块头部一定要做基准面,便于组模
及加工基准,一般取8mm以上
n.爆炸式滑块一定要做凸肩(定位翅膀),
以利合模且要有一个基准,不可逃料。




(5).特深爆炸式滑块注意事项:
a.导向杆要从母模板装置
a. 母模板要凸出公模板内,防止
母模板外掀,增加模具强度
b. 在母模板凸出外侧要做耐磨板,
防止磨损,易调整
d.其它注
(3)‧滑块打顶针
一般对于成品璧厚薄而深,壁侧面抽芯孔位较多,抽芯力较大,在跑滑块
时,成品可能被滑块拉变形或拉伤。为防止成品被滑块拉变形或拉伤,
需在滑块内打顶针,以阻止成品被滑块拉变形或拉伤。
a.滑块内部打顶针(范例1)
2.常见滑块内打顶针有两种方式。如下图所示:

五‧延迟滑块
1成品外侧滑块抽芯力大防止成品拉变形
2.利用延迟滑块作强制脱模
下图为水管及水管延迟简图
合模状态

第一次开模
第二开模完毕状态

六‧斜销式滑块
1.斜销式滑块适用放范围
一般用在成品有滑块机构,同时沿滑块
运动方向成品也有倒勾,这时可采用

斜销式滑块。
注:
右图为斜销式滑块的典型实例:
2.斜销式滑块简图如下:






3‧内滑块
(1). 用凸台形式(如下图)

上图中行程计算与拨块式滑块一致
(2). 用斜撑销形式(如下图)


上图中
S1=S+1mm以上 (S为倒勾距离;S1为滑块沿斜面运动距离)
S2=S1/cosβ (S2为滑块相对水平距离;β为滑块倾斜角度)
S2=S3=(H1*sinα-0.5)/cosα (H1为相对垂直高度;α为斜撑销倾斜角度
α≦25)°
γ=α+2°~3°
H≧1.5D (D为斜撑销直径; H为斜撑销配合长度)
详细尺寸计算超级链接倾斜滑块计算
‧抽心力的计算及强度校核
1‧抽芯力的计算
由于塑料在模具冷却后,会产生收缩现象,
包括模仁型芯及其它机构零件(如斜梢.滑
块.入子等)因此,在设计滑块时要考虑到成
品对滑块的包紧力,受力状态图如右:

型芯受力状态图
注:
F=F4*cosα-F3cosα=(F4-F3)*cosα
式中
F---抽芯力(N);
F3---F2的侧向分力(N)
F4---抽芯阻力(N);
α---脱模斜度.由于α一般较小,故cosα=1
即 F=F4-F3
而 F2=F1-cosα
F3=F2tgα=F1cosα*tgα=F1*sinα
F4=F2*μ=μ-F1cosα
即 F=F4-F3=μ*F1cosα-F1sinα=F1(μcosα-sinα)
式中
F1-----塑料对型芯的包紧力(N)
F2---垂直于型芯表面的正压力(N)
μ---塑料对钢的摩擦系数,一般取0.2左右
而F1=CLF.
式中
C----型芯被塑料包紧部分断面平均周长(CM)
L---型芯被塑料包紧部分长度(CM)
F0---单位面积包紧力,一般可取7.85~11.77MPA
即F=100CLF0(μcosα-sinα) (N)
2‧斜撑梢直径校核
斜撑梢直径要受到本身的倾斜角度、长度以及所需脱模距离的综合影响,因此,在设计过程中,几个参数需要相互调配得到最佳合理化.以确保滑块运动顺畅,具体计算公式如下:
注:图中P---斜销所受最大弯曲力
L---弯曲力距
P1---抽芯阻力
H---抽芯孔中心到A点的距离
α°---斜撑销倾斜角
P2---开模力

由图中得到:
P=P1/cosα (KN)
M弯=PL (KN)
又 M弯≦[σ弯]*W (KN)
即 PL=[σ弯]*W (KN)
式中
W---抗弯截面系数
[σ弯]---弯曲许用应力(对碳钢可取13.7KN/CM2 (137MPA)
M弯---斜销承受最大弯矩
即 W=(πd4/64)/(D/2)= πd3/32=0.1d3
0.1d3=pL/[σ]弯=PH/([σ]弯cosα)
D=3√(ph/0.1[σ]弯cosα (cm)
3‧拔块的截面尺寸校核
拔块的截面尺寸校核原理与斜撑梢计算原理一致。只是将最后一步骤更改即可。得公式如下:
W=bh2/b
当 b=2/3h时, W=h3/9
h3/9=pL/[σ]弯=PH/([σ]弯cosα)
H=3√9PH/([σ]弯cosα) (cm)
当 b=h时, W=H3/b]
H=3√(6ph/[σ]弯*cosα) (cm)
式中
h---拔块截面长边(cm)
b---拔块截面短边(cm
1;所有标注为智造资料网zl.fbzzw.cn的内容均为本站所有,版权均属本站所有,若您需要引用、转载,必须注明来源及原文链接即可,如涉及大面积转载,请来信告知,获取《授权协议》。
2;本网站图片,文字之类版权申明,因为网站可以由注册用户自行上传图片或文字,本网站无法鉴别所上传图片或文字的知识版权,如果侵犯,请及时通知我们,本网站将在第一时间及时删除,相关侵权责任均由相应上传用户自行承担。
[complaint:内容投诉]
智造资料网打造智能制造3D图纸下载,在线视频,软件下载,在线问答综合平台 » 滑块设计(图文教程)

























