冷卻系統
1.1. 運水位置
1.1.1.對收縮大的产品如PP﹑PE﹑PVC等﹐盡量沿制品收縮大的方向排布運水。
1.1.2.在保証模具材料強度的前提下,運水盡可能靠近型腔或型芯表面,并且圍繞所成型的制品均勻布置.其尺寸要求如圖:

1.1.3.当模具采用鑲拼結構,且鑲件尺寸足夠大時,應單獨冷卻,如齿輪鑲件等圓形鑲件,一般設置环形水路;大的行位也要單獨冷卻。D=d+(1~2) (d為水道直徑)

1.1.4.模具各部分一定要均勻冷卻,因結構不能設計運水的地方﹐采用鈹銅方式冷卻。
1.1.5.當兩條水路空間交叉或在同一平面位置時﹐水路長度小于150,其最小間距為3mm, 水路長路大于150,其最小間距為5mm,如圖:

1.16. 運水應避開頂針﹑司筒﹑鑲針﹑斜頂﹑直頂﹑螺絲等零件﹐其周邊最小間距為3mm,當模具設置先復位機構時﹐其出入水位置不得與之發生開涉。
1.17. 当一套模具中,運水組數超過2組時,應在各出入水位置做“OUT”和“IN”的標記。“OUT”表示出水,“IN”表示入水.同時應加上序號,表示連接的順序。
1.2. 水路大小
1.2.1.盡量選用大的水路,其最小直径为ø1/4”,迫不得已时可采用ø3/16”的水路,但最大也不能超過ø1/2”,常用水路为ø1/4”、ø5/16”、ø3/8”。水路中各水道的直徑應盡量相同,避免流速不均。模具中,單獨一組水路轉接不可太多,以免影響冷卻效果。
1.3. 水路與模胚位置關系
1.3.1.優先考慮在模胚的寬度方向接入﹑導出運水,否則須在模胚長度方向加四支角柱。
1.3.2.運水原則上從模胚導入﹐不直接入內模;当運水必須直接入內模或者冷卻行位時﹐应在模胚上喉咀避空槽其寬度為20~40。
1.3.3.直身模﹐避免水管從碼模坑通過﹐應保証運水攻牙邊距碼模坑邊5mm.。
如圖所示:

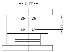
1.3.4.當前后模運水從同一方向接入﹐導出時﹐其間距應大於35mm.。

1.3.5.当面板厚度較小﹐又需通過運水時﹐應保証運水中心與面板頂15mm的距離。当面板厚度为20MM,其距离为13.0MM。

1.4. 水井
對於深腔類制品﹐為保証制品充分冷卻﹐應設置水井﹐当需采用斜孔連接兩水井時﹐其斜孔最大角度為45o﹐尺寸A最小不得小于3.0MM (如圖)﹐水井隔片采用青銅﹐庫存規格如下﹕
1) 1/8"x1"x1200mm
2) 1/8"x1-1/4"x1200mm
3) 1/8"x1-1/2"x1200mm
1;所有标注为智造资料网zl.fbzzw.cn的内容均为本站所有,版权均属本站所有,若您需要引用、转载,必须注明来源及原文链接即可,如涉及大面积转载,请来信告知,获取《授权协议》。
2;本网站图片,文字之类版权申明,因为网站可以由注册用户自行上传图片或文字,本网站无法鉴别所上传图片或文字的知识版权,如果侵犯,请及时通知我们,本网站将在第一时间及时删除,相关侵权责任均由相应上传用户自行承担。
[complaint:内容投诉]
智造资料网打造智能制造3D图纸下载,在线视频,软件下载,在线问答综合平台 » 塑料模具冷卻系統设计(图文教程)

