6.9 各类机床夹具设计要点
6.9.1 车床夹具
车床夹具主要要用于加工零件的内外圆柱面、圆锥面、回转成型面、螺纹及端平面等。在加工过程中夹具安装在机床主轴上随主轴一起带动工件转动。除常用的顶针、三爪卡盘、四爪卡盘、花盘等一类万能通用夹具外,有时还要设计一些专用夹具。
1. 车床夹具的主要类型
(1)心轴类夹具
在前面我们已经介绍了各类心轴,这里不再缀述。
(2)花盘式车床夹具
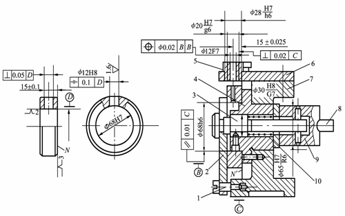
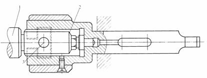
图6-54所示为十字槽轮零件精车圆弧f23+00.023mm的工序简图。本工序要求保证四处f23+0.023mm圆弧;对角圆弧位置尺寸18±0.02mm及对称度公差0.02mm;f23+0.023mm 轴线与 f5.5h6 轴线的平行度允差f0.01mm。
图6-51 十字槽轮精车工序简图
如图6-51所示,为加工该工序的车床夹具,工件以f5.5h6 外圆柱面与端面B、半精车的f22.5h8 圆弧面(精车第二个圆弧面时则用已经车好的 f23+0.023mm 圆弧面)为定位基面,夹具上定位套 1 的内孔表面与端面、定位销 2(安装在套 3 中,限位表面尺寸为f22.5-0.01mm,安装在套4中,限位表面尺寸为f23-0.008mm,图中未画出,精车第二个圆弧面时使用)的外圆表面为相应的限位基面。限制工件6个自由度,符合基准重合原则。同时加工三件,利于对尺寸的测量。 
图6-52花盘式车床夹具
1、3、4—定位套 2—定位销
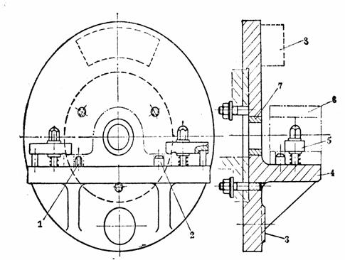
(3) 角铁式车床夹具
角铁式车床夹具的结构特点是具有类似角铁的夹具体。在角铁式车床夹具上加工的工件形状较复杂。它常用于壳体、支座、接头等类零件上圆柱面及端面。当被加工工件的主要定位基准是平面,被加工面的轴线对主要定位基准平面保持一定的位置关系(平行或成一定的角度)时,相应地夹具上的平面定位件设置在与车床主轴轴线相平行或成一定角度的位置上。
图6-53为一角铁式车床夹具。工件6以两孔在圆柱销2和削边销1上定位;端面直接在夹具体4的角铁平面上定位。两螺钉压板分别在两定位销孔旁把工件夹紧。导向套7用来引导加工由孔的刀具。8是平衡块,以削除夹具在回转时的不平衡现象。夹具上设置轴向定程基准面3,它与圆柱销保持确定的由向距离,可以利用宏观世界控制刀具的轴向行程。
图6-53 花盘角铁式车床夹具
1—削边定位销 2—圆柱定位销 3—轴向定位基面 4—夹具体 5-压板 6—工件 7—导向套 8-平衡块
2. 车床夹具的设计要点
(1)安装基面的设计
为了使车床夹具在机床主轴上安装正确,除了在过渡盘上用止口孔定位以外,常
常在车床夹具上设置找正孔、校正基圆或其它测量元件,以保证车床夹具精确地安装到机床主轴回转中心上。
(2)夹具配重的设计要求
加工时,因工件随夹具一起转动,其重心如不在回转中心上将产生离心力,且离心力随转速的增高而急剧增大。使加工过程产生振动,对零件的加工精度、表面质量以及车床主轴轴承都会有较大的影响。所以车床夹具要注意各装置之间的布局,必要时设计配重块加以平衡。
(3)夹紧装置的设计要求
由于车床夹具在加工过程中要受到离心力、重力和切削力的作用,其合力的大小与方向是变化的。所以夹紧装置要有足够的夹紧力和良好的自锁性,以保证夹紧安全可靠。但夹紧力不能过大,且要求受力布局合理,不破坏工件的定位精度。
(4)夹具总体结构的要求
车床夹具一般都是在悬臂状态下工作的,为保证加工过程的稳定性,夹具结构应力求简单紧凑、轻便且安全,悬伸长度要尽量小,重心靠近主轴前支承。为保证安全,装在夹具上的各个元件不允许伸出夹具体直径之外。此外,还应考虑切屑的缠绕、切削液的飞溅等影响安全操作的问题。
车床夹具的设计要点也适用于外圆磨床使用的夹具。
6.9.2 钻床夹具
1. 钻床夹具的类型
钻床上进行孔加工时所用的夹具称钻床夹具,也称钻模。钻模的类型很多,有固定式、回转式、移动式、翻转式、盖板式和滑柱式等。下面着重以固定式钻模为例介绍钻模的结构特点,其它几类钻模结构读者需要时可查找相关书籍。
固定式钻模,在使用的过程中,钻模在机床上位置是固定不动的。这类钻模加工精度较高,主要用于立式钻床上,加工直径较大的单孔,或在摇臂钻床上加工平行孔系。
(a) (b)
图6-54 固定式钻模
1-螺钉 2-转动开口垫圈 3-拉杆 4-定位法兰 5-快换钻套 6-钻模板 7-夹具体 8-手柄 9-圆偏心凸轮 10-弹簧
图6-54 (a)是零件加工孔的工序图,f68H7 孔与两端面已经加工完。本工序需加工f12H8孔,要求孔中心至 N 面为 15±0.1mm;与 f68H7 孔轴线的垂直度公差为 0.05mm,对称度公差为 0.1mm。据此,采用了如图6-54( b)所示的固定式钻模来加工工件。加工时选定工件以端面 N 和f68H7 内圆表面为定位基面,分别在定位法兰4 f68h6 短外圆柱面和端面 N¢ 上定位,限制了工件 5 个自由度。工件安装后扳动手柄 8 借助圆偏心凸轮 9 的作用,通过拉杆 3 与转动开口垫圈 2 夹紧工件。反方向搬动手柄 8,拉杆 3 在弹簧 10 的作用下松开工件。[yao_page]
2. 钻床夹具设计要点
(1)钻模类型的选择
在设计钻模时,需根据工件的尺寸、形状、质量和加工要求,以及生产批量、工厂的具体条件来考虑夹具的结构类型。设计时注意以下几点:
① 工件上被钻孔的直径大于 10mm时(特别是钢件),钻床夹具应固定在工作台上,以保证操作安全。
② 翻转式钻模和自由移动式钻模适用中小型工件的孔加工。夹具和工件的总质量不宜超过10kg,以减轻操作工人的劳动强度。
③ 当加工多个不在同一圆周上的平行孔系时,如夹具和工件的总质量超过 15kg,宜采用固定式钻模在摇臂钻床上加工,若生产批量大,可以在立式钻床或组合机床上采用多轴传动头进行加工。
④ 对于孔与端面精度要求不高的小型工件,可采用滑柱式钻模。以缩短夹具的设计与制造周期。但对于垂直度公差小
于 0.1mm、孔距精度小于 ±0.15mm的工件,则不宜采用滑柱式钻模。
⑤ 钻模板与夹具体的连接不宜采用焊接的方法。因焊接应力不能彻底消除,影响夹具制造精度的长期保持性。
⑥ 当孔的位置尺寸精度要求较高时(其公差小于±0.05mm),则宜采用固定式钻模板和固定式钻套的结构形式。
(2)钻模板的结构
用于安装钻套的钻模板,按其与夹具体连接的方式可分为固定式、铰链式、分离式等。
① 固定式钻模板 固定在夹具体上的钻模板称为固定式钻模板。这种钻模板简单,钻孔精度高。
② 铰链式钻模板 当钻模板妨碍工件装卸或钻孔后需要攻螺纹时,可采用如图6-51所示的铰链式钻模板。销轴2与钻模板4的销孔采用H7/h6配合,与铰链座1的销孔之间采用N7/h6配合,钻模板4与铰链座1 之间采用H8/g7配合。由于铰链结构存在间隙,所以它的加工精度不如固定式钻模板高。
③ 分离式钻模板 工件在夹具中每装卸一次,钻模板也要装卸一次。这种钻模反加工的工件精度高但装卸工件效率低。
(3)钻套的选择和设计
钻套装配在钻模板或夹具体上,钻套的作用是确定被加工工件上孔的位置,引导钻头、扩孔钻或铰刀,并防止其在加工过程中发生偏斜。按钻套的结构和使用情况,可分为四种类型。
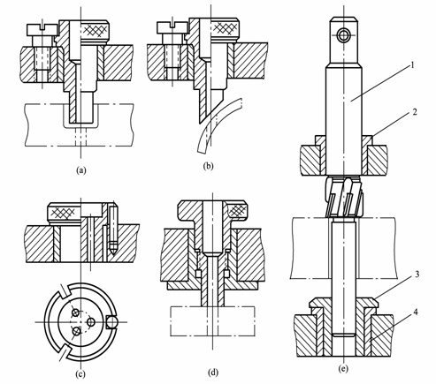
① 固定钻套
图6-55(a)与其说-55(b)是固定钻套的两种型式。钻套外圆以 H7/n6 或 H7/r6 配合直接压入钻模板或夹具体的孔中,如果在使用过程中不需更换钻套,则用固定钻套较为经济,钻孔的位置也较高。适用于单一钻孔工序和小批生产。
图6-55 标准钻套
② 可换钻套
图6-55(c)为可换钻套。当生产量较大,需要更换磨损后的钻套时,使用这种钻套较为方便。为了避免钻模板的磨损,在可换钻套与钻模板之间按 H7/r6 的配合压入衬套。可换钻套的外圆与衬套的内孔一般采用 H7/g6 或 H7/h6 的配合,并用螺钉加以固定,防止在加工过程中因钻头与钻套内孔的摩擦使钻套发生转动,或退刀时随刀具升起。
③ 快换钻套
当加工孔需要依次进行钻、扩、铰时,由于刀具的直径逐渐增大,需要使用外径相同,而孔径不同的钻套来引导刀具。这时使用如图6-55(d)、6-55(e)所示的快换钻套可以减少更换钻套的时间。它和衬套的配合同于可换钻套,但其锁紧螺钉的突肩比钻套上凹面略高,取出钻套不需拧下锁紧螺钉,只需将钻套转过一定的角度,使半圆缺口或削边正对螺钉头部即可取出。但是削边或缺口的位置应考虑刀具与孔壁间摩擦力矩的方向,以免退刀时钻套随刀具自动拔出。
以上三类钻套已标准化,其规格可参阅有关夹具手册。
④ 特殊钻套
由于工件形状或被加工孔位置的特殊性,需要设计特殊结构的钻套。图6-56为几种特殊钻套的结构。
图6-56 特殊钻套
当钻模板或夹具体不能靠近加工表面时,使用图 6-56(a)所示的加长钻套,使其下端与工件加工表面有较短的距离。扩大钻套孔的上端是为了减少引导部分的长度,减少因摩擦使钻头过热和磨损。图 6-56(b)用于斜面或圆弧面上钻孔,防止钻头切入时引偏甚至折断。图6-56(c)是当孔距很近时使用的,为了便于制造在一个钻套上加工出几个近距离的孔。图6-56(d)是需借助钻套作为辅助性夹紧时使用。图6-56(e)为使用上下钻套引导刀具的情况。当加工孔较长或与定位基准有较严的平行度、垂直度要求时,只在上面设置一个钻套 2,很难保证孔的位置精度。对于安置在下方的钻套 4 要注意防止切屑落入刀杆与钻套之间,为此,刀杆与钻套选用较紧的配合(H7/h6)。
6.9.3 铣床夹具
1. 铣床夹具的分类
铣床夹具主要用于加工零件上的平面、键槽、缺口及成形表面等。由于铣削加工的切削力较大,又是断续切削,加工中易引起振动,因此要求铣床夹具的受力元件要有足够的强度。夹紧力应足够大,且有较好的自锁性。此外,铣床夹具一般通过对刀装置确定刀具与工件的相对位置,其夹具体底面大多设有定向键,通过定向键与铣床工作台 T 形槽的配合来确定夹具在机床上的方位。夹具安装后用螺栓紧固在铣床的工作台上。
铣床夹具一般按工件的进给方式,分成直线进给与圆周进给两种类型。
(1)直线进给的铣床夹具
在铣床夹具中,这类夹具用得最多,一般根据工件质量和结构及生产批量,将夹具设计成装夹单件、多件串联或多件并联的结构。铣床夹具也可采用分度等形式。
图6-57是铣削轴端方头的夹具,采用平行对向式多们联动夹皮机械,旋转夹紧螺母6,通过球面垫圈及压板7将工件压在V形块上。四把三面刃铣刀同时铣完两个侧面后,取下楔块5,将回转座4转过90°,再用楔块5将回转座定位并楔紧,即可铣削工件的另两个侧面。
图6-57 轴端铣方头夹具
(2)圆周进给的铣床夹具
圆周进给铣削方式在不停车的情况下装卸工件,因此生产率高,适用于大批量生产。
图6-58所示是在立式铣床上圆周进给铣拔叉的夹具。通过电动机、蜗轮副传动机构带动回转工作台 6 回转。夹具上可同时装夹 12 个工件。工件以一端的孔、端面及侧面在夹具的定位板、定位销 2 及挡销 4 上定位。由液压缸 5 驱动拉杆 1,通过开口垫圈 3 夹紧工件。图中 AB 是加工区段,CD 为工件的装卸区段。
图6-58 圆周进给铣床夹具
1-拉杆 2-定位销 3-开口垫圈 4-挡销 5-液压缸 6-工作台[yao_page]
2. 铣床夹具的设计要点
定向键和对刀装置是铣床夹具的特殊元件。
(1)定向键 定向键安装在夹具底面的纵向槽中,一般使用两个,其距离尽可能布置得远些,小型夹具也可使用一个断面为矩形的长键。通过定向键与铣床工作台 T 形槽的配合,使夹具上元件的工作表面对于工作台的送进方向具有正确的相互位置。定向键可承受铣削时所产生的扭转力矩,可减轻夹紧夹具的螺栓的负荷,加强夹具在加工过程中的
稳固性。因此,在铣削平面时,夹具上也装有定向键。定向键的断面有矩形和圆柱形两种,常用的为矩形。如图6-59所示。
图6-59 定向键
定向精度要求高的夹具和重型夹具,不宜采用定向键,而是在夹具体上加工出一窄长平面作为找正基面,来校正夹具的安装位置。
(2)对刀装置 对刀装置由对刀块和塞尺组成,用以确定夹具和刀具的相对位置。对刀装置的形式根据加工表面的情况而定,图6-60为几种常见的对刀块:6-60(a)为圆形对刀块,用于加工平面;6-60(b)为方形对刀块,用于调整组合铣刀的位置;6-60(c)为直角对刀块,用于加工两相互垂直面或铣槽时的对刀;6-60(d)为侧装对刀块,亦用于加工两相互垂直面或铣槽时的对刀。这些标准对刀块的结构参数均可从有关手册中查取。对刀调整工作通过塞尺(平面型或圆柱型)进行,这样可以避免损坏刀具和对刀块的工作表面。塞尺的厚度或直径一般为 3~5mm,按国家标准 h6 的公差制造,在夹具总图上应注明塞尺的尺寸。
图6-60 标准对刀块及对刀装置
(a)圆形对刀块(GB/T2240-91) (b)方形对刀块(GB/T2241-91) (c)直角对刀块(GB/T2242-91) (d)侧装对刀块(GB/T2243-91) (e)对刀块
1-对刀块 2-对刀平塞尺 3-对刀圆柱塞尺
采用标准对刀块和塞尺进行对刀调整时,加工精度不超过 IT8 级公差。当对刀调整要求较高或不便于设置对刀块时,可以采用试切法;标准件对刀法;或用百分表来校正定位元件相对于刀具的位置,而不设置对刀装置。
(3)夹具体 为提高铣床夹具在机床上安装的稳固性,除要求夹具体有足够的强度和刚度外,还应使被加工表面尽量靠近工
作台面,以降低夹具的重心。因此,夹具体的高宽比限制在 H/B≤1~1.25 范围内,如图6-61所示。铣床夹具与工作台的连接部分应设计耳座,因连接要牢固稳定,故夹具上耳座两边的表面要加工平整。
图6-61 铣床夹具的本体
铣削加工时,产生大量切屑,夹具应有足够的排屑空间,并注意切屑的流向,使清理切屑方便。对于重型的铣床夹具在夹具体上要设置吊环,以便于搬运。
6.9.4 镗模
镗模是一种精密夹具。它主要用来加工箱体类零件上的精密孔系。
镗模和钻模一样,是依靠专门的导引元件——镗套来导引镗杆,从而保证所镗的孔具有很高的位置精度。由此可知,采用镗模后,镗孔的精度便可不受机床精度的影响。镗模广泛应用于高效率的专用组合镗床(又称:联动镗床)和一般普通镗床。即使缺乏上述专门的镗孔设备的中小工厂,也可以利用镗模来加工精密孔系。
1.镗模的组成
图6-62中是加工磨床尾架孔用的镗模。工件以夹具体底座上的定位斜块9和支承板10作主要定位。转动压紧螺杆6,便可将工件推向支承钉3,并保证两者接触,以实现工件的轴向定位。工件的夹紧,则是靠铰链压板5。压板通过活节螺栓和螺母7来操纵。镗杆是由装在镗模支架2上的镗套1来导向。镗模支架则用销钉和螺钉准确地固定在夹具体底座上。
图6-62 加工磨床尾架孔的镗模
由图中可知,一般镗模是由下述四部分组成:
(1)定位元件
(2)夹紧装置
(3)导引元件(镗套)
(4)夹具体(镗模支架和镗模底座)
2.镗套
镗套结构对于被镗孔的几何形状、尺寸精度以及表面粗糙度有很大关系。因为镗套的结构决定了镗套位置的准确度和稳定性。
镗套的结构型式一般分为以下两类固定式镗套和回转式镗套:
(1)固定式镗套
固定式镗套的结构,和前面介绍的一般钻套的结构基本相似。它是固定在镗模支架上而不能随镗杆一起转动,因此镗杆与镗套之间有相对运动,存在摩擦。
固定式镗套具有外形尺寸小,结构紧凑;制造简单;容易保证镗套中心位置的准确等优点。但是固定式镗套只适用于低速加工,否则镗杆与镗套间容易因相对运动发热过高而咬死,或者造成镗杆迅速磨损。
固定式镗套结构已标准化,设计时可参阅国标相关手册。
(2)回转式镗套
回转式镗套在镗孔过程中是随镗杆一起转动的,所以镗杆与镗套之间无相对转动,只有相对移动。当在高速镗孔时,这样便能避免镗杆与镗套发热咬死,而且也改善了镗杆磨损情况。特别是在立式镗模中,若采用上下镗套双面导向,为了避免因切屑落入下镗套内而使镗杆卡住,故而下镗套应该采用回转式镗套。
由于回转式镗套要随镗杆一起回转,所以镗套要有轴承支承,按轴承不同分为滑动镗套和滚动镗套。

(a) (b)
图6-63 常用外滚式镗套
图6-63(a)为滑动镗套,由滑动轴承来支承。
滑动镗套的具有以下特点:
①与滚动镗套相比,径向尺寸小,因而适用于孔中心距较小而孔径却很大的孔系加工。
②减振性较好,有利于降低被镗孔的粗糙度值。
③承载能力比滚动镗套大。
④若润滑不够充分,或镗杆的径向切削负荷不均衡,则易使镗套和轴承咬死。
⑤工作速度不能过高。
图6-63(b)为外滚式镗套。由滚动轴承来支承。滚动镗套的具有如下特点:
①采用滚动轴承(标准件),使设计、制造、维修都简化方便。
②采用滚动轴承结构,润滑要求比滑动镗套低。可在润滑不充分时,取代滑动镗套。
③采用向心推力球轴承的结构,可按需要调整径向和轴向间隙,还可用使轴承预加载荷的方法来提高轴承刚度。因而可以在镗杆径向切削负荷不平衡情况下使用。
④结构尺寸较大,不适用于孔心距很小的镗模。
⑤镗杆转速可以很高,但其回转精度,受滚动轴承本身精度的限制,一般比滑动模套要略低一些。
图6-64为“内滚式”滚动镗套。
图6-64 “内滚式”滚动镗套
这种镗套的回转部分是安装在镗杆上的。图中1就是“内滚式”镗套。镗杆3在轴承内环孔中一起相对外环回转;固定支承套2起导引作用,但它和“内滚式”镗套只有相对移动而没有回转运动。
“内滚式”镗套,因镗杆上装了轴承,其结构尺寸很大,这是不利的。但这种结构可使刀具顺利通过“内滚式”镗套的固定支承套,无需有引刀槽,或其他引刀结构。所以在前后双导引的镗套结构中,常在前镗套采用“外滚式”镗套,后镗套采用“内滚式”镗套。
标准镗套的材料与主要技术条件可参阅有关设计资料。[yao_page]
3.镗杆
(1)镗杆结构
图6-65 镗杆导向部分结构
镗杆的导引部分结构,见图6-65所示。图6-65(a)是开有油槽的圆柱导引,这种结构最简单但与镗套接触面大,润滑不好,加工时又很难避免切屑进入导引部分。常常容易产生“咬死”现象。
图6-65(b)和图6-65(c)是开有直槽和螺旋槽的导引。它与镗套的接触面积小,沟槽又可以容屑,情况比图6-65(a)要好。但一般切削速度仍不宜超过20米/分。
图6-65(d)是镶滑块的导引结构。由于它与导套接触面小,而且用铜块时的摩擦较小,其使用可较高一些,但滑块磨损较快。采用钢滑块可比铜滑块磨损小,但与镗套摩擦又增加了。滑块磨损后,可在滑块下加垫,再将外圆修磨。
当采用带尖头键的“外滚式”镗套时,镗杆导引端部应做成图6-66所示的带螺旋导引结构,其螺旋角应小于45。端部有了螺旋导引后,当不转的镗杆伸入带尖有关当局键盘的滚动镗套时,即使镗杆键槽没有对准镗套上的键,则可利用螺旋面镗动尖头键使镗套回转而进入键槽。
图6-66 镗杆端部螺旋导引结构
若回转镗套上开键槽,则镗杆应带键,一般键盘都是弹性的,能受压缩后伸入镗套,在回转中自动对键槽。同时,当镗套发生卡死时,还可打滑起保护作用。
镗杆上的装刀孔应错开布置,以免过分削弱镗杆的强度与刚度。并尽可能考虑到各切削刃切削负荷的相互平衡以减少镗杆变形,改善镗杆与镗套的磨损情况。
镗杆要求表面硬度高而内部有较好的韧性。因此采用20钢、20Cr钢等渗碳钢,渗碳淬火硬度HRC61~63。要求较高时,呆用氮化钢38CrMoAIA,但热处理工艺复杂。大直径的镗杆,也可用45钢、40Cr钢或65Mn钢。
4.浮动接头
在双镗套导向时,镗杆与机床主轴都是浮动连接,采用浮动接头。图6-67是一种普通的浮动接头结构。浮动接头能补偿镗杆轴线和机床主轴的同轴度误差。
图6-67 浮动接头结构
5.镗模支架
镗模支架是组成镗模的重要零件之一。它是供安装镗套和承受切削力用的。因此,它必须具有足够的刚度和稳定性。为了满足上述功用与要求,防止镗模支架受力振动和变形,在结构上应考虑有较大的安装基面和设置必要的加强筋。
镗模支架上不允许安装夹紧机构或承受夹紧反力。前面图6- 62 所示的镗模结构,就是遵守这一准则的例子。图中为了不使构模支架因受夹紧反力作用而发生变形,所以特别在支架上开孔使螺钉6穿过。如果在支架上加工出螺孔,而使螺钉6直接拧在此螺孔中去顶紧工件,则这时支架必然受到螺钉所产生的夹紧反力的作用而引起支架变形,从而影响支架上镗套的位置精度,进而影响镗孔精度。
镗模支架与镗模底座的连接,一般仍沿用销钉定位、螺钉紧固的型式。
镗模支架的材料,一般采用灰铸铁。
6.镗模底座
镗模底座要承受包括工件、镗杆、镗套、镗模支架、定位元件和夹紧装置等在内的全部重量以及加工过程中的切削力,因此底座的刚性要好,变形要小。通常,镗模底座的壁厚较厚,而且底座内腔设有十字形加强筋。
设计时,还须注意下面几点:
(1)在镗模上应设置供安装找正用的找正基面。供在机床上正确安装镗模底座时找正用。找正基面与镗套中心线的平行度应在300:0.01mm内。
(2)镗模重量一般都很重,为便于吊装,应在底座上设置供起吊用的吊环螺钉或起重螺栓。
(3)镗模底座的上平面,应按所要安装的各元件位置,做出相配合的凸台表面,其凸出高度约为3~5mm,以减少刮研的工作量。
(4)镗模底座材料一般用灰铸铁,牌号为HT20-40。在毛坯铸造后和粗加工后,都需要进行时效处理。
1;所有标注为智造资料网zl.fbzzw.cn的内容均为本站所有,版权均属本站所有,若您需要引用、转载,必须注明来源及原文链接即可,如涉及大面积转载,请来信告知,获取《授权协议》。
2;本网站图片,文字之类版权申明,因为网站可以由注册用户自行上传图片或文字,本网站无法鉴别所上传图片或文字的知识版权,如果侵犯,请及时通知我们,本网站将在第一时间及时删除,相关侵权责任均由相应上传用户自行承担。
[complaint:内容投诉]
智造资料网打造智能制造3D图纸下载,在线视频,软件下载,在线问答综合平台 » 机床夹具设计教程-各类机床夹具设计要点(图文教程)

