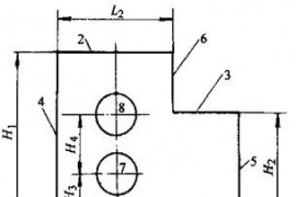
1.设计基准
设计基准是在零件图上所采用的基准。它是标注设计尺寸的起点。如图1(a)所示的零件,平面2、3的设计基准是平面1,平面5、6的设计基准是平面4,孔7的设计基准是平面l和平面4,而孔8的设计基准是孔7的中心和平面4。在零件图上不仅标注的尺寸有设计基准,而且标注的位置精度同样具有设计基准,如图1(b)所示的钻套零件,轴心线O—O是各外圆和内孔的设计基准,也是两项跳动误差的设计基准,端面A是端面B、C的设计基准。
2.工艺基准
工艺基准是在工艺过程中所使用的基准。工艺过程是一个复杂的过程,按用途不同工艺基准又可分为定位基准、工序基准、测量基准和装配基准。
工艺基准是在加工、测量和装配时所使用的,必须是实在的。然而作为基准的点、线、面有时并不一定具体存在(如孔和外圆的中心线,两平面的对称中心面等),往往通过具体的表面来体现,用以体现基准的表面称为基面。例如图1(b) 所示钻套的中心线是通过内孔表面来体现的,内孔表面就是基面。

(a) (b)
图1 基准分析 (a) 支承块 钻套套
(1) 定位基准 在加工中用作定位的基准,称为定位基准。它是工件上与夹具定位元件直接接触的点、线或面。如图1(a)所示零件,加工平面3和6时是通过平面l和4放在夹具上定位的,所以,平面1和4是加工平面3和6的定位基准;如图1(b)所示的钻套,用内孔装在心轴上磨削φ40h6外圆表面时,内孔表面是定位基面,孔的中心线就是定位基准。
定位基准又分为粗基准和精基准。用作定位的表面,如果是没有经过加工的毛坯表面,称为粗基准;若是已加工过的表面,则称为精基准。
(2) 工序基准 在工序图上,用来标定本工序被加工面尺寸和位置所采用的基准,称为工序基准。它是某一工序所要达到加工尺寸(即工序尺寸)的起点。如图1(a)所示零件,加工平面3时按尺寸H 2进行加工,则平面l即为工序基准,加工尺寸H 2叫做工序尺寸。
工序基准应当尽量与设计基准相重合,当考虑定位或试切测量方便时也可以与定位基准或测量基准相重合。
(3) 测量基准 零件测量时所采用的基准,称为测量基准。如图1(b)所示,钻套以内孔套在心轴上测量外圆的径向圆跳动,则内孔表面是测量基面,孔的中心线就是外圆的测量基准;用卡尺测量尺寸l和L,表面A是表面B、C的测量基准。
(4) 装配基准 装配时用以确定零件在机器中位置的基准,称为装配基准。如图1(b)所示的钻套,φ40h6外圆及端面B即为装配基准。
1;所有标注为智造资料网zl.fbzzw.cn的内容均为本站所有,版权均属本站所有,若您需要引用、转载,必须注明来源及原文链接即可,如涉及大面积转载,请来信告知,获取《授权协议》。
2;本网站图片,文字之类版权申明,因为网站可以由注册用户自行上传图片或文字,本网站无法鉴别所上传图片或文字的知识版权,如果侵犯,请及时通知我们,本网站将在第一时间及时删除,相关侵权责任均由相应上传用户自行承担。
[complaint:内容投诉]
智造资料网打造智能制造3D图纸下载,在线视频,软件下载,在线问答综合平台 » 零件加工时的基准及其分类图文教程

