1、前言
国内汽车行业近几年的快速增长,带动了国内汽车焊接夹具制造业的快速成长。基本每个新车型投产,均需要投入相应的焊接夹具。按目前市场情况看,从新车型开发到推进市场,要求周期短,进而对焊接夹具设计、制造、调试提出更高的要求。
汽车焊接夹具的功能是为了实现车身零件的正确装配,保证零件正确搭配和完成焊接。工程上通常从装配精度、缩短制造周期和可调整性等方面来评价汽车焊接夹具设计的优劣。定位是焊接夹具最基本的元素,也是设计过程主要考虑元素,定位设计规范化在很大程度上提高焊接夹具的性能,缩短周期,提高效益。
2、“N-2-1”定位原理
一般的物体定位按照六点定位原则,即可确定正确位置。对于车身柔性零件的定位,如果仅靠六点定位规则定位,将无法保证零件的正确位置和形状,因此,在汽车焊接夹具的设计中,经常有过定位的方式定位,即N大于3。“N-2-1”定位原理更加适合汽车焊接夹具设计,防止薄板变形,在汽车焊接夹具上已广泛应用。根据汽车零件的形状和考虑焊接夹具制造成本、焊接可操作性等考虑,夹具定位元件的数量N一般选取4-6。
3、定位基准统一
基准统一是机械加工工艺设计的基本思想之一,焊接夹具设计定位基准统一要求保证两点,第一、保证焊接夹具设计基准与车身设计基准、冲压基准、检测基准的统一;第二、保证焊接夹具设计基准在分总成、总成、车身焊接总成的各总成之间保持前后统一。基准统一保证了车身焊接精度,便于查找质量问题原因,提高管理水平。
4、定位结构规范化
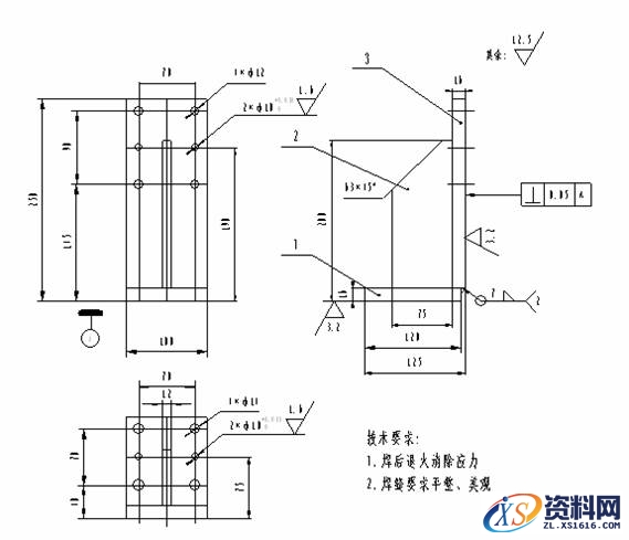
汽车焊接夹具基本结构,见图1,包括:固定平台式底座;定位部件;紧固件连接;气动-杠杆复合夹紧;操作高度可调。

图1
4.1、固定平台式底座
固定平台式底座有2种,一种是Q235平板式,见上图1的固定平台。选用平板式的原则:夹具固定平台面积在1200×500以下的,一般选用平板式。另一种是焊接件式,见图2。选用该结构的原则:夹具固定平台面积在1200×500以上的,一般选用焊接件式。焊接件由基板、槽钢、垫板焊接而成,结构规范化。

图2
4.2 定位部件:
定位部件是焊接夹具最基本单元,定位部件规范化设计是焊接夹具定位设计规范化重要方面。定位部件的结构一般由角支座、连接板、定位块、压块、压板、调整垫片、销、销支架、限位、气缸等零部件组成(见图3)。每个零部件可规范化,在设计时形成规范化设计。

图 3
角支座:也称定位部件底座,焊接件,见图4。材料Q235钢,厚16mm,结构和装配尺寸可规范化,高度尺寸根据设计要求具体确定,按50mm递增减等级选用。

图4
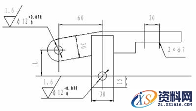
连接板:连接作用,见图5,材料Q235钢,厚16mm。连接板功能是与角支座连接,安装气缸、定位块、压板、限位等,根据装配功能尺寸要求,图示气缸安装尺寸、角支座安装尺寸、定位块安装尺寸已规范化,其它尺寸根据设计要求具体确定。

图5
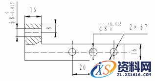
定位块:定位零件作用,见图6,材料45号钢,厚16mm,热处理HRC38-43。根据装配功能尺寸要求,图示安装尺寸已规范化,型面定位尺寸根据设计要求具体选定确定。

图6
压块:夹紧零件作用,见图7,材料45号钢,厚16mm,热处理HRC38-43。根据装配功能尺寸要求,图示装配尺寸已规范化,型面定位尺寸根据设计要求具体选定确定。

图7
压板:气缸驱动压紧零件的连接机构,焊接件,见图8,材料Q235钢。根据装配功能尺寸要求,图示气缸、连接板的装配尺寸已规范化,其它尺寸根据设计要求确定。按经验设计法,两孔距离L等于气缸工作行程的一半,气缸张开角度位置最佳。

图8
调整垫片:通过增减垫片达到夹具微调目的,组合件,厚度有1mm、0.5mm,见图9,材料Q235钢。根据装配功能尺寸要求,图示尺寸已规范化,其它尺寸根据设计要求具体确定。

图9
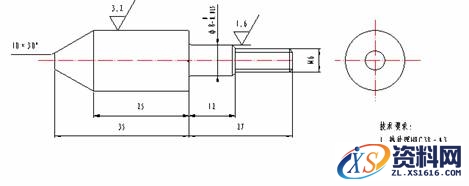
销:零件主定位作用,一般有圆销和菱形销,圆销起主定位,菱形销起副定位作用。见图10,材料45号钢,热处理HRC38-43,销径d为孔径D-0.05mm,有效长度优先采用L大于等于20,并且其工作表面应高于工件6-8mm。根据装配功能尺寸要求,图示尺寸已规范化,其它尺寸根据设计要求具体确定。
图10
销支架:连接销作用,见图11,材料45号钢,热处理HRC38-43,与销配合安装。根据装配功能尺寸要求,图示与连接板装配、销配合尺寸已规范化,其它尺寸根据设计要求具体确定。

图11
限位:限位作用,见图12,组合件,由凸凹件配合,材料45号钢,热处理HRC38-43。与连接板、压板连接方式使用沉头内六角螺栓,图示装配尺寸已规范化,其它尺寸根据设计要求具体确定。

图12
气缸:外购件,在气动行业已形成标准化产品,根据行程和夹紧力设计需要选择。国内外厂家有德国的FESTO、日本的SMC、中国的江都永坚,可根据客户需要选择。
5、结束语
根据“N-2-1”定位原理和基准统一原则,建立汽车焊接夹具定位部件规范化设计库,科学进行汽车焊接夹具设计,可缩短设计周期,降低生产成本,为企业创造利润。
1;所有标注为智造资料网zl.fbzzw.cn的内容均为本站所有,版权均属本站所有,若您需要引用、转载,必须注明来源及原文链接即可,如涉及大面积转载,请来信告知,获取《授权协议》。
2;本网站图片,文字之类版权申明,因为网站可以由注册用户自行上传图片或文字,本网站无法鉴别所上传图片或文字的知识版权,如果侵犯,请及时通知我们,本网站将在第一时间及时删除,相关侵权责任均由相应上传用户自行承担。
[complaint:内容投诉]
智造资料网打造智能制造3D图纸下载,在线视频,软件下载,在线问答综合平台 » 汽车焊接夹具定位规范化设计

