一、棱柱
1 、棱柱的投影
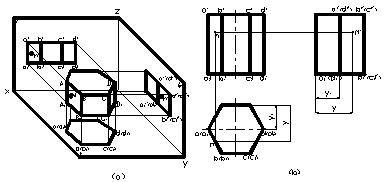
如下图,是一六棱柱,它是由上下两正六边和六个矩形的侧面所围成。对各投影进行分析。
作投影图时,先画出中心线对称线,再画出六棱柱的水平投影正六边形,最后按投影规律作出其它投影。
正六棱柱的投影及表面上取点
2 .棱柱表面上取点
1 )棱柱表面都处于特殊位置,其表面上的点可利用平面的积聚性求得;
2 )求解时,注意水平投影和侧面投影的 Y 值要相等;
3 )点的可见性的判断,面可见,点则可见,反之不可见。
二、棱锥
1 .棱锥的投影
正三棱锥的投影
1 )分析三棱锥各平面的投影;
2 )作三棱锥的三面投影。
2 .棱锥表面上的点
棱锥表面上点的投影可在平面上作辅助线进行求解,如下图。
棱锥表面上取点
三、圆柱
1 .圆柱面的形成
有一母线绕与它平行的轴线旋转而成。
2 .圆柱体的投影对圆柱体的各个投影进行分析。
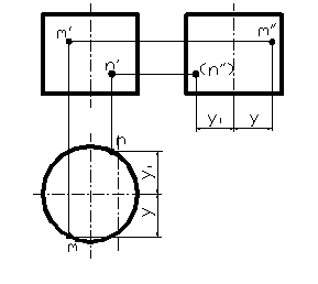
3 .圆柱表面上的点
在圆柱表面上有两点 M 和 N ,已知 M 的正面投影 m' , N 点的侧面投影( n” ),求作 M 和 N 的另外两个投影。如图所示。
圆柱表面上取点
圆柱表面上点的投影,在投影面为圆的投影中,其表面上点的投影都在该圆上。注意: Y 值要相等。
该文章所属专题:机械制图与AutoCAD
四、圆锥
1 .圆锥面的形成
有一母线绕和它相交的轴线旋转而成。
2 .圆锥的投影
对圆锥的投影进行分析,如图
圆锥的投影
3 .圆锥表面上的点
圆锥的三个投影都没有积聚性,因而圆锥表面上点的投影,就不能直接求得,要采用辅助素线和辅助圆法。
( 1 )辅助素线法,如图( b )。
圆锥表面上取点
( 2 )辅助圆法:如上图( c )。注意在画圆时,半径是从中心线到轮廓素线,而不是从中心线到点。
五、球
1 .球的形成
球面可看成是以一圆为母线,以其直径为轴线旋转而成。
2 .球的投影
圆球的投影是与圆球直径相同的三个圆,这三个圆分别是三个不同方向球的轮廓的素线圆投影,不能认为是球面上同一圆的三个投影。对投影图进行分析。
圆球的投影
3 .圆球表面上点的投影
圆球表面上点的投影,要作辅助圆,圆的半径是从中心线到轮廓线,作图时要注意。
圆球表面上取点
六、圆环
1 .圆环的形成
圆环可看成是以圆为母线,绕与它在同一平面上的轴线旋转而形成的。
2 .圆环的投影
( 1 )对圆环的投影进行分析;
( 2 )如何画圆环的投影图。
3 .圆环表面上的点
圆环表面上取点
利用辅助圆求点的投影。
该文章所属专题:机械制图与AutoCAD
1;所有标注为智造资料网zl.fbzzw.cn的内容均为本站所有,版权均属本站所有,若您需要引用、转载,必须注明来源及原文链接即可,如涉及大面积转载,请来信告知,获取《授权协议》。
2;本网站图片,文字之类版权申明,因为网站可以由注册用户自行上传图片或文字,本网站无法鉴别所上传图片或文字的知识版权,如果侵犯,请及时通知我们,本网站将在第一时间及时删除,相关侵权责任均由相应上传用户自行承担。
[complaint:内容投诉]
智造资料网打造智能制造3D图纸下载,在线视频,软件下载,在线问答综合平台 » CAD教程第7章-基本体的投影及其表面取点(图文教程)

